电脑桌面
添加小米粒文库到电脑桌面
安装后可以在桌面快捷访问

坡屋面施工和模板支撑系统施工方案VIP免费

坡屋面施工和模板支撑系统施工方案_第1页
1/31
坡屋面施工和模板支撑系统施工方案_第2页
2/31
坡屋面施工和模板支撑系统施工方案_第3页
3/31
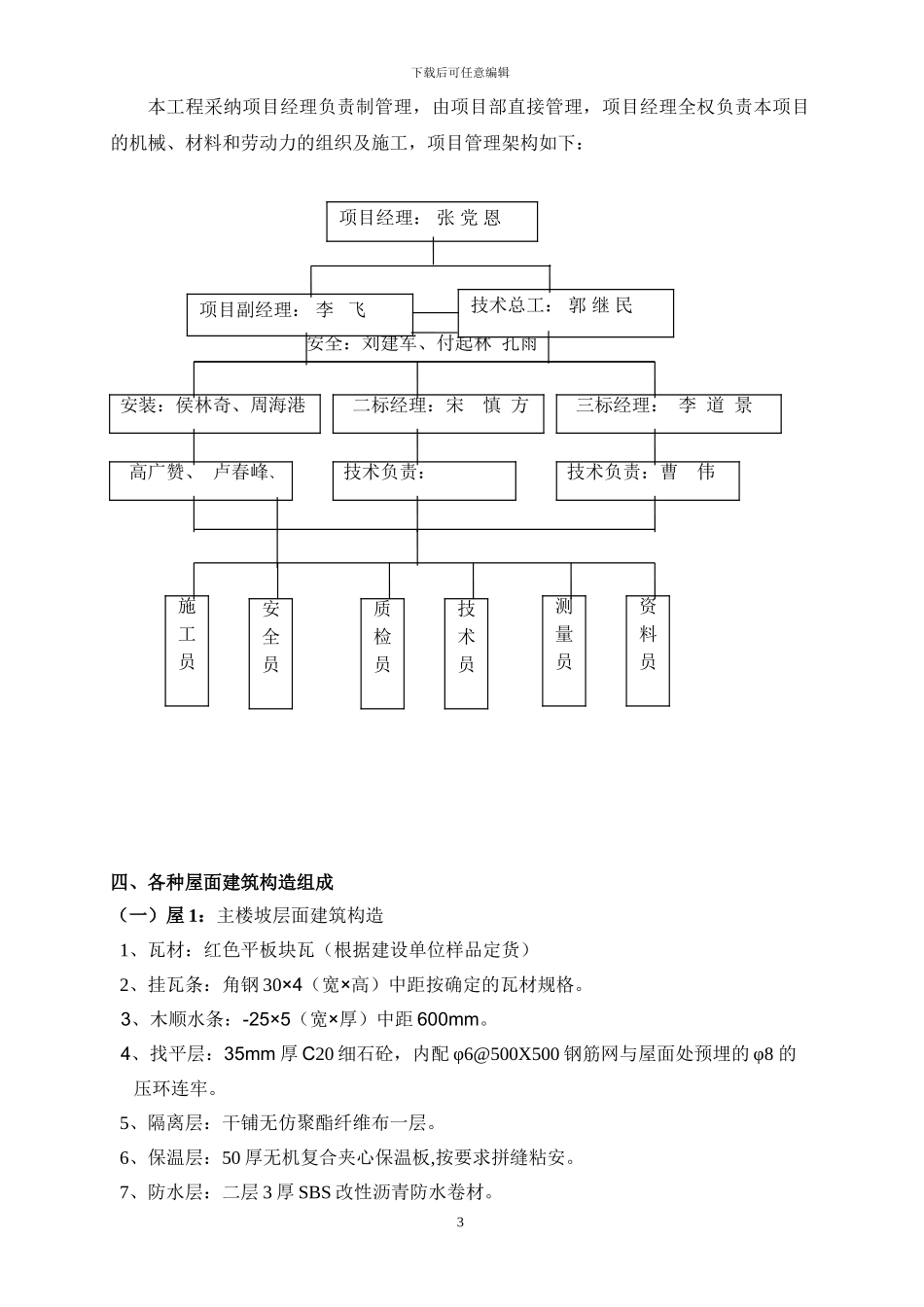
下载后可任意编辑 目 录1、编制依据 22、工程概况 23、质量保证体系 34、各种屋面建筑构造组成 45、坡屋面工程主要控制要点 56、施工准备 57、模板施工方法及措施 68、钢筋绑扎 139、混凝土施工 1310、屋面工程 15 11、模板现场加工 2312、安全注意事项 2413、环保及文明施工措施 2614、支撑系统架管、模板验算 27 坡屋面施工和模板支撑 系统施工方案一、编制依据1、《屋面工程质量验收法律规范》 (GB50207-2024)1、《建筑施工模板安全技术法律规范》 (JGJ162-2024) 2、《钢管脚手架、模板支架安全选用技术规程》 ( DB11/T583-2024)1下载后可任意编辑3、《建筑施工安全检查标准》 ( JGJ59-99)4、《建筑施工扣件式钢管脚手架安全技术法律规范》 (JGJ130-2024)5、《建筑施工高处作业安全技术法律规范》 (JGJ80-91)6、《建筑工程施工质量验收统一标准》 (GB50300-2001)7、《弹性体改性沥青防水卷材》 (GB18242-2000)8、《建筑分项施工工艺标准企业标准》 (GXEJ/QB)9、《工程建设标准强制性条文》2024 年版10、《建筑施工手册》 (第四版)11、施工组织总设计12、本项目工程施工图纸、图纸会审、变更等有关文件。二、工程概况河南省公共卫生医疗中心住宅项目 B 区,位于郑州市航空港区的航城环路西,龙中路南,航城西路东,郑港路北。建设单位为河南省名门地产有限公司;设计单位:为河南省建筑设计讨论院有限公司 ;监理单位为河南华泽工程管理有限公司;施工单位:湖南省第三工程有限公司。本项目工程共分为三个标段,其中一标段 1#~3#楼为高层建筑,地下一层地上三十三层;二标段为小高层建筑,地下两层地上九层,其中 18#楼为地下一层地上十一层;第三标段为小高层建筑,地下两层地上九层。主楼之间为地下车库。车库南北方向共长 280.52m,东西方向共宽 284.50m。高层总高度为99.30m,多层总高度为 34.414m。总建筑面积为:240684.92m2。该工程结构形式为剪力墙结构,基础形式为筏板基础。建筑抗震烈度为七度,结构抗震等级为三级。 本工程屋面防水等级为二级,地下室防水等级主体部分为二级。其中多栋小高层为坡屋面结构,长约为 50.4 0m,跨宽为 17.10m,夹层平面上檐口高度:根据各楼的结构不同 0.20~0.8~1.20~1.30m 等高度。坡度设计为 45 度,主坡共宽约为 18.38m,屋脊中心高度为 6.25m。另设计有中坡的中心高度为 6.10m,小屋脊中心高度为 3.20m。虎窗脊高为 2.90。...

1、当您付费下载文档后,您只拥有了使用权限,并不意味着购买了版权,文档只能用于自身使用,不得用于其他商业用途(如 [转卖]进行直接盈利或[编辑后售卖]进行间接盈利)。
2、本站所有内容均由合作方或网友上传,本站不对文档的完整性、权威性及其观点立场正确性做任何保证或承诺!文档内容仅供研究参考,付费前请自行鉴别。
3、如文档内容存在违规,或者侵犯商业秘密、侵犯著作权等,请点击“违规举报”。

碎片内容

坡屋面施工和模板支撑系统施工方案

人从众+ 关注
实名认证
内容提供者

欢迎光临小店,本店以公文和教育为主,希望符合您的需求。

确认删除?
VIP
微信客服
  • 扫码咨询
会员Q群
  • 会员专属群点击这里加入QQ群
客服邮箱
回到顶部