电脑桌面
添加小米粒文库到电脑桌面
安装后可以在桌面快捷访问

城市立交桥切割拆除施工方案VIP免费

城市立交桥切割拆除施工方案_第1页
1/16
城市立交桥切割拆除施工方案_第2页
2/16
城市立交桥切割拆除施工方案_第3页
3/16
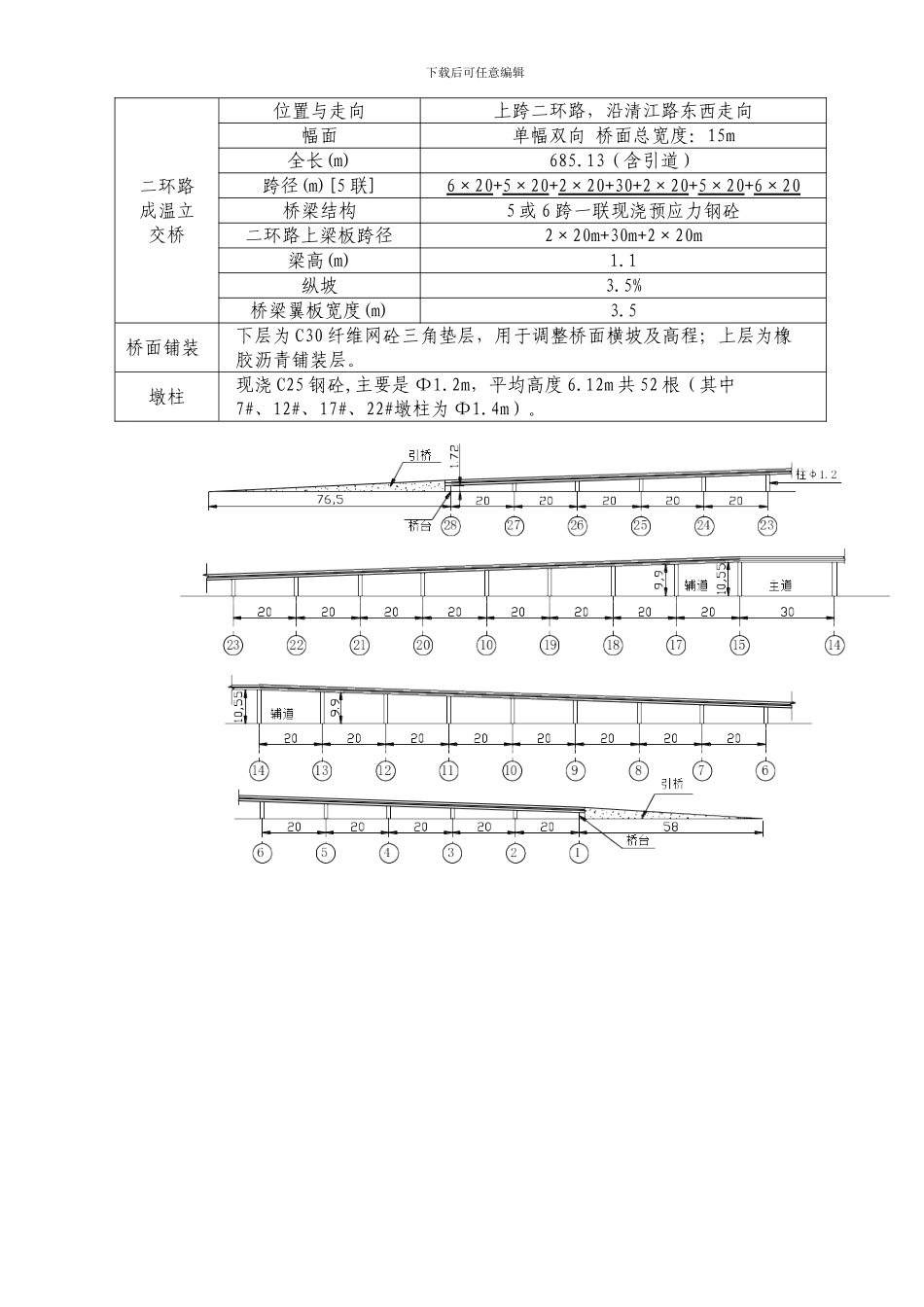
下载后可任意编辑二环路成温立交拆除施工方案第一部分 工程概况1. 工程范围二环路成温立交桥全桥拆除,含:梁板、墩柱、桥台、挡墙、路面、引道回填土等。周围环境情况见下图:2. 技术参数 二环路成温立交桥相关技术参数桥体部位名称说明下载后可任意编辑二环路成温立交桥位置与走向上跨二环路,沿清江路东西走向幅面单幅双向 桥面总宽度:15m全长(m)685.13(含引道)跨径(m)[5 联]6×20+5×20+2×20+30+2×20+5×20+6×20桥梁结构5 或 6 跨一联现浇预应力钢砼二环路上梁板跨径2×20m+30m+2×20m梁高(m)1.1纵坡3.5%桥梁翼板宽度(m)3.5桥面铺装下层为 C30 纤维网砼三角垫层,用于调整桥面横坡及高程;上层为橡胶沥青铺装层。墩柱现浇 C25 钢砼,主要是 Φ1.2m,平均高度 6.12m 共 52 根(其中7#、12#、17#、22#墩柱为 Φ1.4m)。下载后可任意编辑成温立交二环路内侧照片第三部分 施工组织设计1.拆除施工工艺流程下载后可任意编辑见下拆除施工工艺流程图2.总体拆除施工顺序本次二环路成温立交桥拆除工程的总体施工顺序为:第一阶段:拆除成温立交桥中跨二环路上的一联梁板和墩柱;第二阶段:拆除剩余四联梁板和墩柱;第三阶段:拆除成温立交桥东西两端引道(含道路、回填土、挡墙、桥台等)。 拆除施工工艺流程图2.1 第一阶段拆除施工步凑及交通组织:详见下图 注:贝雷梁立柱可在前期先安装完毕,不占总工期时间。施工打围搭设防护支架搭设贝雷梁交通分阶段转换 进场 桥梁分阶段拆除施工分阶段拆除贝雷梁分阶段拆除防护架场地清理场地清扫场地移交完工撤场下载后可任意编辑下载后可任意编辑2.2 第二阶段:拆除方式与第一阶段相同,同样采纳先在桥梁板下搭设贝雷梁后再对桥梁、墩柱进行切割吊运,施工顺序由两侧桥梁向桥台方向推动。此阶段拆除施工对二环路方向的交通无影响,为缩短工期,部分拆除准备工作可与第一阶段同步进行:图略2.3 第三阶段:采纳机械拆除的方式对引道挡墙、桥台、回填土进行拆除。3.液压金钢锯拆除工艺3.1 每跨梁板的拆除顺序:见下图所示(以第一阶段拆除为例) 四、拆除施工方案根据现场情况及甲方提供的图纸及要求,我公司经过仔细讨论决定采纳静力切割拆除的方法进行拆除,具体拆除方法及顺序如下:1、首先在待拆除 5 跨桥墩周围用脚手架进行支护,如下图所示:2、封闭中间一跨道路,脚手架上搭贝雷架对梁及翼板整体进行支护3、恢复中间一跨交通,封闭两侧四跨道路,搭设贝雷架对两侧箱梁进行支...

1、当您付费下载文档后,您只拥有了使用权限,并不意味着购买了版权,文档只能用于自身使用,不得用于其他商业用途(如 [转卖]进行直接盈利或[编辑后售卖]进行间接盈利)。
2、本站所有内容均由合作方或网友上传,本站不对文档的完整性、权威性及其观点立场正确性做任何保证或承诺!文档内容仅供研究参考,付费前请自行鉴别。
3、如文档内容存在违规,或者侵犯商业秘密、侵犯著作权等,请点击“违规举报”。

碎片内容

城市立交桥切割拆除施工方案

您可能关注的文档

文森传品+ 关注
实名认证
内容提供者

一家传播文化教育的小店,资料丰富,随意挑选。

确认删除?
VIP
微信客服
  • 扫码咨询
会员Q群
  • 会员专属群点击这里加入QQ群
客服邮箱
回到顶部