电脑桌面
添加小米粒文库到电脑桌面
安装后可以在桌面快捷访问

综合布线中职设计题VIP免费

综合布线中职设计题_第1页
1/6
综合布线中职设计题_第2页
2/6
综合布线中职设计题_第3页
3/6
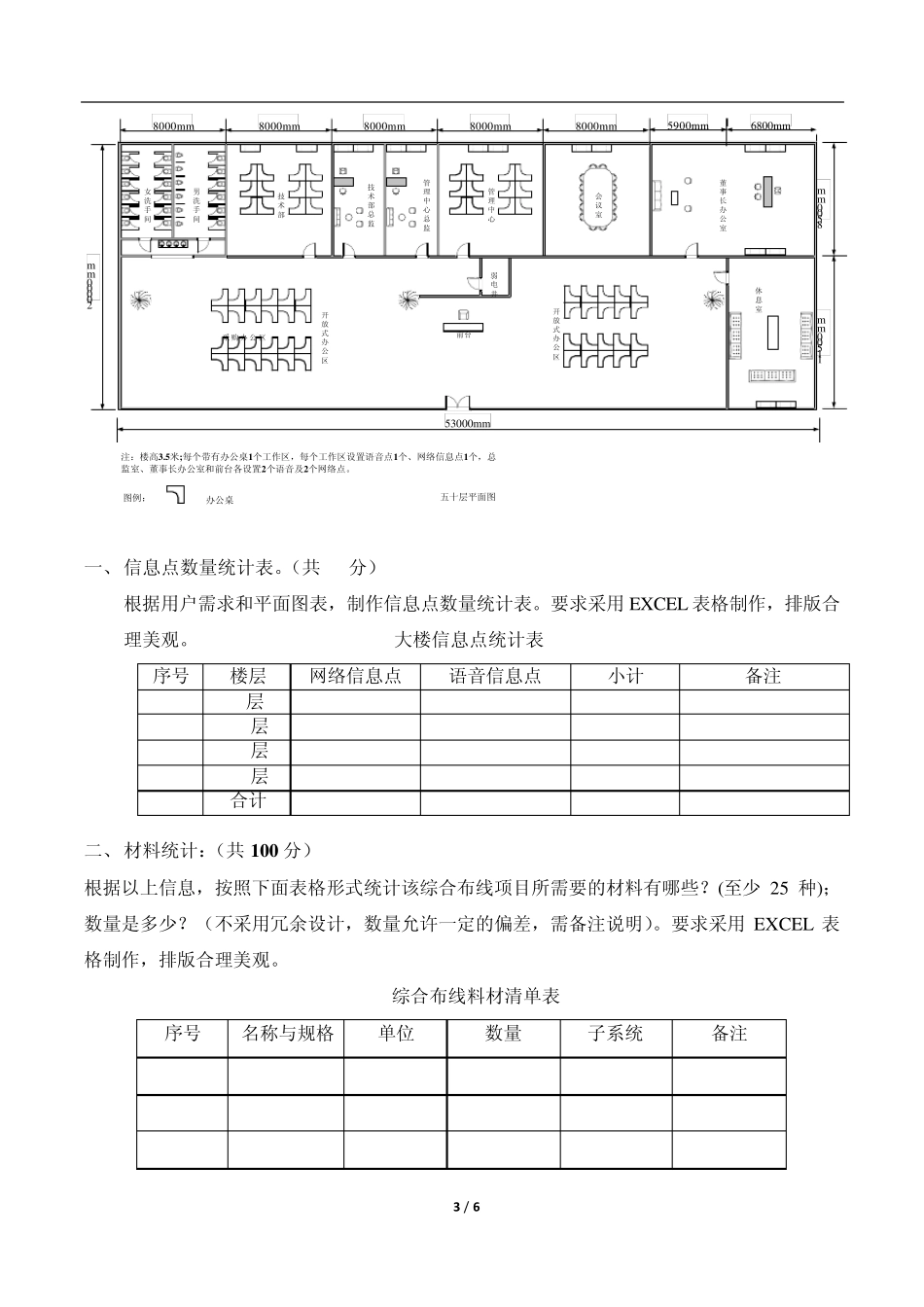
1 / 6 2010 年广东省中等职业学校计算机技能竞赛 网络综合布线模拟卷 本赛项总分500 分,试卷总分乘以30%即为整个竞赛的单项累积分数,竞赛时间为210 分钟,由参赛选手合作完成。设计竞赛需使用相关软件,根据组委会提供的模拟工程需求环境(附件),结合国标GB50311-2007 规范进行设计。参赛者为每队全部选手。所有图纸需要在右下角适当位置注明设计者(参赛队和选手编号组成)。 项目名称:某写字楼综合布线系统工程 某公司在某大厦租3 楼和48-50 楼作为公司写字楼,其中三楼作为公司客户服务中心(网络管理中心),48-50 为公司人事、销售、行政办公楼层。现需重新开始对相关楼层进行弱电线路铺设和室内装修,现你作为一家系统集成公司代表承接该项目的综合布线的设计、施工、测试、验收等任务。根据建设方提供的资料,已知大楼宽 20米,长 53米,平均楼层高 3.5米。用户要求千兆以太网为主干,百兆到桌面的使用要求,必要时可无须更换线路,升级为万兆以太网主干,千兆到桌面的要求。采用的应用系统主要为语音与网络,必要时可以互换为其它应用系统,(同时需考虑节约成本)。 8000mm8000mm8000mm8000mm8000mm5900mm20000mm男洗手间女洗手间客户服务中心客户服务中心总监市场部总监会议室采 购 办 公区市场部开放式办公区副总经理办公室培训室开放式办公区前台弱电井注:楼高3.5米;每个带有办公桌1个工作区,每个工作区设置语音点 1个、网络信息点1个,总监室、副总经理办公室、前台和培训室各设置2个语音及2个网络点。53000mm图例:办公桌6800mm8500mm11500mm三层平面图 2 / 6 8000mm8000mm8000mm8000mm8000mm5900mm20000mm男洗手间女洗手间采购办公区采购总监人力资源部总监会议室采购办公区人力资源部开放式办公区总经理办公室财务部开放式办公区前台弱电井注:楼高3.5米;每个带有办公桌1个工作区,每个工作区设置语音点 1个、网络信息点1个,总监室、总经理办公室和前台各设置2个语音及2个网络点。53000mm图例:办公桌8500mm11500mm6800mm四十八层平面图 8000mm8000mm8000mm8000mm8000mm5900mm20000mm男洗手间女洗手间A品牌销售中心B品牌销售总监会议室采购办公区开放式办公区副总经理办公室样品室开放式办公区前台弱电井注:楼高3.5米;每个带有办公桌1个工作区,每个工作区设置语音点1个、网络信息点1个,总监室、副总经理办公室和前台各设置2个语音及2个网络点。53000mm图例:办公桌B品牌销售中心A品牌销售...

1、当您付费下载文档后,您只拥有了使用权限,并不意味着购买了版权,文档只能用于自身使用,不得用于其他商业用途(如 [转卖]进行直接盈利或[编辑后售卖]进行间接盈利)。
2、本站所有内容均由合作方或网友上传,本站不对文档的完整性、权威性及其观点立场正确性做任何保证或承诺!文档内容仅供研究参考,付费前请自行鉴别。
3、如文档内容存在违规,或者侵犯商业秘密、侵犯著作权等,请点击“违规举报”。

碎片内容

综合布线中职设计题

您可能关注的文档

确认删除?
VIP
微信客服
  • 扫码咨询
会员Q群
  • 会员专属群点击这里加入QQ群
客服邮箱
回到顶部