电脑桌面
添加小米粒文库到电脑桌面
安装后可以在桌面快捷访问

综合楼工程施工进度计划及保障措施VIP免费

综合楼工程施工进度计划及保障措施_第1页
1/16
综合楼工程施工进度计划及保障措施_第2页
2/16
综合楼工程施工进度计划及保障措施_第3页
3/16
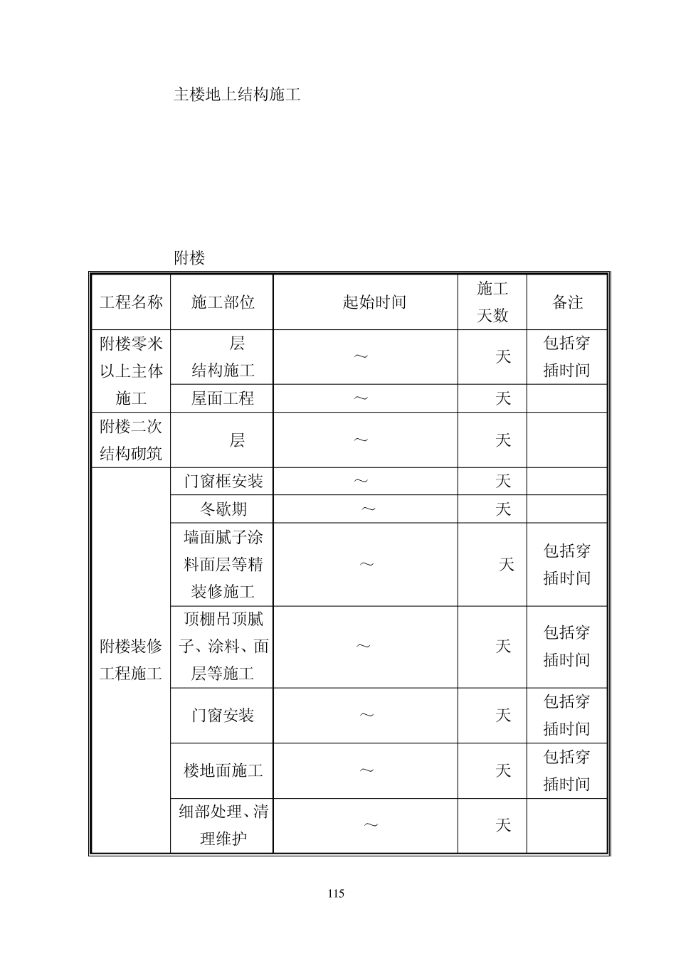
1 1 4 施工进度计划及保障措施 一、施工进度计划编制说明 1.1 施工总体进度计划安排 1.2 1.3 1.4 1.5 工程阶段控制目标 我公司在完全响应招标文件提出的开工时间和竣工时间后,并根据我公司的综合实际能力将本工程在2011年7月31日竣工,提前43日历天完成,制定施工阶段计划如下: 我公司计划508日历天完成,给“八一建军节“献上一份特殊的礼物。其主要施工节点时间安排如下: 1.2.1 地下室施工阶段 分项工程名称 开始时间至结束时间 完成天数 备注 底板施工 垫层及防水层施工 2010.3.14~2010.3.22 9天 包括穿插时间 基础底板施工 2010.3.24~2010.5.3 41天 包括穿插时间 零米以下结构施工 地下二层墙、柱、梁板结构 2010.4.7~2010.5.17 41天 包括穿插时间 零米以下结构施工 地下一层墙、柱、梁板结构 2010.4.21~2010.5.28 38天 包括穿插时间 地下室外侧防水层及土方回填施工 2010.6.27~2010.9.4 70天 包括穿插时间 地下室二次结构 砌筑抹灰 2010.6.18~2010.8.31 75天 包括穿插时间 地下室墙、地、顶装修施工 2010.7.13~2010.12.4 145天 包括穿插时间 1 1 5 1.2.2主楼地上结构施工 1.2.3附楼 工程名称 施工部位 起始时间 施工 天数 备注 附楼零米以上主体施工 1-4层 结构施工 2010.5.10~2010.6.24 48天 包括穿 插时间 屋面工程 2010.7.31~2010.9.10 42天 附楼二次结构砌筑 1-4层 2010.6.30~2010.8.18 50天 附楼装修工程施工 门窗框安装 2010.8.19~2010.9.12 25天 冬歇期 2011.1.11 ~2011.2.21 42天 墙面腻子涂料面层等精装修施工 2010.8.19~2011.4.12 237天 包括穿 插时间 顶棚吊顶腻子、涂料、面层等施工 2010.10.8~2010.11.21 45天 包括穿 插时间 门窗安装 2010.9.13~2010.11.1 50天 包括穿 插时间 楼地面施工 2010.9.13~2010.11.6 55天 包括穿 插时间 细部处理、清理维护 2011.4.13~2011.5.2 20天 1 1 6 外立面装饰装修 2010.8.19~2011.4.27 252天 包括穿 插时间 附楼水电安装 机电配合主体结构预留、预埋 2010.3.25~2010.6.24 92天 包括穿 插时间 电气桥架、线槽敷设 及穿线 2010.6.25~2010.8.18 55天 包括穿 插时间 风管制作安装 2010.7.20~2010.9.17 60天 包括穿 插时间 风机安装 22010.7.20~2010.9.17 60天 包括穿 插时间 单机试运行 2011.3.30~2011.4.18 20天 风口...

1、当您付费下载文档后,您只拥有了使用权限,并不意味着购买了版权,文档只能用于自身使用,不得用于其他商业用途(如 [转卖]进行直接盈利或[编辑后售卖]进行间接盈利)。
2、本站所有内容均由合作方或网友上传,本站不对文档的完整性、权威性及其观点立场正确性做任何保证或承诺!文档内容仅供研究参考,付费前请自行鉴别。
3、如文档内容存在违规,或者侵犯商业秘密、侵犯著作权等,请点击“违规举报”。

碎片内容

综合楼工程施工进度计划及保障措施

您可能关注的文档

确认删除?
VIP
微信客服
  • 扫码咨询
会员Q群
  • 会员专属群点击这里加入QQ群
客服邮箱
回到顶部