电脑桌面
添加小米粒文库到电脑桌面
安装后可以在桌面快捷访问

路基技术交底(三级)VIP免费

路基技术交底(三级)_第1页
1/19
路基技术交底(三级)_第2页
2/19
路基技术交底(三级)_第3页
3/19
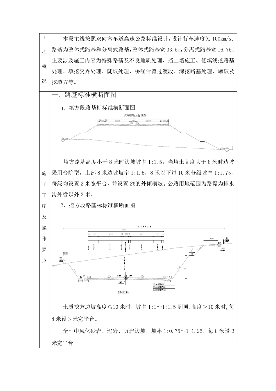
路基技术交底通知单(三级) 工程名称:乌鲁木齐绕城高速(东线)公路工程 年 月 日 工程项目 工程部位 交底人 工程数量 进度要求 参加人员 质 量 标 准 表1 路基填料的最小强度和压实度要求 填挖类型 路床表面以 下深度cm 最小 压实度% 填料最小强度CBR % 填料最大粒径cm 填方 路基 上路床 0-30 ≥97 8 10 下路床 30-80 ≥97 5 10 上路堤 80-150 ≥95 4 15 下路堤 >150 ≥94 3 15 零填及路堑路床 0-30 ≥97 8 10 30-80 ≥97 5 10 表2 硬质石料填筑质量控制表 序号 分区 路面底面以下深度(m) 摊铺层厚(cm) 最大料径 压实干重度(KN/m3) 孔隙率(%) 1 上路堤 0.5~1.5 40 小于层厚2/3 由试验确定 ≯23 2 下路堤 >1.5 50 小于层厚2/3 由试验确定 ≯25 表3 填石路堤施工质量标准 项 次 检查项目 规定值或允许偏差 检查方法和频率 高速公路、一级公路 1 压实度 符合试验路确定的施工工艺 施工记录 沉降差≤试验路确定的沉降差 水准仪:每40m 检测1 个断面,每个断面检测5~9 点 2 纵面高程(mm) +10,-20 水准仪:每200m 测4 个断面 3 弯沉 不大于设计值 —— 4 中线偏位(mm) 50 经纬仪:每200m 测4 点,弯道加HY、YH 两点 5 宽度 不小于设计值 米尺:每200m 测4 处 6 平整度(mm) 20 3m 直尺:每200m 测4 点×10 尺 7 横坡(%) ±0.3 水准仪:每200m 测4 个断面 8 边 坡 坡度 不陡于设计值 每200m 抽查4 处 平顺度 符合设计要求 表4 低填浅挖路基处理划分表 填挖高度 0<W≤100 0≤T≤76 76<T≤155 T>155 处理措施 挖路槽 挖路槽 挖路槽 填方施工 工序 超挖路床下 30cm→压实90%→回填30cm 过渡层→压实95%→填路床→压实97% 超挖路床下30cm→压实90%→回填30cm 过渡层→压实95%→填路床→压实97% 清表→超挖路床下30cm→压实90%→回填30cm 过渡层→压实95%→填路床→压实97% 清表→压实90%→填路堤→压实94/95%→填路床→压实97% 回填材料 超挖 30cm:砂砾土 路床:砾石土 超挖 30cm:砂砾土 路床:砾石土 超挖 30cm:砂砾土 路床:砾石土 工 程 概 况 本段主线按照双向六车道高速公路标准设计,设计行车速度为100km/s,路基为整体式路基和分离式路基,整体式路基宽33.5m,分离式路基宽16.75m主要涉及施工内容为特殊路基及不良地质处理、挡土墙施...

1、当您付费下载文档后,您只拥有了使用权限,并不意味着购买了版权,文档只能用于自身使用,不得用于其他商业用途(如 [转卖]进行直接盈利或[编辑后售卖]进行间接盈利)。
2、本站所有内容均由合作方或网友上传,本站不对文档的完整性、权威性及其观点立场正确性做任何保证或承诺!文档内容仅供研究参考,付费前请自行鉴别。
3、如文档内容存在违规,或者侵犯商业秘密、侵犯著作权等,请点击“违规举报”。

碎片内容

路基技术交底(三级)

您可能关注的文档

确认删除?
VIP
微信客服
  • 扫码咨询
会员Q群
  • 会员专属群点击这里加入QQ群
客服邮箱
回到顶部