电脑桌面
添加小米粒文库到电脑桌面
安装后可以在桌面快捷访问

车削螺纹教案VIP免费

车削螺纹教案_第1页
1/6
车削螺纹教案_第2页
2/6
车削螺纹教案_第3页
3/6
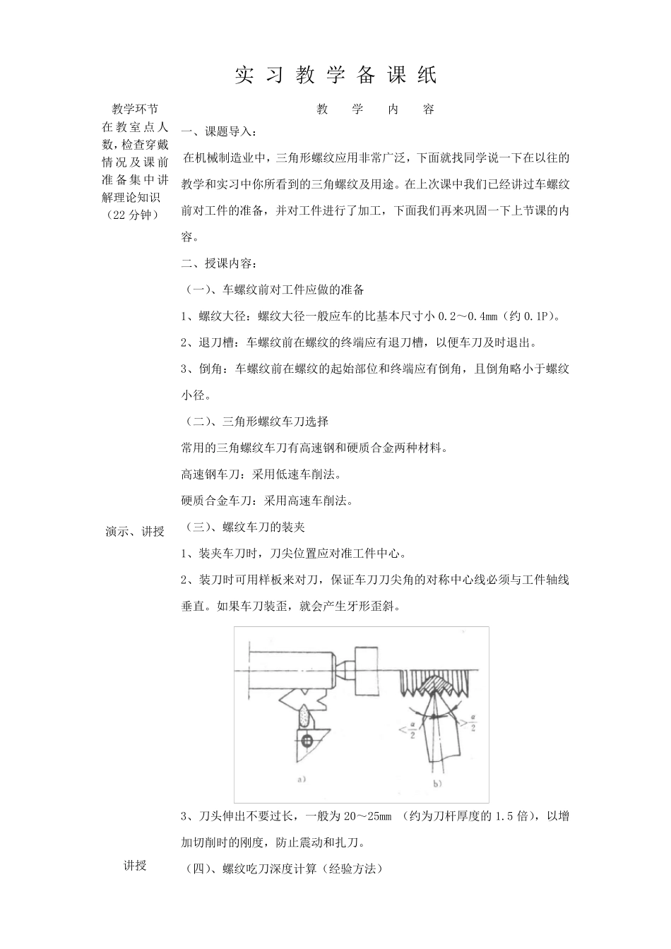
实 习 教 学 备 课 纸 科 目 : 车 工 工 艺 学 和 车 工 技 能 训 练 教 师 : 黄 总 科 授 课 地 点 : 实 训 中 心 一 楼 机 加 工 专 业 教 室 班 级 09 数 控 ( 2) 班 授 课 日 期 2010-10-9 授 课 时 数 1 实 习 课 题 练 习 车 削 普 通 三 角 螺 纹 课 题 内 容 1、 普 通 三 角 螺 纹 的 车 削 加 工 方 法 2、 车 削 螺 纹 时 车 床 的 调 整 方 法 3、 螺 纹 量 规 对 工 件 进 行 检 验 的 方 法 。 教 学 目 的 1、 清 楚 三 角 螺 纹 的 用 途 , 能 正 确 选 用 三 角 形 螺 纹 车 刀 并 牢 记 装 夹 要 点 。 2、 掌 握 三 角 螺 纹 尺 寸 计 算 方 法 , 能 按 基 本 操 作 步 骤 对 工 件 进 行 正 确 车 削 加 工 。 3、 掌 握 用 螺 纹 量 规 对 工 件 进 行 检 验 的 方 法 。 4、 培 养 学 生 认 真 严 谨 的 工 作 态 度 , 树 立 安 全 生 产 意 识 , 加 强 动 手 操 作 能 力 。 教 学 重 点 掌 握 正 确 车 削 三 角 形 螺 纹 的 方 法 教 学 难 点 掌 握 正 确 车 削 三 角 螺 纹 的 方 法 及 对 工 件 的 检 验 教 学 方 法 讲 授 法 演 示 法 练 习 法 指 导 法 工 件 图 : 实 习 前 准 备 材料: A3 钢零件 若干 工 具: 1、 60°螺 纹 车 刀 、 切断刀 、 90°45°车 刀 ;2、对 刀 样板;3、 钢尺 ;4、 游标卡尺 ;5、 零件 图 组织教 学 1、 在教 室 点 人数 , 检 查穿戴情况, 集中 讲 解理论知识 ; 2、 根据本 班 人数 先 定 人定 岗 ; 3、 示 范 、 讲 解; 4、 巡 回 指 导 、 并 总 结 容 易 产 生 的 问 题 及 注 意 事 项 。 讲 解提 要 1、 普 通 三 角 形 螺 纹 车 刀 装 夹 ; 2、 CA6136 车 床 的 调 整 及 查车 床 螺 纹 进 给 量 调 配 表 。 演 示 内 容 1、 普 通 三 角 形 螺 纹 车 刀 装 夹 ; 2、 CA6136 车 床 的 调 整 及 查车 床 螺 纹 进 给 量 调 配 表 ; 3、 空 刀 练 习 车 ...

1、当您付费下载文档后,您只拥有了使用权限,并不意味着购买了版权,文档只能用于自身使用,不得用于其他商业用途(如 [转卖]进行直接盈利或[编辑后售卖]进行间接盈利)。
2、本站所有内容均由合作方或网友上传,本站不对文档的完整性、权威性及其观点立场正确性做任何保证或承诺!文档内容仅供研究参考,付费前请自行鉴别。
3、如文档内容存在违规,或者侵犯商业秘密、侵犯著作权等,请点击“违规举报”。

碎片内容

车削螺纹教案

您可能关注的文档

确认删除?
VIP
微信客服
  • 扫码咨询
会员Q群
  • 会员专属群点击这里加入QQ群
客服邮箱
回到顶部