电脑桌面
添加小米粒文库到电脑桌面
安装后可以在桌面快捷访问

车载多媒体成品检验标准VIP免费

车载多媒体成品检验标准_第1页
1/8
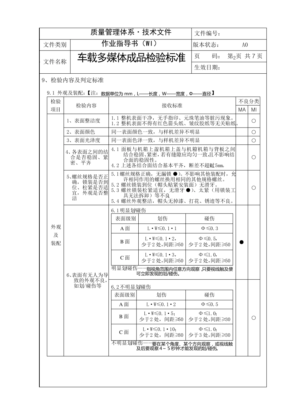
车载多媒体成品检验标准_第2页
2/8
车载多媒体成品检验标准_第3页
3/8
文件编号: 版 本: 页 数: 生效日期: 编制: 日期: 审核: 日期: 批准: 日期: 控制状态: 分发编号: 持 有 者: 文控中心发布 车载多媒体成品检验标准 质量管理体系·技术文件 文 件 编 号 : 文 件 类 别 作业指导书(WI) 版 本 状 态 : A0 文 件 名 称 车载多媒体成品检验标准 页 码 : 第 1页 共 7 页 生 效 日 期 : 1、 目 的 统 一 本 公 司 生 产 的 车 载 多 媒 体 整 机 的 检 验 项 目 及 接 收 标 准 , 以 实 现 全 员 品 质 控 制 , 确 保 整机 满 足 客 户 要 求 。 2、 适 用 范 围 本 公 司 生 产 的 车 载 多 媒 体 整 机 半 成 品 及 成 品 。 除 客 户 另 有 要 求 或 发 生 工 程 变 更 外 , 一 律 按此 标 准 执 行 。 3、 检 验 条 件 3.1 环 境 亮 度 : 60W 日 光 灯 照 明 , 距 离 灯 管 1.5 米 左 右 或 晴 天 无 遮 掩 自 然 光 线 下 。 3.2 环 境 温 湿 度 : 常 温 常 湿 。 3.3 目 视 判 定 距 离 : 半 成 品 — — 30cm; 成 品 — — 50cm。( 矫 正 视 力 在 0.8 以 上 ) 3.4 目 视 判 定 角 度 : 任 意 方 向 与待检 对象表面垂直轴线 成 0~60°角 。 3.5 目 视 判 定 时间: 单一 待检 对象单一 表面不超过5 秒钟。 3.6 聆听判 定 距 离 : 安静环 境 — — 30cm; 嘈杂环 境 — — 10cm。 (听力 正 常 ) 3.7 聆听判 定 时间: 单一 聆听对象每次不超过5 秒钟。 4、 检 验 设备、 工 具 直流可调 电 源 、 整 机 测 试 工 装 、 电 视 机 ( 或 其 他 视 频 显 示 器 )、 音 箱 、 功 率 放 大 器 、 GPS 天线 、 收 音 机 天 线 、 整 机 遥 控 器 、 测 试 碟 片 、 SD 卡 、 USB 插 头 型 鼠 标 、 触 摸 笔 、 蓝 牙 手 机 、 手 机麦 克 风 、 碟 箱 、 5、 检 验 方 法 目 视 、 聆听、 手 感 、 测 试 、 样 品 比 较 法 。 6、 检 验 类 别 外 观 及 装 配 工 艺 , 功 能 7、 不良 分 类 7.1 严 重 不良 ( MAJ): 直接 形 成 ...

1、当您付费下载文档后,您只拥有了使用权限,并不意味着购买了版权,文档只能用于自身使用,不得用于其他商业用途(如 [转卖]进行直接盈利或[编辑后售卖]进行间接盈利)。
2、本站所有内容均由合作方或网友上传,本站不对文档的完整性、权威性及其观点立场正确性做任何保证或承诺!文档内容仅供研究参考,付费前请自行鉴别。
3、如文档内容存在违规,或者侵犯商业秘密、侵犯著作权等,请点击“违规举报”。

碎片内容

车载多媒体成品检验标准

确认删除?
VIP
微信客服
  • 扫码咨询
会员Q群
  • 会员专属群点击这里加入QQ群
客服邮箱
回到顶部