电脑桌面
添加小米粒文库到电脑桌面
安装后可以在桌面快捷访问

轧钢电网的动态无功补偿及谐波滤波技术VIP免费

轧钢电网的动态无功补偿及谐波滤波技术_第1页
1/10
轧钢电网的动态无功补偿及谐波滤波技术_第2页
2/10
轧钢电网的动态无功补偿及谐波滤波技术_第3页
3/10
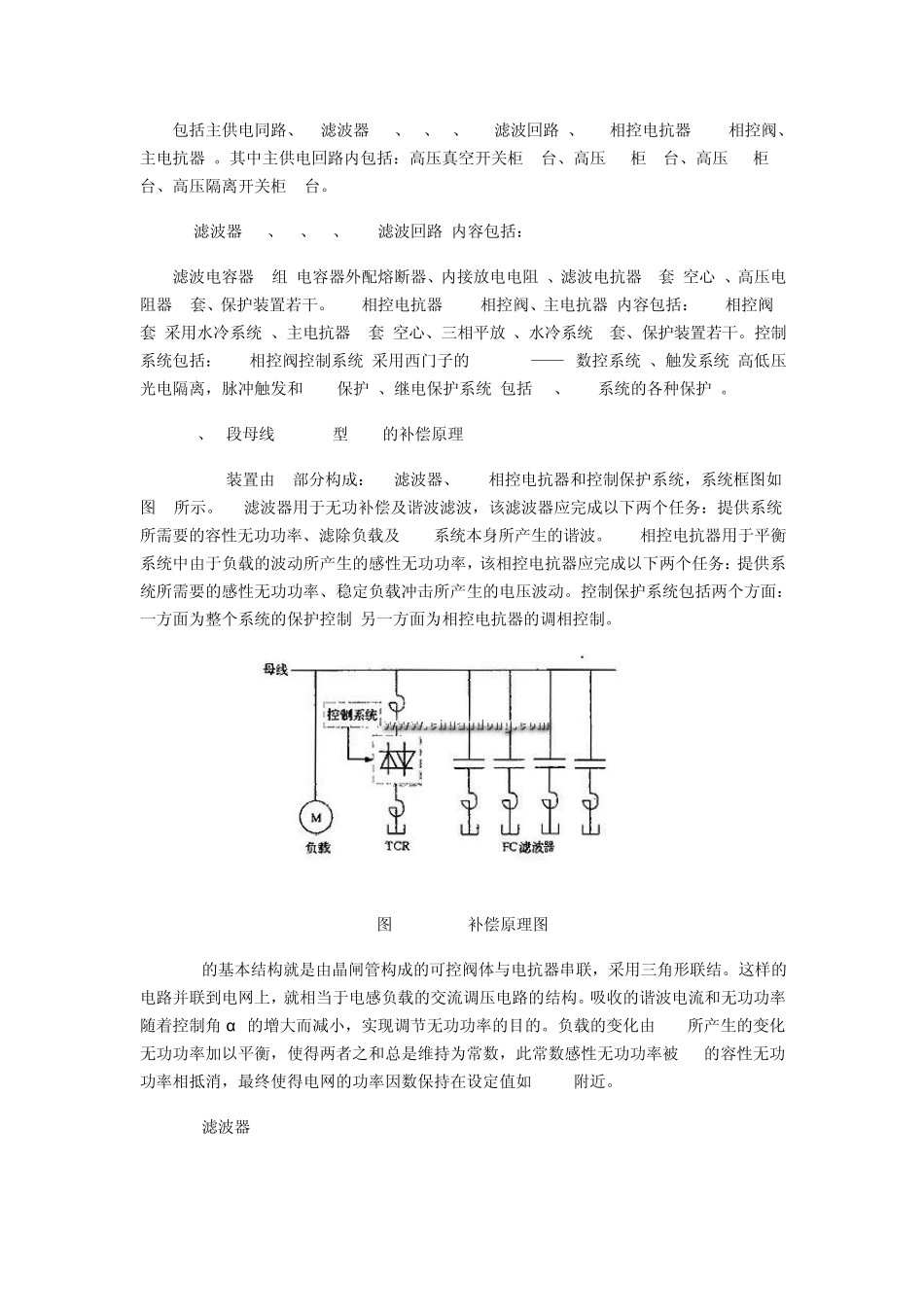
轧钢电网的动态无功补偿及谐波滤波技术 1、概述 莱钢l500mm热轧带钢工程由10kV供电,主要负载为粗轧机、精轧机、辅传动及动力负荷等,其中粗轧机有交交变频调速电动机2 台,每台功率4500 kW,F1~F3精轧机有交交变额调速电动机3台,每台4000 kW,F4~F6精轧机有交交变频调速电动机3台,每台3500kW,直流辅助传动负载共计1500kW,飞剪直流传动负载共计435kW,卷筒、活套等直流传动负载共计680kW,其他负荷为交直变变频驱动负载,共计约7300kW。 负载的特点为轧机负载容量大,是电网产生波动的根源,其中尤以初轧机的冲击负荷最大;R1初轧机和F1~F6精轧机负载均为交交变频负载,具有旁频谐波:整流负载按12 脉波整流配置,其特征谐波为12k±1 次,谐波含量5次、7次较小,11 次、13次较大。轧制规格、品种及工艺情况不同时,其产生的无功和谐波量有很大不同。 对上述负载的总体动态无功补偿及谐波滤波的设计是必要的。无功补偿及谐波滤波设计需要解决轧机及其辅传动所产生的无功及谐波,以达到提升运行功率因数,大幅度降低无功损耗,有效消除或抑制谐波含量和电压畸变,使其达到国家标准的要求。 2、无功补偿设计应用 根据莱钢l500mm热轧带钢工程供电系统图,供电为10kV两段母线供电。I段母线主要包括 R1初轧机、F1~F6精轧机主传动部分,丰要矛盾是无功冲击、电压波动及谐波滤波;Ⅱ段母线主要包括辅传动及其他辅助负载,主要矛盾是无功补偿。I段母线因含有R1初轧机、F1~F6精轧机,负载冲击很大;II段母线为辅助负载,比较平稳。因此本方案拟在 I段母线上安装一套FC TCR型 SVC(静止型动态无功补偿及谐波滤波装置)系统,在 II段母线上安装一套FC滤波装置。这种方式的优点是: 1)I段母线电网上安装 SVC系统,可以连续调节无功补偿量,功态响应速度快,可以解决主轧机对电网的剧烈冲击,稳定电网电压,滤除谐波,充分发挥 SVC的优势,使 I段电网的功率因数保持在整定值 0.95以上。 2)Ⅱ段母线的主要负载为辅传动,负载的冲击很小,安装套静态滤波装置可以节约投资,同时又能满足电网要求。Ⅱ段母线的功率因数补偿指标设计为#gt;0.92。 3)两段的综合效果为动态无功补偿及谐波滤波。 2.1、系统的构成 包括主供电同路、FC滤波器(H3、H5、H7、H11滤波回路)、TCR相控电抗器(TCR相控阀、主电抗器)。其中主供电回路内包括:高压真空开关柜2台、高压PT柜1台、高压PT柜1台、高压隔离开关柜4台。 FC滤波器(H3、H5、H7、H11滤波回路)内...

1、当您付费下载文档后,您只拥有了使用权限,并不意味着购买了版权,文档只能用于自身使用,不得用于其他商业用途(如 [转卖]进行直接盈利或[编辑后售卖]进行间接盈利)。
2、本站所有内容均由合作方或网友上传,本站不对文档的完整性、权威性及其观点立场正确性做任何保证或承诺!文档内容仅供研究参考,付费前请自行鉴别。
3、如文档内容存在违规,或者侵犯商业秘密、侵犯著作权等,请点击“违规举报”。

碎片内容

轧钢电网的动态无功补偿及谐波滤波技术

您可能关注的文档

确认删除?
VIP
微信客服
  • 扫码咨询
会员Q群
  • 会员专属群点击这里加入QQ群
客服邮箱
回到顶部