电脑桌面
添加小米粒文库到电脑桌面
安装后可以在桌面快捷访问

轻型井点降水施工工法VIP免费

轻型井点降水施工工法_第1页
1/6
轻型井点降水施工工法_第2页
2/6
轻型井点降水施工工法_第3页
3/6
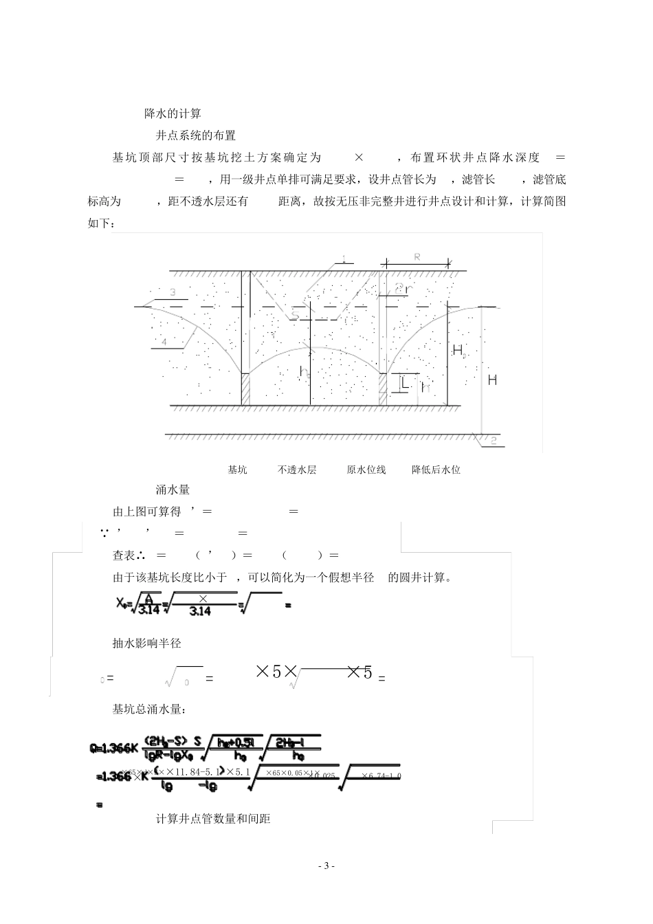
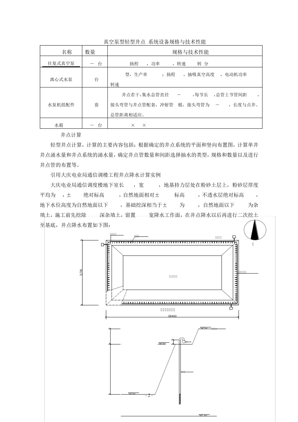
- 1 - 轻型井点降水施工工法(Z JL J-01-03-008) 中建六局二公司 袁志浩 轻型井点降水工法适用于粉砂、粉质粘土、粉土的地层,在基坑开挖之前采用此工法降水,可保证土方开挖前土壤干燥,为下步土方开挖和基础施工创造良好的施工条件。在大庆电业局通信调度楼工程施工中,采用此方法,缩短了挖土基础施工周期,节约了基坑支护费用,而且也保证了施工过程中距离基坑 8m的原有办公楼建筑物的安全,取得了良好的效果。 1.特点 1.1使用井点降水,采用机具、设备较简单,使用灵活,拆装方便。 1.2降水效果好,能使基底以上土质保持干燥,基坑底内不需再设排水沟、集水井,雨季施工雨水通过基底下渗,通过井点排出。 1.3防止流砂发生,提高边坡稳定,减少基坑边坡支护费用,特别是对易发生流砂,管涌现象的粉砂粉土,采用此方法,能有效保证降水质量和施工安全。 1.4降水期间投入人力、物力少,减少降水成本。 1.5保证邻近建(构)筑物安全。采用此工法,不破坏原土层结构,经试验和多次施工检测证明,此工法施工很少对降水附近土层产生扰动,不会因此减少邻近建筑物基础以下土层地耐力,可有效预防邻近建筑物在降水期间产生不均匀沉降或地基下陷现象的发生。 1.6根据地质条件,合理布置井点,可加快降水时间,从而加快地下挖土和基础施工进度。 2.适用范围 适用于渗透系数为 0.1-5.0m/d的土及土中含有大量的细砂和粉砂的粘土以及明沟排水易发生流砂和塌方的土壤条件。尤其在城市建筑物密集,相邻建筑新、老基础基底标高相差悬殊,且土质为粉土,粉砂的深基础施工时,可与现场实际情况结合。上部有杂填土时,先挖除上部分杂填土再进行降水施工。 3.工艺原理 根据基坑平面形状与大小,地质和水文情况,工程性质和降水深度及含水层渗透性能确定井点平面布置,当基坑宽度小于10m,且降水深度较浅时,可用单排井点布置在地下水流上游,如基坑面积较大时,可呈环形布置点井,留出挖土运输出入道路,在道路入口两侧和四角部位适当加密井点,将水井布置在含水层,降低地下水位的目的。 4.施工准备 4.1机具、设备准备 井点管:直径 50mm,长度 5~10m,管下端配有相同直径,长 1~1.5m滤管,滤管管壁上的孔眼呈梅花型布置,孔的直径为 10~15mm,其孔隙率为 20%,滤管外包两层尼龙滤网,内层为40目滤网,外层为 18目粗滤网,滤网外在再浇一层粗铁丝保护网,滤管端做成锥尖状。 离心式水泵或真空式水泵,水泵机组配件...

1、当您付费下载文档后,您只拥有了使用权限,并不意味着购买了版权,文档只能用于自身使用,不得用于其他商业用途(如 [转卖]进行直接盈利或[编辑后售卖]进行间接盈利)。
2、本站所有内容均由合作方或网友上传,本站不对文档的完整性、权威性及其观点立场正确性做任何保证或承诺!文档内容仅供研究参考,付费前请自行鉴别。
3、如文档内容存在违规,或者侵犯商业秘密、侵犯著作权等,请点击“违规举报”。

碎片内容

轻型井点降水施工工法

确认删除?
VIP
微信客服
  • 扫码咨询
会员Q群
  • 会员专属群点击这里加入QQ群
客服邮箱
回到顶部