电脑桌面
添加小米粒文库到电脑桌面
安装后可以在桌面快捷访问

轻型辊子输送机的设计计算VIP免费

轻型辊子输送机的设计计算_第1页
1/10
轻型辊子输送机的设计计算_第2页
2/10
轻型辊子输送机的设计计算_第3页
3/10
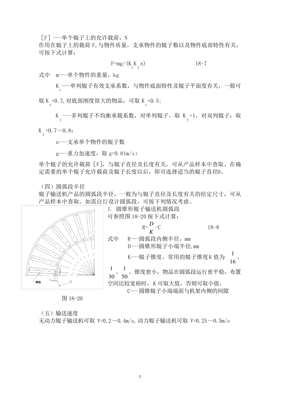
1 轻型辊子输送机的设计计算 一.原始数据 (1)辊子输送机的型式、长度以及布置方式。 (2)物品的输送量(单位时间内输送的物品件数)、输送速度、载荷在辊子输送机上的分布情况。 (3)单个物件的质量、材质、外形尺寸。 二.基本参数计算 (一)辊子长度 1.辊子输送机直线段 圆柱形辊子输送机直线段的辊子长度一般可参照图18-17,按下式计算: L=B+△B 18-1 式中 L=辊子长度,mm B=物件宽度, mm △B=宽度裕量,mm,可取△B=50~150mm 图18-17 圆柱形辊子输送机断面图 对于底部刚度很大的物件,在不影响正常输送和安全的情况下,物件宽度可大于辊子长度。 采用轮形辊子的多辊(短辊)输送机,其输送宽度一般可参照图18-18,可按下式计算: W=B+△B 18-2 式中 W=输送宽度,mm B=物件宽度,mm △ B=宽度裕量,mm,可取△B=50mm。 2 图18-18 多辊(短辊)输送机断面图 图18-19 圆弧段的圆锥形辊子 当多辊少于4 列时,只宜输送刚度大的平底物件,物件宽度应大于输送宽度,可取W=(0.7~0.8)B。 2.辊子输送机圆弧段 辊子输送机圆弧段的圆锥形辊子,其辊子长度可参照图18-19,按下式计算: l=BRLBR△22)2/()( 18-3 式中 l=圆锥形辊子长度,mm R=圆弧段内侧半径,mm B=物件宽度,mm L=物件长度,mm △B=宽度裕量,mm,可取△B=50~150mm,B 较大时取大值。 在既有直线段又有圆弧段的辊子输送机线路系统中,输送同一尺寸宽度的物件,圆弧段的辊子长度要大于直线段的辊子长度。一般取圆弧段的辊子长度作为该线路系统统一的辊子长度。 (二)辊子间距 辊子间距P 应保证一个物件始终支撑在3 个以上的辊子,一般情况下可按下式选取 P= 31 L 18-4 对要求输送平稳的物品 P=(5141 ~)L 18-5 式中 P---辊子间距mm L---物件长度mm (三) 辊子直径 辊子直径D 与辊子承载能力有关,可按下式选取: F≤[F] 18-6 式中 F---作用在单个辊子上的载荷,N 3 [F]---单个辊子上的允许载荷,N 作用在辊子上的载荷F,与物件质量,支承物件的辊子数以及物件底部特性有关,可按下式计算: F=mg/(K1 K2 n) 18-7 式中 m---单个物件的重量,kg K1 ---单列辊子有效支承系数,与物件底面特性及辊子平面度有关,一般可取K1 =0.7,对底部刚度很大的物品,可取K1 =0.5; K2 ---多列辊子不均衡承载系数,对单列辊子,取K2 =1,对双列辊子,取K2 =0.7~0.8: n---支承单个物件的辊子数 g---...

1、当您付费下载文档后,您只拥有了使用权限,并不意味着购买了版权,文档只能用于自身使用,不得用于其他商业用途(如 [转卖]进行直接盈利或[编辑后售卖]进行间接盈利)。
2、本站所有内容均由合作方或网友上传,本站不对文档的完整性、权威性及其观点立场正确性做任何保证或承诺!文档内容仅供研究参考,付费前请自行鉴别。
3、如文档内容存在违规,或者侵犯商业秘密、侵犯著作权等,请点击“违规举报”。

碎片内容

轻型辊子输送机的设计计算

小辰7+ 关注
实名认证
内容提供者

出售各种资料和文档

确认删除?
VIP
微信客服
  • 扫码咨询
会员Q群
  • 会员专属群点击这里加入QQ群
客服邮箱
回到顶部