电脑桌面
添加小米粒文库到电脑桌面
安装后可以在桌面快捷访问

轻质隔墙板安装施工工艺VIP免费

轻质隔墙板安装施工工艺_第1页
1/7
轻质隔墙板安装施工工艺_第2页
2/7
轻质隔墙板安装施工工艺_第3页
3/7
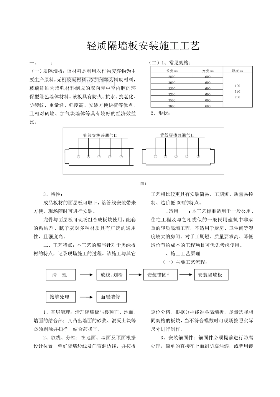
轻质隔墙板安装施工工艺一、 概况:(一)质隔墙板:该材料是利用农作物废弃物为主要生产原料,无机胶凝材料、添加剂等为辅助材料,玻璃纤维为增强材料制成的双向带中空内腔的环保型绿色墙体材料。该板具有防火、抗水、抗老化、防裂纹、重量轻、强度高、安装方便快捷等优点,且相对砖墙、加气块墙体等具有较好的经济效益比。(二)1、常见规格:长度 mm宽度 mm厚度 mm2800600100120200300060032006003300600350060038006002、形状:管线穿梭兼通气口管线穿梭兼通气口图 13、特性:成品板材的面层板可取下,给管线安装带来方便,现场随时可进行安装。龙骨与面层板可现场组合成板块使用。配套的粘结剂、腻子灰对多种材质具有广泛的通用性,且强度高。二、工艺特点:本工艺的编写针对于奥绿板材的特点,记录现场施工的过程。该施工与其它工艺相比较更具有安装简易、工期短、质量易控制、造价低 30%的特点。三、适用范围:本工艺标准适用于一般公用、住宅工程及与之相类似的一般民用建筑中非承重的轻质隔墙工程,不适用于厨房、卫生间等湿度较大的房间。对于工期短、质量要求高、降低造价节约成本的工程项目可优先考虑使用。四、施工工艺原理(一)主要工艺流程:1、基层清理:清理隔墙板与楼顶面、地面、墙面的结合部:凡凸出墙面的砂浆、混凝土块等必须剔除并扫净,结合部找平。2、放线、分档:在地面、墙面及顶面根据设计位置,弹好隔墙边线及门窗洞边线,并按板定位分档。根据分档线准备隔墙板,尽量选择相同规格的板块,当不符合模数时可现场按照实际尺寸进行制作。3、安装锚固件:锚固件必须提前进行防腐处理,简单的直接在上面刷防腐油漆,或者用镀清理放线、划档安装锚固件安装隔墙板接缝处理面层装修锌的。墙板上部锚固件呈“U”型,又称 U 型卡。只安装板墙上口固定板墙,安装原理见下图:隔墙板型卡(自攻螺丝固定)楼板或梁底膨胀螺栓图 2安装墙板上顶的U 型锚固件为保证强度满足设计要求,应按设计规范要求用 U 形钢板卡固定条板的顶端,间距 500mm。在两块条板顶端拼缝之间用射钉将U形钢板卡固定在梁或板上。侧面的锚固件为与板块同质的龙骨,相当于边龙骨与墙或柱子连接,将成品边龙骨按照事先画好的线用射钉锚固在柱或墙上,在侧面刷好白乳胶,然后将板块拼接上,将面层板压实并用汽钉钉上。原理如下图:板墙主龙骨边龙骨副龙骨射钉墙(柱)面层板汽钉白乳胶密封图 3安装墙板侧面的边龙骨锚固件安装好以后要进行检查其垂直度...

1、当您付费下载文档后,您只拥有了使用权限,并不意味着购买了版权,文档只能用于自身使用,不得用于其他商业用途(如 [转卖]进行直接盈利或[编辑后售卖]进行间接盈利)。
2、本站所有内容均由合作方或网友上传,本站不对文档的完整性、权威性及其观点立场正确性做任何保证或承诺!文档内容仅供研究参考,付费前请自行鉴别。
3、如文档内容存在违规,或者侵犯商业秘密、侵犯著作权等,请点击“违规举报”。

碎片内容

轻质隔墙板安装施工工艺

确认删除?
VIP
微信客服
  • 扫码咨询
会员Q群
  • 会员专属群点击这里加入QQ群
客服邮箱
回到顶部