电脑桌面
添加小米粒文库到电脑桌面
安装后可以在桌面快捷访问

轻钢结构别墅安装指南VIP免费

轻钢结构别墅安装指南_第1页
1/10
轻钢结构别墅安装指南_第2页
2/10
轻钢结构别墅安装指南_第3页
3/10
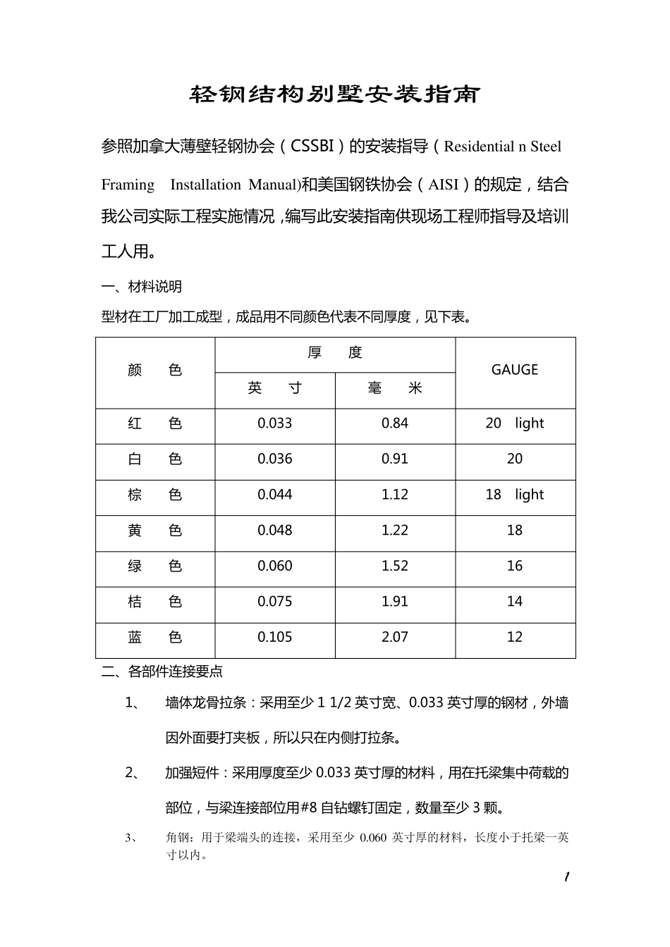
1 轻钢结构别墅安装指南 参 照 加 拿 大 薄 壁 轻 钢 协 会 ( CSSBI) 的 安 装 指 导 ( Residential n Steel Framing Installation Manu al)和 美 国 钢 铁 协 会 ( AISI) 的 规 定 , 结 合我 公 司 实 际 工 程 实 施 情 况 , 编 写 此 安 装 指 南 供 现 场 工 程 师 指 导 及 培 训工 人 用 。 一 、材料说明 型材在工 厂加 工 成型, 成品用 不同颜色代表不同厚度, 见下表。 颜 色 厚 度 GAUGE 英 寸 毫 米 红 色 0.033 0.84 20 light 白 色 0.036 0.91 20 棕 色 0.044 1.12 18 light 黄 色 0.048 1.22 18 绿 色 0.060 1.52 16 桔 色 0.075 1.91 14 蓝 色 0.105 2.07 12 二、各部件连接要点 1、 墙体龙骨拉条:采用 至少 1 1/2 英寸宽、0.033 英寸厚的 钢 材, 外墙因外面要打夹板, 所以只在内侧打拉条。 2、 加 强短件:采用 厚度至少 0.033 英寸厚的 材料, 用 在托梁集中荷载的部位, 与梁连接部位用 #8 自钻螺钉固定 , 数量至少 3 颗。 3、 角钢:用于梁端头的连接,采用至少 0.060 英寸厚的材料,长度小于托梁一英寸以内。 2 三 、螺钉连接要求 (一)螺钉要求 1、螺钉尺寸(见下表) 螺钉尺寸 螺钉头种类 螺钉直径 可连接钢板厚度 英寸 毫米 英寸 毫米 #8 #2 尖头 0.164 4.2 0.035~0.100 0.89~2.54 #8 #3 钻头 0.164 4.2 0.100~0.140 2.79~3.56 #10 #3 钻头 0.190 4.8 0.110~0.175 2.79~4.45 #12 #3 钻头 0.216 5.5 0.090~0.210 2.29~5.33 2、穿透度:所有螺钉在穿透材料后应外露至少三 扣。 3、边缘长度:从螺钉到构件边缘的距离应不小于 1.5 倍螺钉直径。 4、螺钉之间中心间距应不小于 2.5 倍螺钉直径。 5、1 英寸=25.4mm,1 英尺=304.8 mm (二)木材和钢材的连接 木板和钢托梁连接时,采用#10*1.5 英寸(38mm)自钻钉,还有#8*1.25 英寸的自钻螺钉也经常使用;板边缘的螺钉间距为 6 英寸,中间部位的螺钉间距为12 英寸,螺钉距离板边缘应不小于 3/8 英寸(10mm)。 (三 )内部非承重框架的连接 内部非承重框架的连接通常采用的标准连接钉是#6*7/16 英寸 (11mm)的尖头螺钉。 (四)内覆面的石膏板、纤维板或胶合板的连接 如钢材厚度达到 0.033 英寸(0.84mm),连接墙板应...

1、当您付费下载文档后,您只拥有了使用权限,并不意味着购买了版权,文档只能用于自身使用,不得用于其他商业用途(如 [转卖]进行直接盈利或[编辑后售卖]进行间接盈利)。
2、本站所有内容均由合作方或网友上传,本站不对文档的完整性、权威性及其观点立场正确性做任何保证或承诺!文档内容仅供研究参考,付费前请自行鉴别。
3、如文档内容存在违规,或者侵犯商业秘密、侵犯著作权等,请点击“违规举报”。

碎片内容

轻钢结构别墅安装指南

确认删除?
VIP
微信客服
  • 扫码咨询
会员Q群
  • 会员专属群点击这里加入QQ群
客服邮箱
回到顶部