电脑桌面
添加小米粒文库到电脑桌面
安装后可以在桌面快捷访问

轿车和厢式车外覆盖件表面质量奥迪特标准(暂行)VIP免费

轿车和厢式车外覆盖件表面质量奥迪特标准(暂行)_第1页
1/10
轿车和厢式车外覆盖件表面质量奥迪特标准(暂行)_第2页
2/10
轿车和厢式车外覆盖件表面质量奥迪特标准(暂行)_第3页
3/10
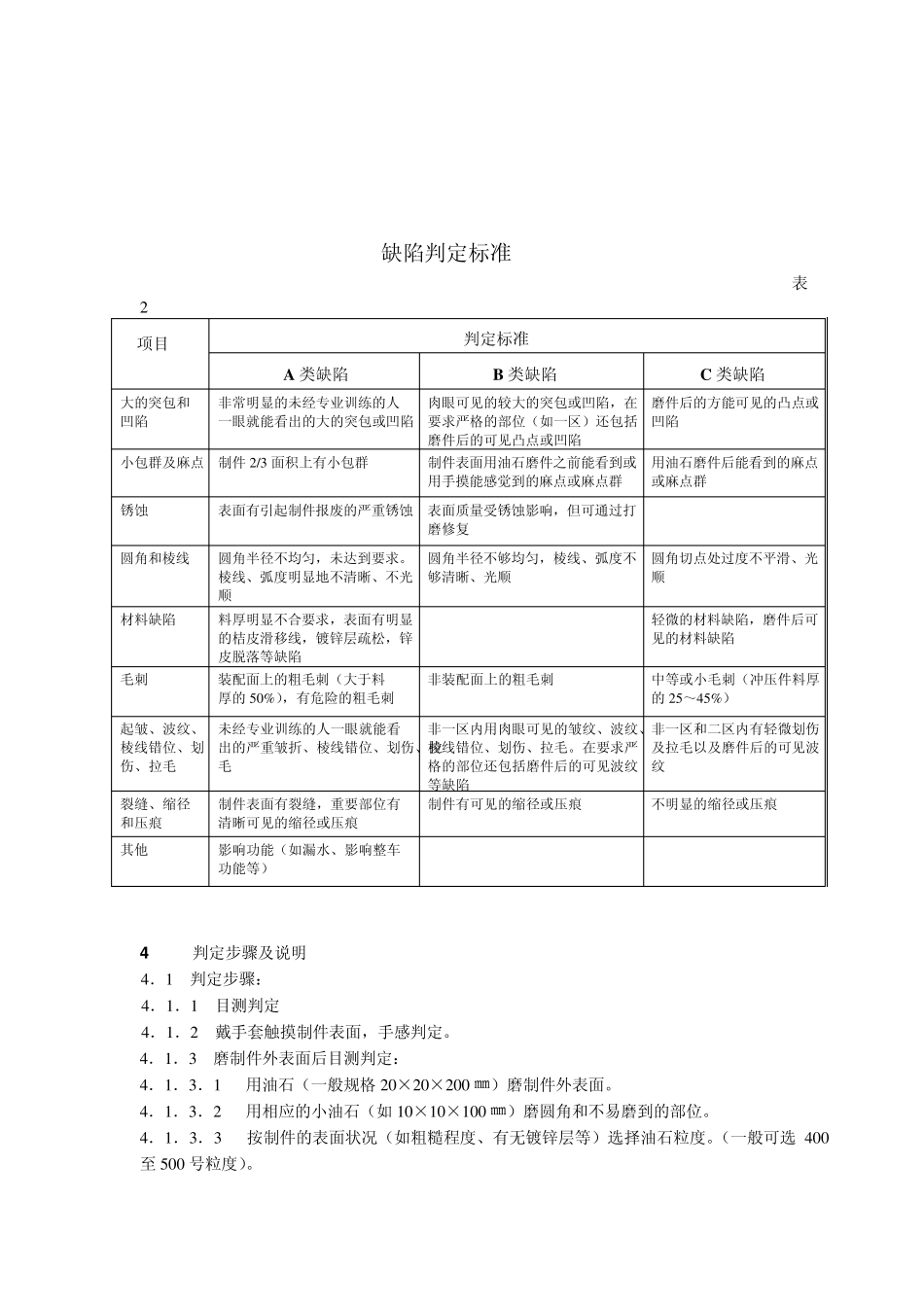
轿车和厢式车外覆盖件表面质量奥迪特(ADT)标准 (暂行) 1. 主题内容与适用范围 本标准规定了轿车和厢式车外覆盖件表面质量 ADT等级的评定方法。 标准参照一汽大众公司提供的轿车和厢式车外覆盖件表面质量的验收标准编写而成,适用于模具制造厂家对轿车和厢式车外覆盖件表面质量的出厂检查。 2. 缺陷类别和缺陷点数 2.1 缺陷类别 2.1.1 A 类缺陷 A 类缺陷是指超出规定很大的偏差,是没有经验的顾客也能发现的缺陷。该缺陷能引起严重的功能障碍(如渗水、整车安全性等)。 2.1.2 B 类缺陷 B 类缺陷一般指在用油石磨件之前就能摸出或看出的表面缺陷。 2.1.3 C 类缺陷 在目视难以发现或手摸也较难确认的情况下,经用油石磨过冲压件后能看到的缺陷,一般都是 C 类缺陷。 2.2 缺陷点数 缺陷点数是按缺陷类别和缺陷所在区域来评定的。缺陷所在区域质量要求越高,缺陷越严重,则缺陷点数越高。具体见表 1 所示。 缺陷点数表 表 1 缺陷类别 缺陷所在区域 一区 二区 三区 A 类 100 点 B 类 40 点 30 点 10 点 C 类 20 点 10 点 5 点 2.3 说明 2.3.1 外覆盖件表面不允许存在 A 类缺陷或 B 类缺陷。 2.3.2 车身件根据其在整车中的位置,分为三个缺陷区域(一区、二区、三区—详见第五条) 2.3.3 A 类缺陷不按区域评定缺陷点数,B 类缺陷、C 类缺陷按区域评定缺陷点数。这个原则适用于所有车身件。 3. 缺陷判定标准 各类缺陷的判定可按表 2 执行。 缺陷判定标准 表2 项目 判定标准 A 类缺陷 B 类缺陷 C 类缺陷 大的突包和 凹陷 非常明显的未经专业训练的人 一眼就能看出的大的突包或凹陷 肉眼可见的较大的突包或凹陷,在 要求严格的部位(如一区)还包括 磨件后的可见凸点或凹陷 磨件后的方能可见的凸点或 凹陷 小包群及麻点 制件 2 /3 面积上有小包群 制件表面用油石磨件之前能看到或 用手摸能感觉到的麻点或麻点群 用油石磨件后能看到的麻点 或麻点群 锈蚀 表面有引起制件报废的严重锈蚀 表面质量受锈蚀影响,但可通过打 磨修复 圆角和棱线 圆角半径不均匀,未达到要求。 棱线、弧度明显地不清晰、不光 顺 圆角半径不够均匀,棱线、弧度不 够清晰、光顺 圆角切点处过度不平滑、光 顺 材料缺陷 料厚明显不合要求,表面有明显 的桔皮滑移线,镀锌层疏松,锌 皮脱落等缺陷 轻微的材料缺陷,磨件后可 见的材...

1、当您付费下载文档后,您只拥有了使用权限,并不意味着购买了版权,文档只能用于自身使用,不得用于其他商业用途(如 [转卖]进行直接盈利或[编辑后售卖]进行间接盈利)。
2、本站所有内容均由合作方或网友上传,本站不对文档的完整性、权威性及其观点立场正确性做任何保证或承诺!文档内容仅供研究参考,付费前请自行鉴别。
3、如文档内容存在违规,或者侵犯商业秘密、侵犯著作权等,请点击“违规举报”。

碎片内容

轿车和厢式车外覆盖件表面质量奥迪特标准(暂行)

您可能关注的文档

确认删除?
VIP
微信客服
  • 扫码咨询
会员Q群
  • 会员专属群点击这里加入QQ群
客服邮箱
回到顶部