电脑桌面
添加小米粒文库到电脑桌面
安装后可以在桌面快捷访问

过滤器设计计算书VIP免费

过滤器设计计算书_第1页
1/6
过滤器设计计算书_第2页
2/6
过滤器设计计算书_第3页
3/6
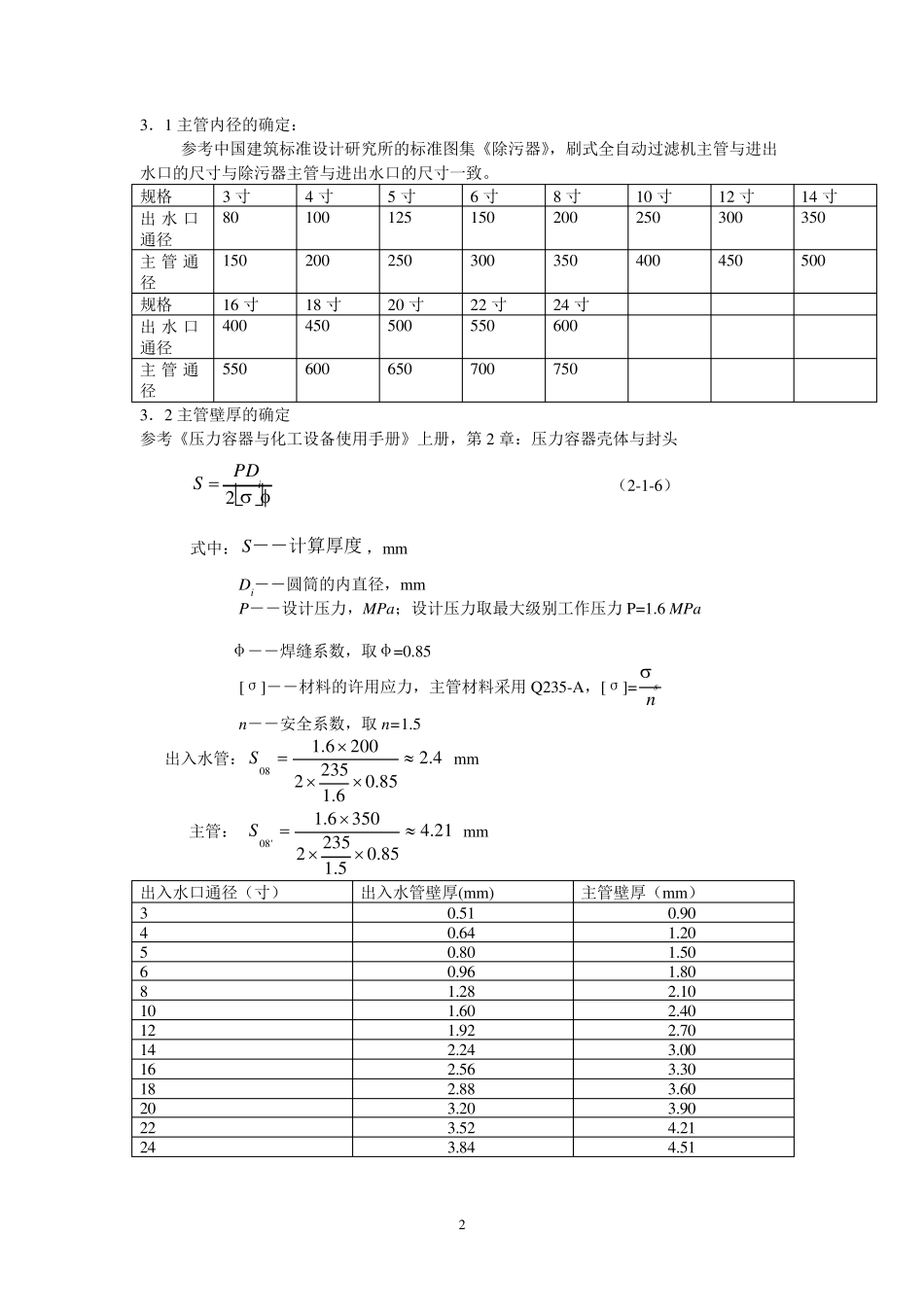
设计计算书 产品/项目名称:过滤器 编制人/日期: 审核人/日期: 批准人/日期: 1 1. 滤芯截面尺寸的确定 为了不增加水流水阻,滤芯过水截面积应等于管子的截面 积,即滤芯的直径应等于公称通径(DDN)。如右图所示阴影部分的面积为管子公称通径的截面积。 8 寸管的公称通径为 200m m ,滤芯的直径为200m m 8 吋过滤机公称通径的截面积 24221014.342004mmDADNDN 2. 滤芯长度的确定 2.1. 根据SH/T3411-1999《石油化工泵用过滤器选用、检验及验收》:滤网流通面积取值1.6 倍公称通径截面积,本项目取1.6。样机有一个圆过滤面,如右图所示: DNDNAKLD6.1 式中: K--------方孔筛网的开孔率为10% ∴80010.020014.31014.36.16.14KDALDNDN 经画图,调整比例,L 取700m m。 则mmLADDNDN22870010.014.31014.36.1πK6.14 滤芯直径圆整取230m m 。 同理可计算 3~24 寸滤芯直径和长度 出入水口通径(寸) 滤芯直径 滤芯长度 3 90 300 4 140 300 5 160 400 6 200 460 8 230 700 10 280 900 12 360 1000 14 410 1200 16 460 1400 18 510 1600 20 560 1800 22 605 2000 24 655 2200 3. 主管的确定 2 3.1 主管内径的确定: 参考中国建筑标准设计研究所的标准图集《除污器》,刷式全自动过滤机主管与进出水口的尺寸与除污器主管与进出水口的尺寸一致。 规格 3 寸 4 寸 5 寸 6 寸 8 寸 10 寸 12 寸 14 寸 出水口通径 80 100 125 150 200 250 300 350 主管通径 150 200 250 300 350 400 450 500 规格 16 寸 18 寸 20 寸 22 寸 24 寸 出水口通径 400 450 500 550 600 主管通径 550 600 650 700 750 3.2 主管壁厚的确定 参考《压力容器与化工设备使用手册》上册,第2 章:压力容器壳体与封头  2iPDS  (2-1-6) 式中:--计算厚度S,m m Di――圆筒的内直径,m m P――设计压力,MPa;设计压力取最大级别工作压力P=1.6 MPa φ――焊缝系数,取φ=0.85 [σ]――材料的许用应力,主管材料采用Q235-A,[σ]= ns n――安全系数,取n=1.5 出入水管:4.285.06.123522006.108S m m 主管: 21.485.05.123523506.1'08S m m 出入水口通径(寸) 出入水管壁厚(m m ) 主管壁厚(m m ) 3 0.5...

1、当您付费下载文档后,您只拥有了使用权限,并不意味着购买了版权,文档只能用于自身使用,不得用于其他商业用途(如 [转卖]进行直接盈利或[编辑后售卖]进行间接盈利)。
2、本站所有内容均由合作方或网友上传,本站不对文档的完整性、权威性及其观点立场正确性做任何保证或承诺!文档内容仅供研究参考,付费前请自行鉴别。
3、如文档内容存在违规,或者侵犯商业秘密、侵犯著作权等,请点击“违规举报”。

碎片内容

过滤器设计计算书

确认删除?
VIP
微信客服
  • 扫码咨询
会员Q群
  • 会员专属群点击这里加入QQ群
客服邮箱
回到顶部