电脑桌面
添加小米粒文库到电脑桌面
安装后可以在桌面快捷访问

塑钢门窗施工方案VIP免费

塑钢门窗施工方案_第1页
1/11
塑钢门窗施工方案_第2页
2/11
塑钢门窗施工方案_第3页
3/11
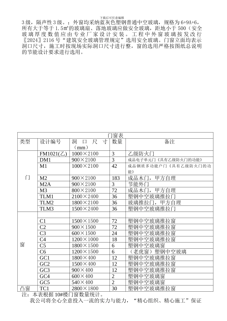
下载后可任意编辑塑钢门窗施工方下载后可任意编辑案电影器材公司小区改造工程编 制 目 录一、工程概况二、图纸对施工要求三、施工准备四、机械设备的选择与布置五、施工步骤六、质量计划与目标七、施工组织管理体系八、保证工程进度的措施九、质量保证体系及措施十、安全生产及文明施工保证措施十一、验收程序十二、建立用户回访、维修制度一. 工程概况 该工程为晶宫*国际城 10#楼,结构形式为砖混结构。结构层数为地上六层+跃层。使用功能为公用住宅楼,建筑总高度 21.095 米,总建筑面积4224.75 平方米。本工程建筑外门窗抗风压性能分级为 3 级,气密性能分级为 3 级,水密性下载后可任意编辑3 级,隔声性 3 级。;外窗均采纳蓝灰色塑钢普通中空玻璃,规格为 6+9A+6,所有大于等于 1.5㎡的玻璃扇、落地玻璃应做安全玻璃,距地小于 500(安全玻 璃 厚 度 数 值 应 由 专 业 厂 家 设 计 安 装 。 工 程 中 外 窗 玻 璃 按 发 改 行〖2024〗2116 号“建筑安全玻璃管理规定”选用安全玻璃。门窗立面均表示洞口尺寸,施工时按现场实际洞口尺寸进行整,窗的选用严格按图纸总说明的节能设计要求进行选用。门窗表类型设计编号洞口尺寸(mm)数量备注门FM1021(乙)1000×21003乙级防火门DM1900×21003成品电子单元门《具有乙级防火门的功能》M11000×210042成品钢质多功能户门《具有乙级防火门的功能》M2900×2100183成品木门,甲方自理M2A900×21003节能外门M3800×210072成品木门,甲方自理TLM12100×240036塑钢中空玻璃推拉门TLM21800×210036玻璃推拉门,甲方自理TLM31500×240036塑钢中空玻璃推拉门窗C11500×150072塑钢中空玻璃推拉窗C2900×150072塑钢中空玻璃推拉窗C3600×150024塑钢中空玻璃推拉窗C41200×100018塑钢中空玻璃推拉窗C51800×15006塑钢中空玻璃窗C61200×15006(老虎窗)塑钢中空玻璃GC11800×40012塑钢中空玻璃推拉窗GC21500×40012塑钢中空玻璃推拉窗GC3900×40012塑钢中空玻璃推拉窗GC4600×4002塑钢中空玻璃窗GC5540×4002塑钢中空玻璃窗凸窗TC12800×180030塑钢中空玻璃推拉窗注:本表根据 10#楼门窗数量统计。我公司将全心全意投入一流的实力与能力,“精心组织、精心施工”保证下载后可任意编辑其全部工程的完美实现与体现。二、图纸对施工的要求(一) 严格按国家施工法律规范施工(二) 严格按图纸节能设计要求施工,参照夏热冬冷地区居住建筑节能设计一览表。(三)...

1、当您付费下载文档后,您只拥有了使用权限,并不意味着购买了版权,文档只能用于自身使用,不得用于其他商业用途(如 [转卖]进行直接盈利或[编辑后售卖]进行间接盈利)。
2、本站所有内容均由合作方或网友上传,本站不对文档的完整性、权威性及其观点立场正确性做任何保证或承诺!文档内容仅供研究参考,付费前请自行鉴别。
3、如文档内容存在违规,或者侵犯商业秘密、侵犯著作权等,请点击“违规举报”。

碎片内容

塑钢门窗施工方案

您可能关注的文档

确认删除?
VIP
微信客服
  • 扫码咨询
会员Q群
  • 会员专属群点击这里加入QQ群
客服邮箱
回到顶部