电脑桌面
添加小米粒文库到电脑桌面
安装后可以在桌面快捷访问

塔式起重机安拆施工方案审批表VIP免费

塔式起重机安拆施工方案审批表_第1页
1/31
塔式起重机安拆施工方案审批表_第2页
2/31
塔式起重机安拆施工方案审批表_第3页
3/31
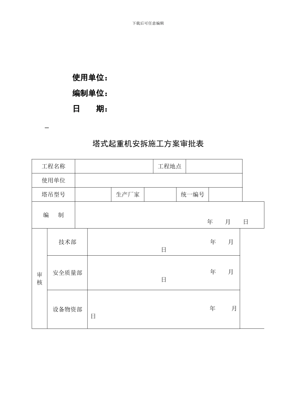
下载后可任意编辑 岱海发电厂 2X600MW 机组烟气脱硝改造工程D1100 塔式起重机 安拆施工方案 下载后可任意编辑 使用单位:编制单位:日 期: 塔式起重机安拆施工方案审批表 工程名称工程地点使用单位塔吊型号生产厂家统一编号编 制 年 月 日审核技术部 年 月 日安全质量部 年 月 日设备物资部年 月 日下载后可任意编辑审批总师室年 月 日 目 录一、工程概况、塔机说明及编制依据 4 1 、工程概况 4 2 、塔吊技术参数 5 二、编制依据 6 三、工程管理目标 6 1 、质量目标 6 2 、工期目标 7 3 、安全管理目标 7 4 、 人员组织 7 4 、基础制作与验收 8 1 、混凝土基础制作及施工 8 2 、基础接地 9 五、安装前的准备工作 10 1 、塔机入场前使用单位项目部现场的准备工作 10 2 、塔机安装前本公司的准备工作 10 六、塔机基础的验收 11 七、塔机的安装 12 1 、安装工艺流程 12 2 、安装过程 12 八、顶升加节 19 下载后可任意编辑九、塔机安装完成投入使用前检查 20 附录一:安全措施及注意事项 20 1 、塔吊安装安全措施 20 2 、塔吊安装的施工安全措施 21 3 、塔吊顶升安全操作规程 22 附录二:安全事故处理应急措施(应急预案) 23 1 、应急准备 23 2 、施工现场的急救步骤 24 3 、现场抢救注意事项 24 附录三: 27 1 、 200 吨汽车吊起重性能表 27 2 、塔吊拆除作业活动危险辨识与危险评价表 27 3 、塔吊安全交底记录表 30 一、工程概况、塔机说明及编制依据1、工程概况该工程为内蒙岱海发电有限公司 2X600MW 机组烟气 SCR 脱硝改造工程,因工程需要安装 D1100-63 塔吊 1 台,安装臂长为 80 米。安装高度为独立高度,为安全、顺利完成各塔吊的安装施工,特编制本方案。2、塔吊技术参数本塔机为长沙中联重工科技进展股份有限公司生产的 D1100 塔式起重机,最大工作幅度 80m,独立高度 92m,最大起重量 63t,末端起重量 9.6t。塔身标准节规格都为 4000*4000*5700。下载后可任意编辑主要构件重量表:序号名称规格(m)数量单重(kg)备注1支腿8.9×8.9×6.617804 个2标准节4.0×4.0×5.773003顶升套架5.66×7.025×13.551 件320004回转总成3.91×2.80×3.301 件235005塔头8.99×1.56×1.451 件45406臂架总成59×1.50×1.51 件408007平衡臂总成23.54×2.20×2.501 件259308平衡重1.7×2.92×1.554 块63001.7×5...

1、当您付费下载文档后,您只拥有了使用权限,并不意味着购买了版权,文档只能用于自身使用,不得用于其他商业用途(如 [转卖]进行直接盈利或[编辑后售卖]进行间接盈利)。
2、本站所有内容均由合作方或网友上传,本站不对文档的完整性、权威性及其观点立场正确性做任何保证或承诺!文档内容仅供研究参考,付费前请自行鉴别。
3、如文档内容存在违规,或者侵犯商业秘密、侵犯著作权等,请点击“违规举报”。

碎片内容

塔式起重机安拆施工方案审批表

确认删除?
VIP
微信客服
  • 扫码咨询
会员Q群
  • 会员专属群点击这里加入QQ群
客服邮箱
回到顶部