电脑桌面
添加小米粒文库到电脑桌面
安装后可以在桌面快捷访问

外墙节能施工方案VIP免费

外墙节能施工方案_第1页
1/18
外墙节能施工方案_第2页
2/18
外墙节能施工方案_第3页
3/18
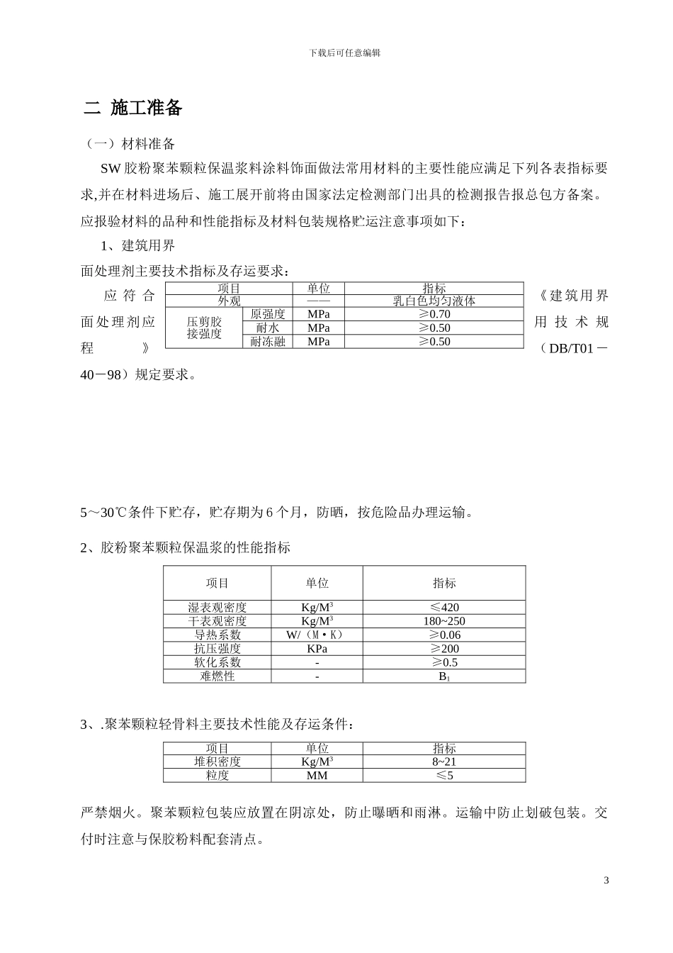
下载后可任意编辑丹寨县第三期廉租房工程外墙保温节能施工方案编 制: 初 审(项目经理): 审 核(公司质安处处长): 批 准(公司总工程师): 编制单位:黔东南州建筑工程总公司二○○九年五月十六日一、外墙及屋面节能设计:1下载后可任意编辑(一)本工程外墙及屋面节能设计基本构造作法如图: (二)本方案适用于使用胶粉聚苯颗粒作为保温层,在各种基层墙体的外墙外保温饰面涂料施工作业控制,保温层厚度依设计厚度。该保温结构体系简介如下:胶粉聚苯颗粒外墙外保温技术由界面层、保温层、抗裂防护层和饰面层组成。保温层由胶粉料和聚苯颗粒轻骨料加水搅拌成浆料,抹于墙体表面,形成无空腔保温层。抗裂防护层增强了面层柔性变形、抗裂及防水性能。饰面可由各种类型的外墙涂料进行装饰。该体系适用各类新建建筑保温工程和既有建筑节能改造工程。饰面为涂料的(三)编制依据 工程设计图纸及说明 GB50411-2024《建筑节能工程施工质量验收法律规范》 GB50300-2001《建筑装饰装修工程质量验收法律规范》 GB50300-2001《建筑工程施工质量验收统一标准》 GB50203-2024《砌体工程施工质量验收法律规范》 GB50204-2024《混凝土结构工程施工质量验收法律规范》 JG 158-2024 建筑行业标准《胶粉聚苯颗粒外墙外保温系统》 DBJ/T01-50-2024《外墙外保温施工技术规程(胶粉聚苯颗粒浆料玻纤网格布砂浆做法)》外墙面屋 面2下载后可任意编辑 二 施工准备(一)材料准备SW 胶粉聚苯颗粒保温浆料涂料饰面做法常用材料的主要性能应满足下列各表指标要求,并在材料进场后、施工展开前将由国家法定检测部门出具的检测报告报总包方备案。应报验材料的品种和性能指标及材料包装规格贮运注意事项如下:1、建筑用界面处理剂主要技术指标及存运要求: 应 符 合《建筑用界面处理剂应用 技 术 规程》(DB/T01-40-98)规定要求。 5~30℃条件下贮存,贮存期为 6 个月,防晒,按危险品办理运输。2、胶粉聚苯颗粒保温浆的性能指标3、.聚苯颗粒轻骨料主要技术性能及存运条件:严禁烟火。聚苯颗粒包装应放置在阴凉处,防止曝晒和雨淋。运输中防止划破包装。交付时注意与保胶粉料配套清点。项目单位指标外观——乳白色均匀液体压剪胶接强度原强度MPa≥0.70耐水MPa≥0.50耐冻融MPa≥0.50项目单位指标湿表观密度Kg/M3≤420干表观密度Kg/M3180~250导热系数W/(M·K)≥0.06抗压强度KPa≥200软化系数-≥0.5难燃性-B1项目单位指标堆积密度Kg...

1、当您付费下载文档后,您只拥有了使用权限,并不意味着购买了版权,文档只能用于自身使用,不得用于其他商业用途(如 [转卖]进行直接盈利或[编辑后售卖]进行间接盈利)。
2、本站所有内容均由合作方或网友上传,本站不对文档的完整性、权威性及其观点立场正确性做任何保证或承诺!文档内容仅供研究参考,付费前请自行鉴别。
3、如文档内容存在违规,或者侵犯商业秘密、侵犯著作权等,请点击“违规举报”。

碎片内容

外墙节能施工方案

确认删除?
VIP
微信客服
  • 扫码咨询
会员Q群
  • 会员专属群点击这里加入QQ群
客服邮箱
回到顶部