电脑桌面
添加小米粒文库到电脑桌面
安装后可以在桌面快捷访问

外脚手架工程施工方案VIP免费

外脚手架工程施工方案_第1页
1/18
外脚手架工程施工方案_第2页
2/18
外脚手架工程施工方案_第3页
3/18
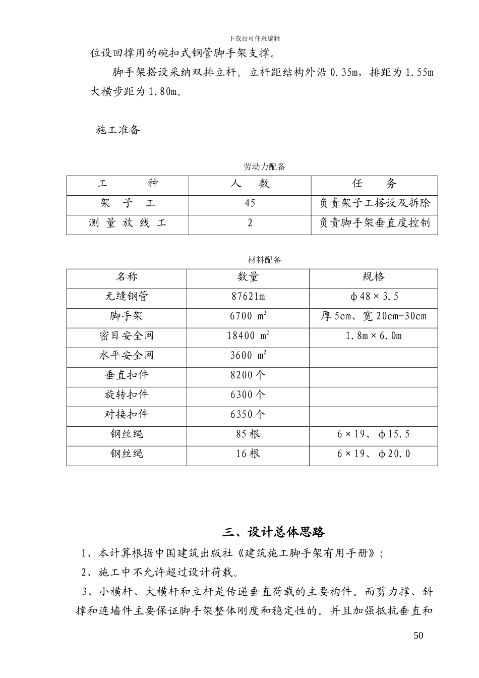
下载后可任意编辑一、工程概况 本工程为随州碧桂园一期翠岭钟鸣别墅区样板房工程,联排别墅工15栋:户型共6个,分别为:S1-4、A3-a、A10-a、A1-a、A7-a、S7-4。建筑总高度为13.5m,15栋合计总面积:11449.63m。施工现场“三通一平”工作已基本就绪, 外地面已做硬底化。二、编制依据,施工部署1、各栋号建施、结施图纸。2、《建筑施工扣件式钢管脚手架安全技术法律规范》;《建筑施工交处作业安全技术法律规范》;《武汉市建筑工程施工安全操作规程》。3、安全防护领导小组:安全生产(1)、安全防护领导小组 安全生产、文明施工是企业生存与进展的前提条件,是达到无重大伤亡事故的必定保障,也是我项目部创建“文明现场”、“样板施工场地”的根本要求。为此项目部成立以生产副经理为组长的安全防护领导小组,其机构组成、人员编制及责任分工如下: 组 长:包文喜→技术总部署 副组长:王小君→负责协调工作 王连喜(安全员)→现场施工指挥,质量检查。江德(全员)→现场施工指挥,质量检查。 4、设计总体思路 结全本工程结构形式、实际施工特点,建筑物四周搭设落地式、全高全封的扣件式比排管脚手架。此架为一架三用,既用于结构施工和装修施工,同时兼作安全防护。荷载按装修荷载考虑,要求三层同作业。根据设计单位提供的顶板承械极限值(活荷载 5KN/m2、恒荷载KN/m2要进行顶板承载验算,若不满足要求,则须在地下 1-2 层响应部 49下载后可任意编辑位设回撑用的碗扣式钢管脚手架支撑。 脚手架搭设采纳双排立杆。立杆距结构外沿 0.35m,排距为 1.55m大横步距为 1.80m。 施工准备劳动力配备工 种人 数任 务架 子 工45负责架子工搭设及拆除测 量 放 线 工2负责脚手架垂直度控制材料配备名称数量规格无缝钢管87621mφ48×3.5脚手架6700 m2厚 5cm、宽 20cm-30cm密目安全网18400 m21.8m×6.0m水平安全网3600 m2垂直扣件8200 个旋转扣件6300 个对接扣件6350 个钢丝绳85 根6×19、φ15.5钢丝绳16 根6×19、φ20.0三、设计总体思路1、本计算根据中国建筑出版社《建筑施工脚手架有用手册》; 2、施工中不允许超过设计荷载。 3、小横杆、大横杆和立杆是传递垂直荷载的主要构件。而剪力撑、斜撑和连墙件主要保证脚手架整体刚度和稳定性的。并且加强抵抗垂直和 50下载后可任意编辑水平作用的能力。而连墙件则承受全部的风荷载。扣件则是架子组成整体的联结件和传力件。 4、搭设要求:脚手架应高于建筑物的高度...

1、当您付费下载文档后,您只拥有了使用权限,并不意味着购买了版权,文档只能用于自身使用,不得用于其他商业用途(如 [转卖]进行直接盈利或[编辑后售卖]进行间接盈利)。
2、本站所有内容均由合作方或网友上传,本站不对文档的完整性、权威性及其观点立场正确性做任何保证或承诺!文档内容仅供研究参考,付费前请自行鉴别。
3、如文档内容存在违规,或者侵犯商业秘密、侵犯著作权等,请点击“违规举报”。

碎片内容

外脚手架工程施工方案

一帆文传+ 关注
实名认证
内容提供者

欢迎光临店铺,各类公文供您挑选。

确认删除?
VIP
微信客服
  • 扫码咨询
会员Q群
  • 会员专属群点击这里加入QQ群
客服邮箱
回到顶部