电脑桌面
添加小米粒文库到电脑桌面
安装后可以在桌面快捷访问

大磁窑大桥盖梁施工方案VIP免费

大磁窑大桥盖梁施工方案_第1页
1/12
大磁窑大桥盖梁施工方案_第2页
2/12
大磁窑大桥盖梁施工方案_第3页
3/12
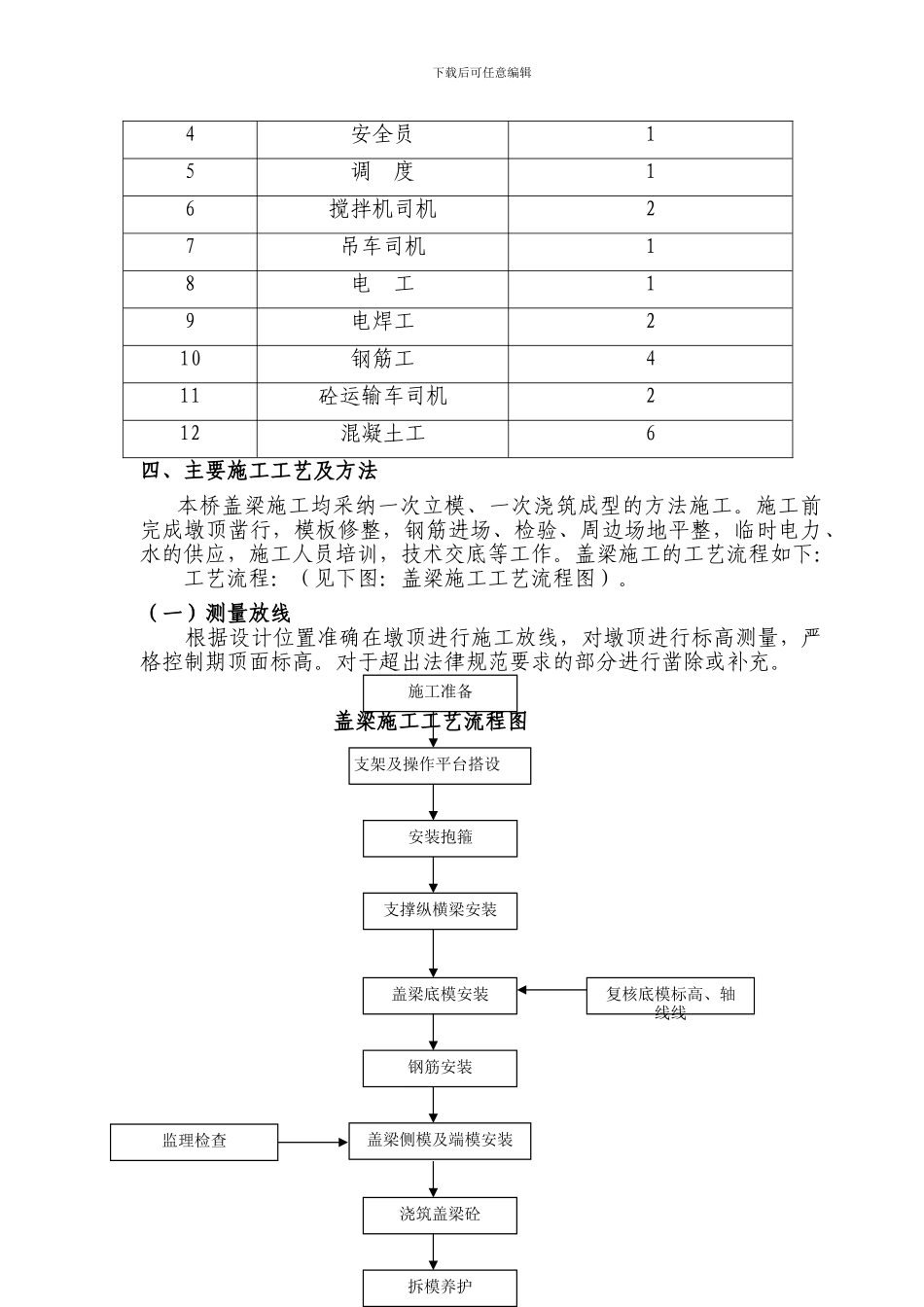
下载后可任意编辑大磁窑大桥盖梁施工方案一、工程概况灵山高速公路大磁窑大桥位于浑源县大磁窑镇政府西约 200 米处。大桥分左、右双线,共计盖梁六座,分别位于大桥的 1#墩(左右幅)、2#墩(左右幅)、3#墩(左右幅)。盖梁施工采纳抱箍法进行,利用抱箍和柱子的摩擦力来支撑整个盖梁在施工过程中的所有荷载。二、施工方案采纳工场集中加工主钢筋笼,吊车吊装完成后,原地绑扎完善;模板采纳定型配套钢模板,随着抱箍、支撑纵横梁的安装完成后安装;砼采纳拌合站集中拌合,砼运输罐车运指待浇筑部位,吊车小料斗浇筑,人工入模插入式振捣棒振捣。三、施工机械设备、人员施工机械设备、人员详见表 1-1、表 1-2。表 1-1 大磁窑大桥盖梁施工机械设备表序号机械名称单位数量备注1吊车台12振动棒台33砼运输车台24发电机台1250KW5电焊机台26盖梁模板套底模 2 套侧模 2 套表 1-2 大磁窑大桥盖梁施工劳动力组织表序号姓名人数1技术员22质检员13试验员2 1 下载后可任意编辑4安全员15调 度16搅拌机司机27吊车司机18电 工19电焊工210钢筋工411砼运输车司机212混凝土工6四、主要施工工艺及方法本桥盖梁施工均采纳一次立模、一次浇筑成型的方法施工。施工前完成墩顶凿行,模板修整,钢筋进场、检验、周边场地平整,临时电力、水的供应,施工人员培训,技术交底等工作。盖梁施工的工艺流程如下:工艺流程:(见下图:盖梁施工工艺流程图)。(一)测量放线 根据设计位置准确在墩顶进行施工放线,对墩顶进行标高测量,严格控制期顶面标高。对于超出法律规范要求的部分进行凿除或补充。盖梁施工工艺流程图 2 施工准备支架及操作平台搭设安装抱箍支撑纵横梁安装盖梁底模安装钢筋安装盖梁侧模及端模安装复核底模标高、轴线线浇筑盖梁砼拆模养护监理检查下载后可任意编辑(二)抱箍及盖梁底模支设盖梁采纳抱箍法施工,柱箍采纳 14mm 厚钢板制作,高 600mm,每个柱箍由两个半圆形钢箍组成,两个半圆型钢箍在柱上安装后相接面有50mm 空隙,以保证钢箍之间用 Φ22mm 高强螺栓连接好后能与墩柱挤压紧密,钢抱箍内侧与墩柱接触处用 2mm 厚橡胶皮环包,以增大墩身与抱箍间的磨擦力,并避开钢抱箍与墩柱间的刚性接触,损伤混凝土表面。安放柱箍前先在墩柱四周用钢管搭设简易操作架,计算好柱箍安放高度,用吊车将柱箍安装到位,在柱箍连接处用高强螺栓拧紧,使柱箍与墩柱贴和紧密,橡胶皮被充分压缩。用Ⅰ 45b 工字钢作纵梁,上铺间距为 30 ...

1、当您付费下载文档后,您只拥有了使用权限,并不意味着购买了版权,文档只能用于自身使用,不得用于其他商业用途(如 [转卖]进行直接盈利或[编辑后售卖]进行间接盈利)。
2、本站所有内容均由合作方或网友上传,本站不对文档的完整性、权威性及其观点立场正确性做任何保证或承诺!文档内容仅供研究参考,付费前请自行鉴别。
3、如文档内容存在违规,或者侵犯商业秘密、侵犯著作权等,请点击“违规举报”。

碎片内容

大磁窑大桥盖梁施工方案

确认删除?
VIP
微信客服
  • 扫码咨询
会员Q群
  • 会员专属群点击这里加入QQ群
客服邮箱
回到顶部