电脑桌面
添加小米粒文库到电脑桌面
安装后可以在桌面快捷访问

安全挡板专项施工方案VIP免费

安全挡板专项施工方案_第1页
1/7
安全挡板专项施工方案_第2页
2/7
安全挡板专项施工方案_第3页
3/7
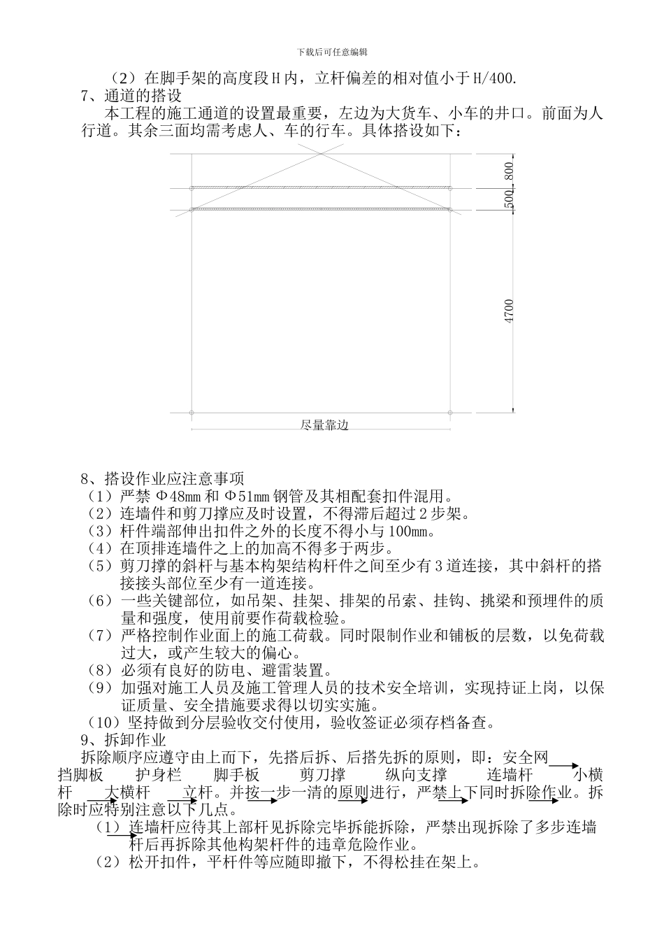
下载后可任意编辑安全挡板专项施工方案工程名称:工程地点:施工单位:编制单位: 批准单位: 编制人: 批准人: 审核人: 编制日期: 批准日期: 一、编制依据:1、建筑施工扣件式钢管脚手架安全技术法律规范(JGJ130-2001).2、建筑施工安全技术手册(中国建筑工业出版社 1991 年 12 月第一版。二、工程概况:本工程为澄海区工商大楼外墙装修工程。位于澄海区中山南路的路段。本大楼周边是澄海市区主要交通枢纽路段。人流量、车流量非常大,要求在上述及施工正常运转的情况下,尽可能地安全组织施工。三、施工部署:下载后可任意编辑本工程采纳扣件式钢管脚手架,按相关文件要求分二层双保险搭设。施工时严格执行《建筑施工扣件式钢管脚手架安全技术法律规范》的有关规定进行搭设。1、手挡板的布置本工程采纳 Ф4.8×3.5mm 钢管、双层双向布置。立杆间距为 2.0m,水平间距为 1.0m。整体高度约 6m,净空为 5m。上层挡板满铺 18mm 厚的胶合板,下层满铺 18mm 厚的胶合板,具体祥见下图。为防止坠落物反弹,拟飘出上层挡板 50cm,且四周满挂 18mm 厚胶合板。4700500 800200020002000200木夹板安全网扫地杆竹篙满铺2、手挡板的施工底座布置 底座布置应根据搭设方案要求按轴线铺设 放横向扫地杆 自角部起依次向两边竖立底层立杆,底端与横向扫地杆扣接固定 装设纵向扫地杆并拉杆固定,固定底杆端前,应吊线确保立杆垂直,每边立起四跟立杆后,随即装设第一步大横杆和下横杆(全部搭设完成后拆除)各杆件符合要求后,按 40∽60NM 力矩扳手拧紧扣件螺杆,形成构架的起始段。再按上述要求依次向前延伸搭设,直至第一步架交圈完成。交圈后,再全面检查一遍构架质量和地基情况,严格确保符合设计要求和构架质量。随搭设进程及时设连墙件、剪刀撑。最后搭设水平构架,下层水平构架搭设完成后。随即满铺18mm 胶合板,再全铺安全网。固定后再搭设上层构架 满铺胶合板 外围铺 18mm 胶合板 完成全面检查。3、扫地杆搭设扫地杆设置为纵、横向相排列水平杆,离地 20cm。安装要牢固。它是约束立杆底脚所发生的位移和用来避开或减少脚手架的不均匀沉降。4、连墙杆搭设尽可能地利用原有建筑物凹凸位进行连接。如没有,要求用拉爆螺栓进行固定。5、剪刀撑的搭设为增强脚手架的纵向稳定性和整体性。在脚手架竖向的外侧沿高度由下而上连续设置竖向剪刀撑。斜杆与地面夹角在 45o∽60o范围内。如需搭接,其搭接长度为 1m,用旋转...

1、当您付费下载文档后,您只拥有了使用权限,并不意味着购买了版权,文档只能用于自身使用,不得用于其他商业用途(如 [转卖]进行直接盈利或[编辑后售卖]进行间接盈利)。
2、本站所有内容均由合作方或网友上传,本站不对文档的完整性、权威性及其观点立场正确性做任何保证或承诺!文档内容仅供研究参考,付费前请自行鉴别。
3、如文档内容存在违规,或者侵犯商业秘密、侵犯著作权等,请点击“违规举报”。

碎片内容

安全挡板专项施工方案

您可能关注的文档

确认删除?
VIP
微信客服
  • 扫码咨询
会员Q群
  • 会员专属群点击这里加入QQ群
客服邮箱
回到顶部