电脑桌面
添加小米粒文库到电脑桌面
安装后可以在桌面快捷访问

安全施工组织设计-secretVIP免费

安全施工组织设计-secret_第1页
1/21
安全施工组织设计-secret_第2页
2/21
安全施工组织设计-secret_第3页
3/21
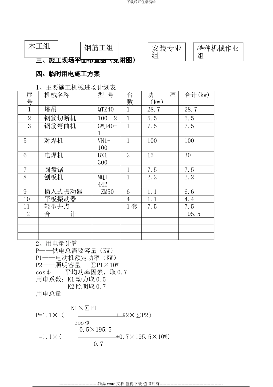
下载后可任意编辑 目 录一、工程概况 二、施工准备 三、施工现场平面布置图(见附图) 四、临时用电施工方案 五、脚手架施工方案 六、上料平台 七、模板施工方案 八、 塔式起重机施工方案九、 安全保证措施十、 消防措施 十一、 文明施工计划 十二、应急救援预案 附表:1、安全生产保证体系图2、现场平面布置图----------------------------精品 word 文档 值得下载 值得拥有----------------------------------------------下载后可任意编辑一、工程概况建设单位:巴中市诚信置业有限公司。项目名称:巴州区回风东路棚户区改造统购安置房 8#楼。建设地点:巴中市柳净桥。建设面积 57501.49 平方米。本工程为地下 3 层和地上 24 层建筑。耐火等级为二级,主要功能为商办及住宅。抗震设防烈度:6 度。结构形式:钢筋混凝土框架剪力墙结构。本工程设计合理使用年限为 50 年。 二、施工准备1、成立以项目经理为首的项目安全领导小组,项目经理为安全生产责任人,专职安全员为安全施工日常执行人。专业施工队队长(或工长)、分包项目负责人为其分管分项工程的安全负责人,直接向项目安全领导小组负责,其下设专职安全员,负责本分项工程安全施工。 2、开工前组织有关人员仔细学习建筑施工安全检查标准(JGJ59-2024)。使全体员工牢固树立“抓安全一刻不忘,管理安全理直气壮”的观念,做到预防为主。 3、项目部要与作业层签订安全生产合同,与分包单位签订“建设工程承包合同”,明确各方安全职责和责任。 4、在施工现场砌 2 米高的围墙,将施工现场与外界隔绝。按施工组织设计的要求接好临时用电和用水。 5、项目安全领导小组:组长:唐友明组员: 6、特种作业人数序号工 种人 数1机械操作工52塔吊司机43信号指挥44电工35电焊工106架子工157、安全管理组织机构图 ----------------------------精品 word 文档 值得下载 值得拥有----------------------------------------------各专业工长设备管理员材料员安全员项目经理:技术负责人: 总工长: 下载后可任意编辑三、施工现场平面布置图(见附图)四、临时用电施工方案1、主要施工机械进场计划表序号机械名称型 号台数功 率(kw)合计(kw)1塔吊QTZ40128.728.72钢筋切断机100L-2 15.55.53钢筋弯曲机GWJ40-117.57.55对焊机VN1-100 11001006电焊机BX1-300215307圆盘锯17.57.58刨板机MQJ-44212.22.29插入式振动器 ZM5061.16.610平板振动器41.14.411轻...

1、当您付费下载文档后,您只拥有了使用权限,并不意味着购买了版权,文档只能用于自身使用,不得用于其他商业用途(如 [转卖]进行直接盈利或[编辑后售卖]进行间接盈利)。
2、本站所有内容均由合作方或网友上传,本站不对文档的完整性、权威性及其观点立场正确性做任何保证或承诺!文档内容仅供研究参考,付费前请自行鉴别。
3、如文档内容存在违规,或者侵犯商业秘密、侵犯著作权等,请点击“违规举报”。

碎片内容

安全施工组织设计-secret

您可能关注的文档

确认删除?
VIP
微信客服
  • 扫码咨询
会员Q群
  • 会员专属群点击这里加入QQ群
客服邮箱
回到顶部