电脑桌面
添加小米粒文库到电脑桌面
安装后可以在桌面快捷访问

工程建设责任主体质量行为及质量控制资料检查表VIP免费

工程建设责任主体质量行为及质量控制资料检查表_第1页
1/3
工程建设责任主体质量行为及质量控制资料检查表_第2页
2/3
工程建设责任主体质量行为及质量控制资料检查表_第3页
3/3
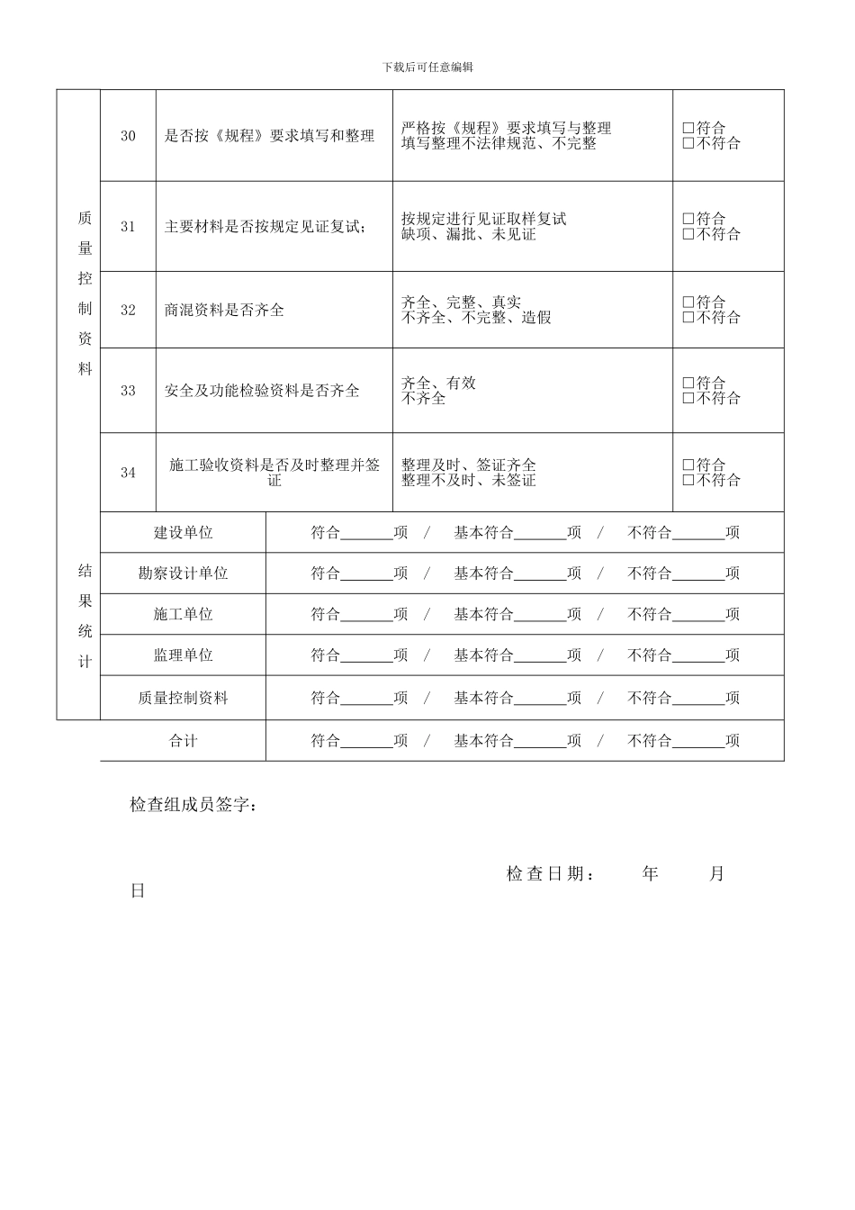
下载后可任意编辑工程建设责任主体质量行为及质量控制资料检查表 序号检 查 项 目检 查 情 况评 价建设单位1施工前办理质量监督手续情况按规定办理 未按规定办理□符合□不符合2施工前办理施工图设计文件审查情况按规定办理 未按规定办理□符合□不符合3施工前办理施工许可(开工报告)情况按规定办理 未按规定办理□符合□不符合4按规定委托监理情况按规定委托未按规定委托□符合□不符合5组织图纸会审、设计交底、设计变更工作情况按规定组织 未按规定组织□符合□不符合6原设计有重大修改、变动的,施工图设计文件重新报审情况按要求重新报审未重新报审□符合□不符合勘察设计单位7勘察单位资质情况单位资质符合相应要求单位资质不符合相应要求□符合□不符合8设计单位资质情况单位资质符合相应要求单位资质不符合相应要求□符合□不符合9参加地基验槽、基础、主体结构及有关重要部位工程质量验收情况全部参加验收工作部分参加验收工作未参加任何验收工作□符合□基本符合□不符合10签发设计修改变更、技术洽商通知情况全部签发签发主要的设计变更、技术洽商通知没有签发□符合□基本符合□不符合11参加有关工程质量问题的处理情况参加有关工程质量问题的处理未参加有关工程质量问题的处理□符合□不符合施工单位12单位资质情况单位资质符合相应要求单位资质不符合相应要求□符合□不符合13项目经理资格和到位情况项目经理资格符合相应要求,人员到位项目经理资格符合相应要求,但人员没到位项目经理资格不符合相应要求□符合□基本符合□不符合14主要专业工种操作人员上岗资格、配备及到位情况主要专业工种操作人员上岗资格符合相应规定,工种配备到位主要专业工种操作人员上岗资格符合相应规定,工种配备不到位主要专业工种操作人员上岗资格不符合相应规定□符合□基本符合□不符合15施工组织设计或施工方案审批及执行情况按管理制度审批,并严格执行按管理制度审批,但执行过程中有偏差审批程序混乱,不按施工组织设计或施工方案执行□符合□基本符合□不符合16施工现场施工操作技术规程及国家有关法律规范、标准的配置情况按规定配置配置不全没按规定配置□符合□基本符合□不符合17住宅工程质量通病专项治理情况严格根据《山东省住宅工程质量通病专项治理技术措施》实施未严格根据《山东省住宅工程质量通病专项治理技术措施》实施未根据《山东省住宅工程质量通病专项治理技术措施》实施□符合□基本符合□不符合下载后可任意编辑...

1、当您付费下载文档后,您只拥有了使用权限,并不意味着购买了版权,文档只能用于自身使用,不得用于其他商业用途(如 [转卖]进行直接盈利或[编辑后售卖]进行间接盈利)。
2、本站所有内容均由合作方或网友上传,本站不对文档的完整性、权威性及其观点立场正确性做任何保证或承诺!文档内容仅供研究参考,付费前请自行鉴别。
3、如文档内容存在违规,或者侵犯商业秘密、侵犯著作权等,请点击“违规举报”。

碎片内容

工程建设责任主体质量行为及质量控制资料检查表

您可能关注的文档

办公文档专营+ 关注
实名认证
内容提供者

大量办公文档,欢迎选择

确认删除?
VIP
微信客服
  • 扫码咨询
会员Q群
  • 会员专属群点击这里加入QQ群
客服邮箱
回到顶部