电脑桌面
添加小米粒文库到电脑桌面
安装后可以在桌面快捷访问

2024年景观台施工组织设计方案VIP免费

2024年景观台施工组织设计方案_第1页
1/22
2024年景观台施工组织设计方案_第2页
2/22
2024年景观台施工组织设计方案_第3页
3/22
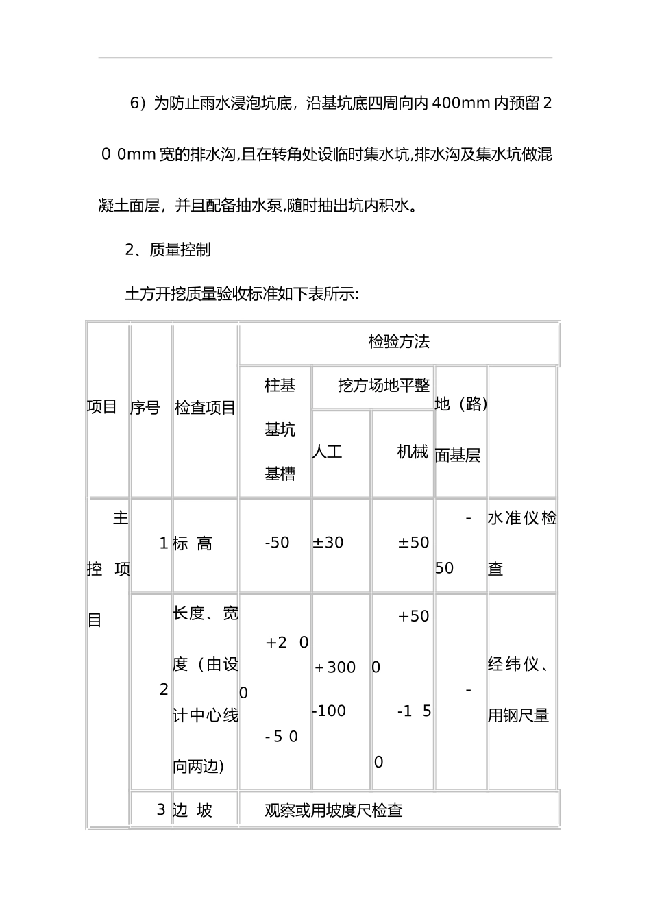
延安新区北区鲁艺生态公园建设项目四分区观景台一、二施工方案工程概况:观景台一、二分别位于四区东北和西南两侧最高造势的顶部,正负零(1097.4)以上高度3米,观景台一、二定位放线尺寸为长12米、宽7米。一、施工流程施工放样、基础开挖、灰土基础、基础施工、基础回填、地面以上框架部分施工、龙骨施工、铺装及栏杆施工、相关附属工程施工、完工交验。每道工序施工前,请监理检测,符合要求后再进入下一道工序。二、基础工程基底标高为-4.5m。其中为-0.45~-2m为1.55米厚素土夯实,-2m~-4.5m米为2.5米厚3:7灰土。3:7灰土完成后,做观景台的混凝土基础施工,最后回填至框架梁板板底。1、基坑开挖施工方案1)、根据基础图纸上的定位坐标,用全站仪进行平面定位放样。先放好坡顶线、坡底线,经复测及验收合格后开始开挖。(平面定位放线图如下):4055893.3144055881.314500423.963500423.9634055893.3144055881.31500416.963500411.9632)基坑开挖采用240挖机一次性开挖到基底标高,基坑上口四周开挖边线均以轴线外扩2.5米放坡。3)在开挖至距离坑底200mm以内时,采用人工开挖,在基坑内抄若干个基准点,拉通线找平。4)基坑挖完后,测量人员随即放出基底边线,进行基坑验槽。5)施工中对标准桩、控制点加以保护。6)为防止雨水浸泡坑底,沿基坑底四周向内400mm内预留200mm宽的排水沟,且在转角处设临时集水坑,排水沟及集水坑做混凝土面层,并且配备抽水泵,随时抽出坑内积水。2、质量控制土方开挖质量验收标准如下表所示:项目序号检查项目检验方法柱基基坑基槽挖方场地平整地(路)面基层人工机械主控项目1标高-50±30±50-50水准仪检查2长度、宽度(由设计中心线向两边)+200-50+300-100+500-150-经纬仪、用钢尺量3边坡观察或用坡度尺检查一般项目1表面平整度20205020用2m靠尺和楔形尺检查2基底土性观察或土样分析3、基坑开挖注意事项:1)土方开挖要探明地下管网,防止发生意外事故。2)在距离基坑边0.6m周围用ф48钢管设置防护栏杆,立杆间距3m,高出自然地坪1.20m,埋深0.80m,在立杆的上、下端及中间位置各加一道水平杆,外面用密目网封闭。3)基坑上口边1m范围内不允许堆土、堆料和停放机具。4)在基坑上口5m范围内不许重车停留。各施工人员严禁翻跃防护栏杆。5)基坑外施工人员不得向坑内乱扔杂物,向基坑下传递工具时要接稳后再松手。6)坑下人员休息要远离基坑边及放坡处,以防不慎。7)施工机械一切服从指挥,人员尽量远离施工机械,如有必要,先通知操作人员,待回应后方可接近。2、基础开挖需挖至-4.3m,留20cm土层人工开挖平整。平整后夯实,做3:7灰土。3:7灰土回填施工方案如下:(一)、施工准备1、材料及主要机具:(1)回填使用的黄胶土含水率应符合规定。必须达到设计控制范围,方可使用。(2)主要机具:装运土方机械用装载机,碾压机械用压路机,铁锹(平头或尖头)、5m钢尺等。2、作业条件:(1)施工前应根据工程特点、填方土料种类、密实度要求、施工条件等,合理地确定填方土料含水量控制范围、虚铺厚度和压实遍数等参数。(2)填土前应对填方基底和已完工程进行检查和中间验收,合格后要作好隐蔽检查和验收手续。(3)填土前,应将基底表面上的树根、垃圾等杂物都处理完毕,清除干净,检验土质。检验回填土料的种类、粒径,有无杂物,是否符合规定,以及土料的含水量是否在控制范围内;如含水量偏高,可采用翻松、晾晒或均匀掺入干土等措施;如遇填料含水量偏低,可采用预先洒水润湿等措施。(4)确定好土方机械、车辆的行走路线,应事先经过检查。(二)、操作工艺采用机械虚辅以压路机逐层压实。1、工艺流程:检验土料和石灰粉的质量并过筛——灰土拌合——槽底清理——分层铺灰土——碾压密实(检验密实度)——找平验收。2、首先检查土料种类和质量以及石灰材料的质量是否符合标准要求,然后分别过筛,石灰粒径要满足施工要求。3、灰土拌合:灰土的配合比应采用体积比,严格控制配合比,拌合时必须均匀一致,至少翻拌两次,拌合好的灰土颜色应一致。4、灰土施工时,应适当控制含水量。工地检验方法是:用手将灰土紧握成团,两指轻捏即碎为宜...

1、当您付费下载文档后,您只拥有了使用权限,并不意味着购买了版权,文档只能用于自身使用,不得用于其他商业用途(如 [转卖]进行直接盈利或[编辑后售卖]进行间接盈利)。
2、本站所有内容均由合作方或网友上传,本站不对文档的完整性、权威性及其观点立场正确性做任何保证或承诺!文档内容仅供研究参考,付费前请自行鉴别。
3、如文档内容存在违规,或者侵犯商业秘密、侵犯著作权等,请点击“违规举报”。

碎片内容

2024年景观台施工组织设计方案

您可能关注的文档

确认删除?
VIP
微信客服
  • 扫码咨询
会员Q群
  • 会员专属群点击这里加入QQ群
客服邮箱
回到顶部