电脑桌面
添加小米粒文库到电脑桌面
安装后可以在桌面快捷访问

工程质量治理两年行动检查用表VIP免费

工程质量治理两年行动检查用表_第1页
1/18
工程质量治理两年行动检查用表_第2页
2/18
工程质量治理两年行动检查用表_第3页
3/18
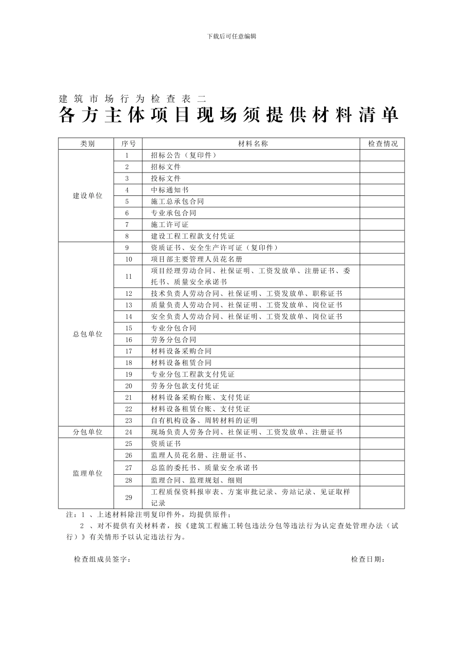
工程质量治理两年行动检查用表兵 团 建 设 ( 环 保 ) 局2024 年 6月建 筑 市 场 行 为 检 查 表 一主 管 部 门 质 量 安 全 管 理 工 作 情 况 表下载后可任意编辑工程所在(师、团): 序号检 查 项 目工 作 内 容1贯彻国家、兵团关于开展工程质量两年行动情况根据实际情况提出相应工作要求 未提出工作要求 2贯彻国家、兵团关于开展2024 年“安全生产月”活动情况根据实际情况提出相应工作要求 未提出工作要求 3贯 彻 国 家 、 兵 团 关于开展危险性较大的分部分项工程落实施工方案专项行动情况根据实际情况提出相应工作要求 未提出工作要求 4钢筋工程专项治理活动开展情况根据实际情况提出相应工作要求未提出工作要求5贯彻落实住建部关于老楼危楼安全排查电视电话会议精神情况,对建筑年代较长、建设标准较低、失修失养严重以及违法违章建筑、有投诉的建筑及已发现有质量问题的建筑进行重点排查情况。根据实际情况提出相应工作要求未提出工作要求5管理制度建设、技术标准编制情况(2024 年年以来)6质量安全监管创新情况(2024 年以来)7师建设主管部门开展的各类质量安全监督(2024 年以来)次数(次)检查项目个数(个)行政措施行政处罚限期整改(个)停工整改(个)罚款(万元)暂扣安全生产许可证(个)其他 8质量安全事故查处情况(2024 年以来)事故起数(起)死亡人数(人)事故结案(起)事故结案率 检查组成员签字: 检查日期:下载后可任意编辑建 筑 市 场 行 为 检 查 表 二各 方 主 体 项 目 现 场 须 提 供 材 料 清 单类别序号材料名称检查情况建设单位1招标公告(复印件) 2招标文件 3投标文件 4中标通知书 5施工总承包合同 6专业承包合同 7施工许可证 8建设工程工程款支付凭证 总包单位9资质证书、安全生产许可证(复印件) 10项目部主要管理人员花名册 11项目经理劳动合同、社保证明、工资发放单、注册证书、委托书、质量安全承诺书 12技术负责人劳动合同、社保证明、工资发放单、职称证书 13质量负责人劳动合同、社保证明、工资发放单、岗位证书 14安全负责人劳动合同、社保证明、工资发放单、岗位证书 15专业分包合同 16劳务分包合同 17材料设备采购合同 18材料设备租赁合同 19专业分包工程款支付凭证 20劳务分包款支付凭证 21材料设备采购台账、支付凭证 22材料设备租赁台账、支付凭证 23自有机构设备、周转...

1、当您付费下载文档后,您只拥有了使用权限,并不意味着购买了版权,文档只能用于自身使用,不得用于其他商业用途(如 [转卖]进行直接盈利或[编辑后售卖]进行间接盈利)。
2、本站所有内容均由合作方或网友上传,本站不对文档的完整性、权威性及其观点立场正确性做任何保证或承诺!文档内容仅供研究参考,付费前请自行鉴别。
3、如文档内容存在违规,或者侵犯商业秘密、侵犯著作权等,请点击“违规举报”。

碎片内容

工程质量治理两年行动检查用表

您可能关注的文档

确认删除?
VIP
微信客服
  • 扫码咨询
会员Q群
  • 会员专属群点击这里加入QQ群
客服邮箱
回到顶部