电脑桌面
添加小米粒文库到电脑桌面
安装后可以在桌面快捷访问

市政道路工程竣工验收证明书-2VIP免费

市政道路工程竣工验收证明书-2_第1页
1/4
市政道路工程竣工验收证明书-2_第2页
2/4
市政道路工程竣工验收证明书-2_第3页
3/4
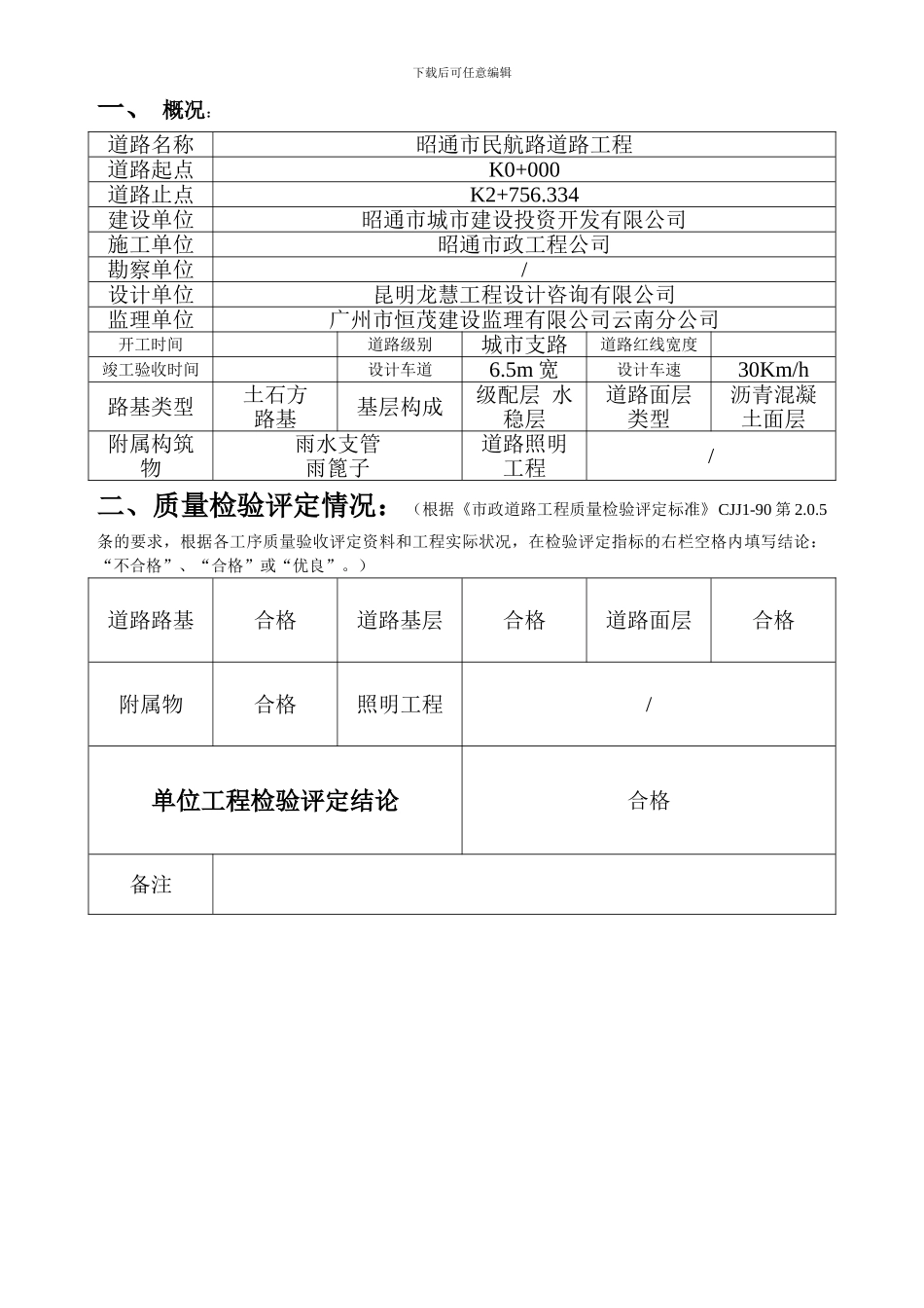
下载后可任意编辑市政道路单位工程竣工质量验收签证审查道路名称: 昭通市民航路道路工程 道路起点: K0+000 道路止点: K2+756.334 注:根据《市政道路工程质量检验评定标准》CJJ1-90、《建设工程质量管理条例》、《工程质量监督工作导则》、《房屋建筑及市政基础设施工程竣工验收备案管理办法》的要求,本鉴定证明是工程竣工验收备案的前提条件。昭阳区工程质量监督站下载后可任意编辑一、 概况:道路名称昭通市民航路道路工程道路起点K0+000道路止点K2+756.334建设单位昭通市城市建设投资开发有限公司施工单位昭通市政工程公司勘察单位/设计单位昆明龙慧工程设计咨询有限公司监理单位广州市恒茂建设监理有限公司云南分公司开工时间道路级别城市支路道路红线宽度竣工验收时间设计车道6.5m 宽设计车速30Km/h路基类型土石方路基基层构成级配层 水稳层道路面层类型沥青混凝土面层附属构筑物雨水支管雨篦子道路照明工程/二、质量检验评定情况:(根据《市政道路工程质量检验评定标准》CJJ1-90 第 2.0.5条的要求,根据各工序质量验收评定资料和工程实际状况,在检验评定指标的右栏空格内填写结论:“不合格”、“合格”或“优良”。)道路路基合格道路基层合格道路面层合格附属物合格照明工程/单位工程检验评定结论合格备注下载后可任意编辑三、工程质量验收责任主体意见:勘察单位质量检查意见:(勘察单位盖章)勘察项目负责人(签字): 年 月 日设计单位质量检查意见: (设计单位盖章)设计项目负责人(签字):年 月 日施工单位竣工意见: (施工单位盖章)施工单位技术负责人(签字):施工单位负责人(签字):年 月 日监理单位质量评估意见:(监理单位盖章)总监理工程师(签字):年 月 日建设单位质量验收意见:(建设单位盖章)建设单位项目负责人(签字):年 月 日下载后可任意编辑四、市政道路工程竣工质量验收监督意见:监督意见:质量监督员 (签字):总工程师审核(签字):站长审定(签字):质监站盖章

1、当您付费下载文档后,您只拥有了使用权限,并不意味着购买了版权,文档只能用于自身使用,不得用于其他商业用途(如 [转卖]进行直接盈利或[编辑后售卖]进行间接盈利)。
2、本站所有内容均由合作方或网友上传,本站不对文档的完整性、权威性及其观点立场正确性做任何保证或承诺!文档内容仅供研究参考,付费前请自行鉴别。
3、如文档内容存在违规,或者侵犯商业秘密、侵犯著作权等,请点击“违规举报”。

碎片内容

市政道路工程竣工验收证明书-2

您可能关注的文档

确认删除?
VIP
微信客服
  • 扫码咨询
会员Q群
  • 会员专属群点击这里加入QQ群
客服邮箱
回到顶部