电脑桌面
添加小米粒文库到电脑桌面
安装后可以在桌面快捷访问

底面层试验段施工方案VIP免费

底面层试验段施工方案_第1页
1/9
底面层试验段施工方案_第2页
2/9
底面层试验段施工方案_第3页
3/9
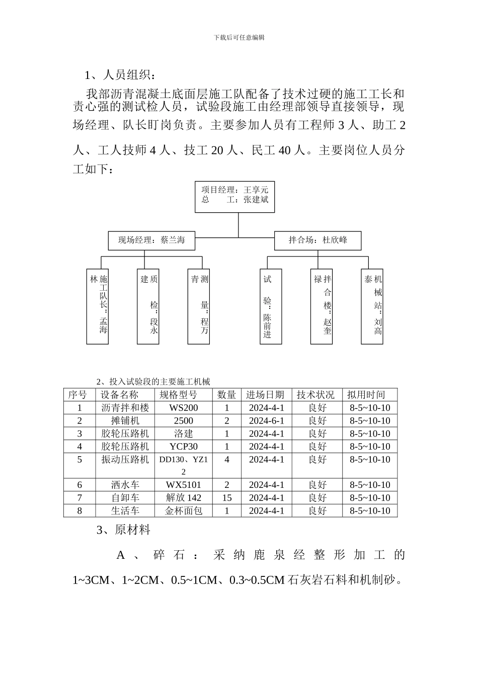
下载后可任意编辑沥青混凝土底面层试验段施工方案(我个人认为应写成王林山碎石施工须知的格式)一、工程概况 我经理部承担了青银高速 12 合同路面工程施工任务,桩号为K149+950~K167+200,路线总长 16.109KM,包含互通立交一处,沥青砼路面主线结构为:4CM SBS 改性沥青砼 SMA 上面层+6CM SBS 改性沥青 AC-20 型中面层+8CM AC-25 型沥青砼下面层。目前已完成部分水泥稳定碎石基层的报验。我项目部计划于 8 月 25 日进底面层试验段施工。二、试验目的: 1、验证混合料的稳定性是否达到了要求标准,检验施工机械、设备是否满足备料、拌和、运输、摊铺及压实的质量要求和工作效率,以及施工组织和施工工艺的合理性与适应性。 2、猎取此结构层的一些施工经验数据,如压实系数、压路机的碾压次序、碾压速度和压实遍数等,以控制以后施工。 3、确定摊铺温度、速度。 4、检验沥青混合料配比、沥青用量、密度、厚度、压实度、平整度、标高、横坡度等各实测项目是否能满足法律规范要求。三、施工依据: 1、招标文件第四卷《技术法律规范》; 2、《公路沥青路面施工技术法律规范》; 3、批复的《沥青混凝土底面层组成设计报告》与底面层施工技术指导书。四、施工方案: 试验段桩号确定在 K153+460~K153+650 段左半幅,长 190 米,宽 12.5 米。采纳玛莱尼 160 型沥青拌合楼供料,用两台佛格勒2500 摊铺机半幅全宽摊铺。下载后可任意编辑 1、人员组织: 我部沥青混凝土底面层施工队配备了技术过硬的施工工长和责心强的测试检人员,试验段施工由经理部领导直接领导,现场经理、队长盯岗负责。主要参加人员有工程师 3 人、助工 2人、工人技师 4 人、技工 20 人、民工 40 人。主要岗位人员分工如下:2、投入试验段的主要施工机械序号设备名称规格型号数量进场日期技术状况拟用时间1沥青拌和楼WS20012024-4-1良好8-5~10-102摊铺机250022024-6-1良好8-5~10-103胶轮压路机洛建12024-4-1良好8-5~10-104胶轮压路机YCP3012024-4-1良好8-5~10-105振动压路机DD130、YZ1242024-4-1良好8-5~10-106洒水车WX510122024-4-1良好8-5~10-107自卸车解放 142152024-4-1良好8-5~10-108生活车金杯面包12024-4-1良好8-5~10-103、原材料 A 、 碎 石 : 采 纳 鹿 泉 经 整 形 加 工 的1~3CM、1~2CM、0.5~1CM、0.3~0.5CM 石灰岩石料和机制砂。项目经理:王享元总 工:张建斌现场经理:蔡兰海拌合场:杜欣峰施工队长:孟...

1、当您付费下载文档后,您只拥有了使用权限,并不意味着购买了版权,文档只能用于自身使用,不得用于其他商业用途(如 [转卖]进行直接盈利或[编辑后售卖]进行间接盈利)。
2、本站所有内容均由合作方或网友上传,本站不对文档的完整性、权威性及其观点立场正确性做任何保证或承诺!文档内容仅供研究参考,付费前请自行鉴别。
3、如文档内容存在违规,或者侵犯商业秘密、侵犯著作权等,请点击“违规举报”。

碎片内容

底面层试验段施工方案

确认删除?
VIP
微信客服
  • 扫码咨询
会员Q群
  • 会员专属群点击这里加入QQ群
客服邮箱
回到顶部