电脑桌面
添加小米粒文库到电脑桌面
安装后可以在桌面快捷访问

建筑安装分项工程施工工艺规程VIP免费

建筑安装分项工程施工工艺规程_第1页
1/38
建筑安装分项工程施工工艺规程_第2页
2/38
建筑安装分项工程施工工艺规程_第3页
3/38
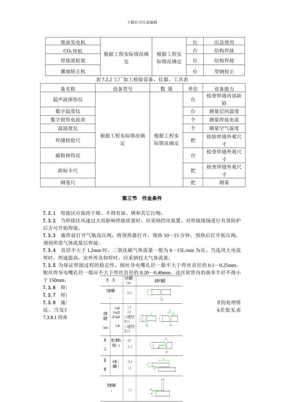
下载后可任意编辑第七章 二氧化碳气体保护焊焊接工艺适用范围:本工艺适用于钢结构制作与安装二氧化碳气体保护焊焊接工艺。工艺规定了一般低碳钢、普通低合金钢的二氧化碳气体保护焊的基本要求。凡各工程的工艺中无特别要求的结构件的二氧化碳气体保护焊均应按本工艺规定执行。第一节 材料要求7.1.1 钢材及焊接材料应按施工图的要求选用,其性能和质量必须符合国家标准和行业标准的规定,并应具有质量证明书或检验报告。假如用其它钢材和焊材代换时,须经设计单位同意,并按相应工艺文件施焊。7.1.2 焊丝 焊丝成份应与母材成份相近,主要考虑碳当量含量,它应具有良好的焊接工艺性能。焊丝含 C 量一般要求<0.11%。其表面一般有镀铜等防锈措施。目前我国常用的CO2气体保护焊焊丝是 H08Mn2SiA,其化学成分见 GB1300-77(表 8-1)。它适用于焊接低碳钢和抗拉强度为 500MPa 级的低合金结构钢。H08Mn2SiA 焊丝熔敷金属的机械性能详见 GB8110-87《二氧化碳气体保护焊用焊丝》。7.1.3 CO2气体纯度不低于 99.5%,含水量和含氧量不超过 0.1%,气路系统中应设置干燥器和预热装置。当压力低于 10 个大气压时,不得继续使用。7.1.4 焊件坡口形式的选择要考虑在施焊和坡口加工可能的条件下,尽量减小焊接变形,节约焊材,提高劳动生产率,降低成本。一般主要根据板厚选择(见《气焊、手工电弧焊及气体保护焊焊缝坡口的基本形式与尺寸》GB985-88)。7.1.5 不同板厚的钢板对接接头的两板厚度差(1)不超过表 7.1.5.1 规定时,则焊缝坡口的基本形式与尺寸按较厚板的尺寸数据来选择;否则应在厚板上作出如表中图示的单面a)或双面削薄 b),其削薄长度 L≥3(1)。 表 7.1.5.1较薄板厚度(mm)≥2~5>5~9>9~12>12允许厚度差(1)(mm)1234第二节 主要机具表 7.2.1 焊接用机械设备表 CO2备名称设备型号数 量单位备注电动空压机台碳弧气刨下载后可任意编辑根据工程实际情况确定根据工程实际情况确定柴油发电机台应急使用CO2焊机台结构焊接焊接滚轮架台结构焊接翼缘矫正机台型钢校正表 7.2.2 工厂加工检验设备、仪器、工具表备名称设备型号数 量单位设备能力超声波探伤仪根据工程实际情况确定根据工程实际情况确定台检查焊缝内部缺陷数字温度仪台测量层间温度数字钳形电流表个测量焊接电流温湿度仪个测量空气湿度焊缝检验尺把检验焊缝外观尺寸磁粉探伤仪台检查焊缝外观尺寸游标卡尺把检查焊缝外观尺寸钢卷尺把测量...

1、当您付费下载文档后,您只拥有了使用权限,并不意味着购买了版权,文档只能用于自身使用,不得用于其他商业用途(如 [转卖]进行直接盈利或[编辑后售卖]进行间接盈利)。
2、本站所有内容均由合作方或网友上传,本站不对文档的完整性、权威性及其观点立场正确性做任何保证或承诺!文档内容仅供研究参考,付费前请自行鉴别。
3、如文档内容存在违规,或者侵犯商业秘密、侵犯著作权等,请点击“违规举报”。

碎片内容

建筑安装分项工程施工工艺规程

您可能关注的文档

确认删除?
VIP
微信客服
  • 扫码咨询
会员Q群
  • 会员专属群点击这里加入QQ群
客服邮箱
回到顶部