电脑桌面
添加小米粒文库到电脑桌面
安装后可以在桌面快捷访问

建筑施工现场监理企业安全工作检查量化标准VIP免费

建筑施工现场监理企业安全工作检查量化标准_第1页
1/2
建筑施工现场监理企业安全工作检查量化标准_第2页
2/2
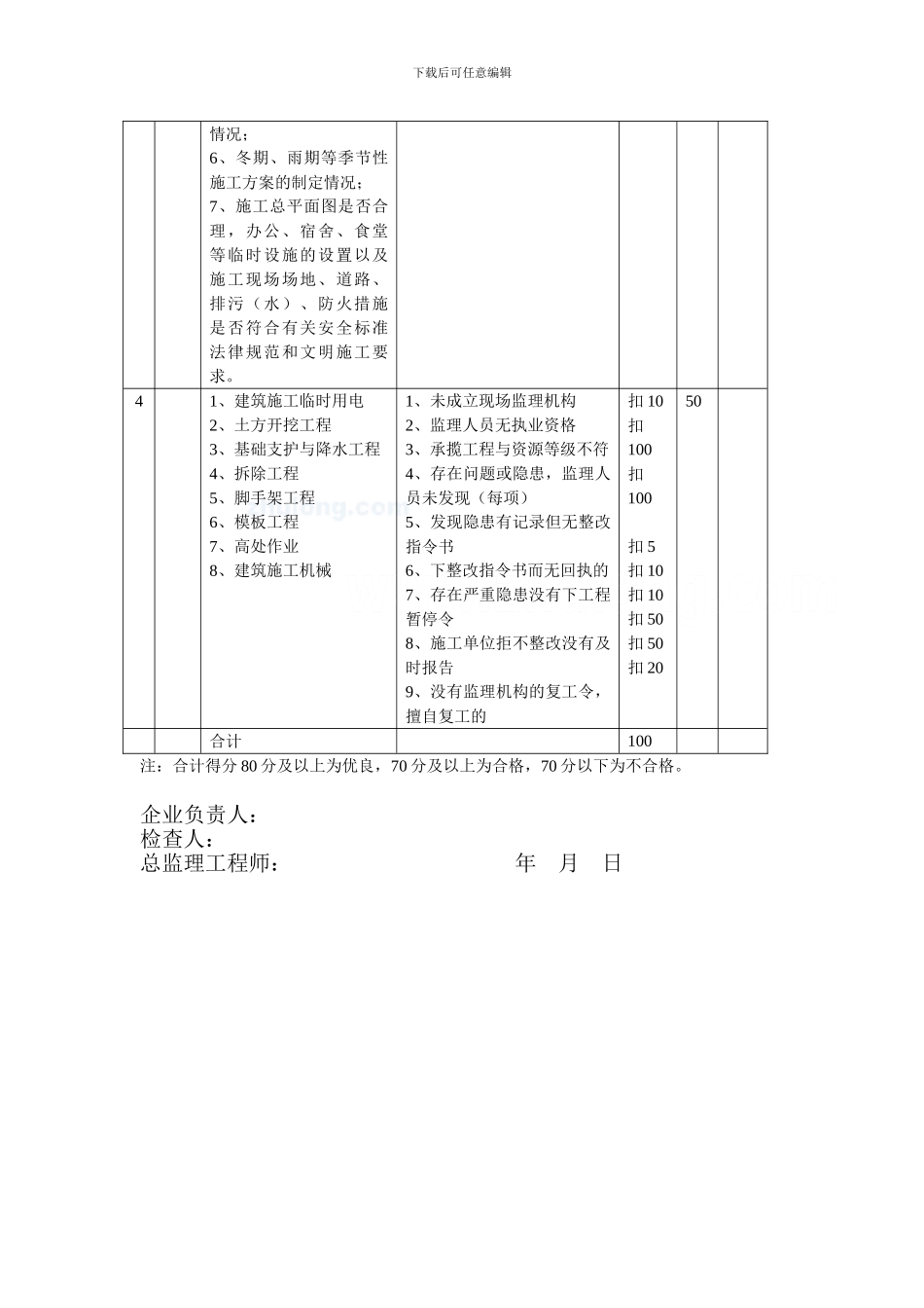
下载后可任意编辑建筑施工现场监理企业安全工作检查量化标准项目名称:监理企业名称:资质等级:序号检查项目扣分标准标准分实得分1监理企业监理企业安全监管责任落实情况1、没有安全监理规划的2、没有建立企业内部安全责任制度的扣 10扣 10102监理日记1、施工现场安全生产状况;2、各项安全生产措施的使用和落实情况;3、现场安全检查发现的问题及处理记录;4 、 发 生 事 故 的 详 细 记录;5、现场文明施工情况记录;6、其它临时会议、检查记录。1、监理日记中未建立安全监理专栏2、安全专栏中无具体内容3、专栏内容不真实、没有针对性4、无总监或总监代表签阅5、无监理月报6、5 万米(10 层)以上施工项目未单独设安全台帐扣 20扣 20扣 10扣 10扣 10扣 20203监理人员履责情况1、安全监理和安全保证体系组织机构,包括项目 经 理 、 工 长 、 安 全员、特种作业人员数量及持证上岗情况;2 、 施 工 安 全 生 产 责 任制、规章制度、操作规程的制定;3、起重机械设备、施工机具和电器设备等设置是 否 符 合 法 律 规 范 要求;4、基坑支护、模板、脚手架工程、起重机械设备和整体提升脚手架拆装等专项方案是否符合法律规范要求;5、事故救援预案的制定1、其中有一项内容未审核2、缺少安全技术措施(每项)3、内容不真实、不完善、没有可行性(每项)4、安全技术措施或专项施工方案不符合工程建设强制性标准(每项)5、施工组织设计(方案)无总监审核、签字扣 10扣 20扣 20扣100扣 2020下载后可任意编辑情况;6、冬期、雨期等季节性施工方案的制定情况;7、施工总平面图是否合理,办公、宿舍、食堂等临时设施的设置以及施工现场场地、道路、排污(水)、防火措施是否符合有关安全标准法律规范和文明施工要求。41、建筑施工临时用电2、土方开挖工程3、基础支护与降水工程4、拆除工程5、脚手架工程6、模板工程7、高处作业8、建筑施工机械1、未成立现场监理机构2、监理人员无执业资格3、承揽工程与资源等级不符4、存在问题或隐患,监理人员未发现(每项)5、发现隐患有记录但无整改指令书6、下整改指令书而无回执的7、存在严重隐患没有下工程暂停令8、施工单位拒不整改没有及时报告9、没有监理机构的复工令,擅自复工的扣 10扣100扣100扣 5扣 10扣 10扣 50扣 50扣 2050合计100注:合计得分 80 分及以上为优良,70 分及以上为合格,70 分以下为不合格。企业负责人:检查人:总监理工程师: 年 月 日

1、当您付费下载文档后,您只拥有了使用权限,并不意味着购买了版权,文档只能用于自身使用,不得用于其他商业用途(如 [转卖]进行直接盈利或[编辑后售卖]进行间接盈利)。
2、本站所有内容均由合作方或网友上传,本站不对文档的完整性、权威性及其观点立场正确性做任何保证或承诺!文档内容仅供研究参考,付费前请自行鉴别。
3、如文档内容存在违规,或者侵犯商业秘密、侵犯著作权等,请点击“违规举报”。

碎片内容

建筑施工现场监理企业安全工作检查量化标准

您可能关注的文档

确认删除?
VIP
微信客服
  • 扫码咨询
会员Q群
  • 会员专属群点击这里加入QQ群
客服邮箱
回到顶部