电脑桌面
添加小米粒文库到电脑桌面
安装后可以在桌面快捷访问

成都市某改造工程外墙保温施工方案-secretVIP免费

成都市某改造工程外墙保温施工方案-secret_第1页
1/10
成都市某改造工程外墙保温施工方案-secret_第2页
2/10
成都市某改造工程外墙保温施工方案-secret_第3页
3/10
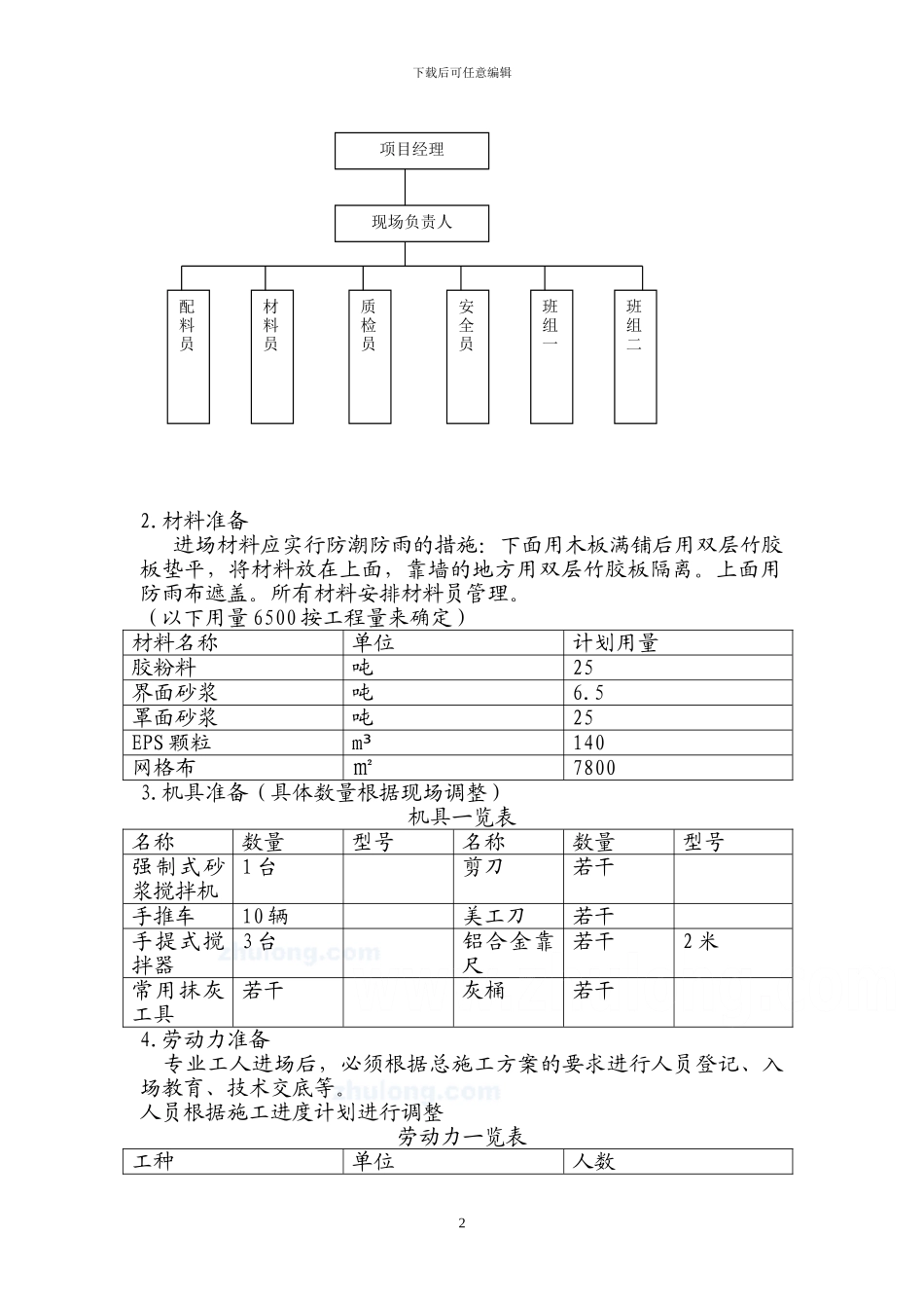
下载后可任意编辑成都市**中心业务大楼改造工程外墙保温系统专项方案 编制人: 审核人: 批准人: 编制单位:海南**工程实业公司目 录 一、 工程概况…………………………………………………………2二、 编制依据…………………………………………………………2三、 材料说明适用范围………………………………………………2四、 施工准备…………………………………………………………3五、 工期控制…………………………………………………………6六、 施工方法及要点…………………………………………………6七、 注意事项…………………………………………………………8八、 完工保护…………………………………………………………80下载后可任意编辑九、 其他………………………………………………………………8一、 工程概况工程名称:成都市**中心业务大楼改造工程建设单位:成都市**中心监理单位:四川**项目管理有限责任公司施工单位:海南**工程实业公司结构类型:框架结构,6 层建筑面积:8700m²二.编制依据1.根据国家现行事实的施工法律规范、规程、标准以及四川省对保温及装饰工程的有关规定。2.根据《中华人民共和国建筑法》、《建筑工程施工安全生产管理条例》、《四川省关于墙体节能有关规定》。3.《外墙内保温建筑构造(一)》03J122。4.《胶粉聚苯颗料外墙保温系统》JG158-2024。5.《居住建筑节能保温隔热工程质量验收规程》。6.《成都市**中心业务大楼原竣工图》7. 《成都市**中心业务大楼改造施工图》三、编制重点和施工难点1.本方案针对成都市气候特点,以冬季保温、夏季隔热的施工标准以及设计要求进行施工。2.成都市**中心业务大楼抗震设防烈度≤8 度。3.基层墙体由炉渣空心砌块、页岩多孔砖、等砌体墙和现浇砼柱,施工中要注意保温系统密闭工作。4.由于本工程为改造工程,旧有的墙体假如不能满足设计要求,必须进行处理后方能施工。四、施工准备1.工程项目部组织机构如下:1下载后可任意编辑2.材料准备 进场材料应实行防潮防雨的措施:下面用木板满铺后用双层竹胶板垫平,将材料放在上面,靠墙的地方用双层竹胶板隔离。上面用防雨布遮盖。所有材料安排材料员管理。(以下用量 6500 按工程量来确定)材料名称单位计划用量胶粉料吨25界面砂浆吨6.5罩面砂浆吨25EPS 颗粒m³140网格布㎡78003.机具准备(具体数量根据现场调整)机具一览表名称数量型号名称数量型号强制式砂浆搅拌机1 台剪刀若干手推车10...

1、当您付费下载文档后,您只拥有了使用权限,并不意味着购买了版权,文档只能用于自身使用,不得用于其他商业用途(如 [转卖]进行直接盈利或[编辑后售卖]进行间接盈利)。
2、本站所有内容均由合作方或网友上传,本站不对文档的完整性、权威性及其观点立场正确性做任何保证或承诺!文档内容仅供研究参考,付费前请自行鉴别。
3、如文档内容存在违规,或者侵犯商业秘密、侵犯著作权等,请点击“违规举报”。

碎片内容

成都市某改造工程外墙保温施工方案-secret

您可能关注的文档

确认删除?
VIP
微信客服
  • 扫码咨询
会员Q群
  • 会员专属群点击这里加入QQ群
客服邮箱
回到顶部