电脑桌面
添加小米粒文库到电脑桌面
安装后可以在桌面快捷访问

房屋建筑工程和市政基础设施工程竣工验收备案《建筑临时使用证》《建筑使用证》申请表1VIP免费

房屋建筑工程和市政基础设施工程竣工验收备案《建筑临时使用证》《建筑使用证》申请表1_第1页
1/13
房屋建筑工程和市政基础设施工程竣工验收备案《建筑临时使用证》《建筑使用证》申请表1_第2页
2/13
房屋建筑工程和市政基础设施工程竣工验收备案《建筑临时使用证》《建筑使用证》申请表1_第3页
3/13
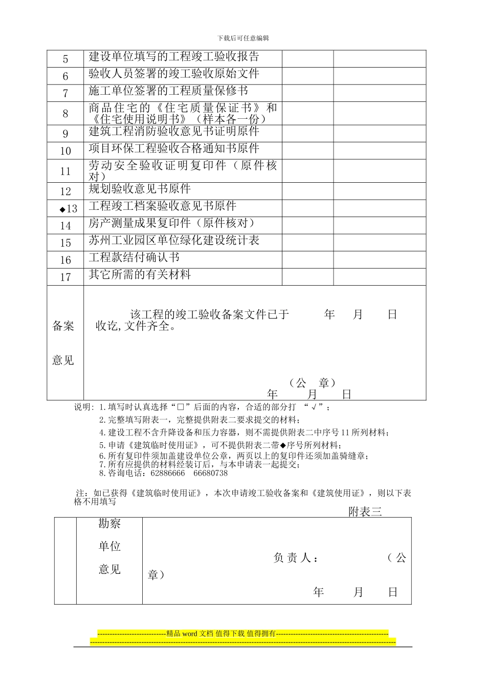
下载后可任意编辑房屋建筑工程和市政基础设施工程竣工验收备案《建筑临时使用证》/《建筑使用证》申 请 表致:苏州工业园区规划建设局附表一中所列建设工程已经全部完成,该工程 □不含 / □ 含 升 降 设 备 ( 数 量 , 设 备 使 用 编 号 ) , □ 不 含 / □ 含 压 力 容 器 ( 数 量 , 设 备 使 用 编 号 )。根据《苏州工业园区城市规划建设管理办法(试行)》第七十七条和建设部第78号部令《房屋建筑工程和市政基础设施工程竣工验收备案管理暂行办法》,我单位已备齐附表二中注明的申报材料,特向规划建设局提交,并申请□《建筑临时使用证》/ □建设工程竣工验收备案和□《建筑使用证》。建设单位(盖章):申请日期: 年 月 日联系人:联系电话:建设工程概况: 附表一建设单位名称工 程 名 称建筑面积(M2)结 构 层 次结 构 类 型工 程 用 途工 程 造 价开 工 日 期工 程 地 点竣工验收日期勘察单位名称资 质 等 级设计单位名称资 质 等 级施工单位名称资 质 等 级监理单位名称资 质 等 级工程质量监督机 构 名 称申报材料: 附表二序号提 交 内 容打 “√”批 准 号1《建设用地规划许可证》复印件2《规划批准书》复印件3《国有土地使用证》复印件(原件核对)4《建设工程规划许可证》复印件----------------------------精品 word 文档 值得下载 值得拥有---------------------------------------------------------------------------------------------------------------------------------------------------------------------------下载后可任意编辑5建设单位填写的工程竣工验收报告6验收人员签署的竣工验收原始文件7施工单位签署的工程质量保修书8商品住宅的《住宅质量保证书》和《住宅使用说明书》(样本各一份)9建筑工程消防验收意见书证明原件10项目环保工程验收合格通知书原件11劳动安全验收证明复印件(原件核对)12规划验收意见书原件◆13工程竣工档案验收意见书原件14房产测量成果复印件(原件核对)15苏州工业园区单位绿化建设统计表16工程款结付确认书17其它所需的有关材料备案意见 该工程的竣工验收备案文件已于 年 月 日收讫,文件齐全。 (公 章) 年 月 日说明: 1.填写时认真选择“□”后面的内容,合适的部分打 “√”;2.完整填写附表一,完整提供附表二要求提交的材料;4.建设工程不含升降设备和压...

1、当您付费下载文档后,您只拥有了使用权限,并不意味着购买了版权,文档只能用于自身使用,不得用于其他商业用途(如 [转卖]进行直接盈利或[编辑后售卖]进行间接盈利)。
2、本站所有内容均由合作方或网友上传,本站不对文档的完整性、权威性及其观点立场正确性做任何保证或承诺!文档内容仅供研究参考,付费前请自行鉴别。
3、如文档内容存在违规,或者侵犯商业秘密、侵犯著作权等,请点击“违规举报”。

碎片内容

房屋建筑工程和市政基础设施工程竣工验收备案《建筑临时使用证》《建筑使用证》申请表1

您可能关注的文档

人从众+ 关注
实名认证
内容提供者

欢迎光临小店,本店以公文和教育为主,希望符合您的需求。

确认删除?
VIP
微信客服
  • 扫码咨询
会员Q群
  • 会员专属群点击这里加入QQ群
客服邮箱
回到顶部