电脑桌面
添加小米粒文库到电脑桌面
安装后可以在桌面快捷访问

房建工程监理实施细则范本107页VIP免费

房建工程监理实施细则范本107页_第1页
1/17
房建工程监理实施细则范本107页_第2页
2/17
房建工程监理实施细则范本107页_第3页
3/17
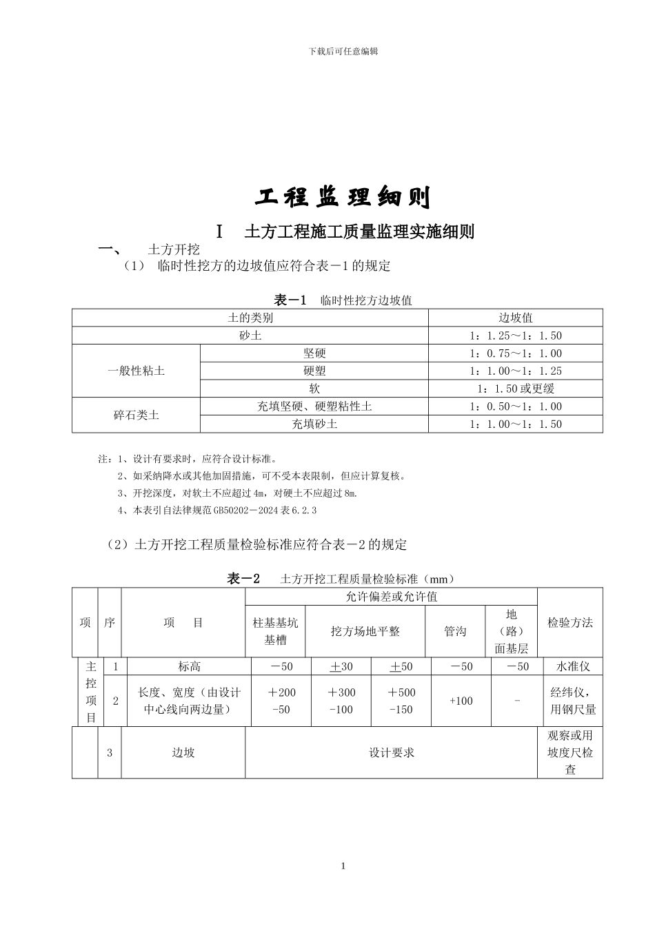
下载后可任意编辑工程监理细则Ⅰ 土方工程施工质量监理实施细则一、土方开挖(1) 临时性挖方的边坡值应符合表-1 的规定表-1 临时性挖方边坡值土的类别边坡值砂土1:1.25~1:1.50一般性粘土坚硬1:0.75~1:1.00硬塑1:1.00~1:1.25软1:1.50 或更缓碎石类土充填坚硬、硬塑粘性土1:0.50~1:1.00充填砂土1:1.00~1:1.50注:1、设计有要求时,应符合设计标准。2、如采纳降水或其他加固措施,可不受本表限制,但应计算复核。 3、开挖深度,对软土不应超过 4m,对硬土不应超过 8m. 4、本表引自法律规范 GB50202-2024 表 6.2.3(2)土方开挖工程质量检验标准应符合表-2 的规定表-2 土方开挖工程质量检验标准(mm)项序项 目允许偏差或允许值检验方法柱基基坑基槽挖方场地平整管沟地(路)面基层主控项目1标高-50+30+50-50-50水准仪2长度、宽度(由设计中心线向两边量)+200-50+300-100+500-150+100-经纬仪,用钢尺量3边坡设计要求观察或用坡度尺检查1下载后可任意编辑一般项目1表面平整度2020502020用 2 米靠尺和契形塞尺检查2基底土性设计要求观察或土样分析注:1、地(路)面基层的偏差只适用于直接在挖、填方上做地(路)面的基层。 2、本表引自法律规范 GB50202-2024 表 6.2.4二、土方回填(1)填方施工过程中应检查排水措施,每层填筑厚度、含水量控制、压实程度。填筑厚度及压实遍数应根据土质,压实系数及所有机具确定。如无试验依据,应符合表 3 的规定。表 3 填土施工时的分层厚度及压实遍数压实机具分层厚度/mm每层压实遍数平碾250-3006-8振动压实机250-3503-4柴油打夯机200-2503-4人工打夯<2003-4注:本表引自法律规范 GB50202-2024 表 6.2.3(2)填方施工结束后,应检查标高、边坡坡度、压实程度等,检验标准应符合表 4 的规定。表 4 填土工程质量检验标准(mm)项序检查项目允许偏差或允许值检查方法桩基基坑基槽场地平整管沟地(路)面基础层人工机械主控项目1标高-50+30+50-50-50水准仪2分层压实系数设计要求按规定方法一般项目1回填土料设计要求取样检查或直观鉴别2分层厚度及含水量设计要求水准仪及抽样检查3表面平整度2020302020用靠尺或水准仪注:本表引自法律规范 GB-50202-2024 表 6.2.4三、土方工程质量预控内容1、组织现场勘查、掌握熟悉图纸2下载后可任意编辑(1)了解现场地形、地貌、水文、地质、地下埋设物、地上障碍物和临近建筑。(2)了解水、电供应...

1、当您付费下载文档后,您只拥有了使用权限,并不意味着购买了版权,文档只能用于自身使用,不得用于其他商业用途(如 [转卖]进行直接盈利或[编辑后售卖]进行间接盈利)。
2、本站所有内容均由合作方或网友上传,本站不对文档的完整性、权威性及其观点立场正确性做任何保证或承诺!文档内容仅供研究参考,付费前请自行鉴别。
3、如文档内容存在违规,或者侵犯商业秘密、侵犯著作权等,请点击“违规举报”。

碎片内容

房建工程监理实施细则范本107页

您可能关注的文档

确认删除?
VIP
微信客服
  • 扫码咨询
会员Q群
  • 会员专属群点击这里加入QQ群
客服邮箱
回到顶部