电脑桌面
添加小米粒文库到电脑桌面
安装后可以在桌面快捷访问

抢工期施工方案VIP免费

抢工期施工方案_第1页
1/14
抢工期施工方案_第2页
2/14
抢工期施工方案_第3页
3/14
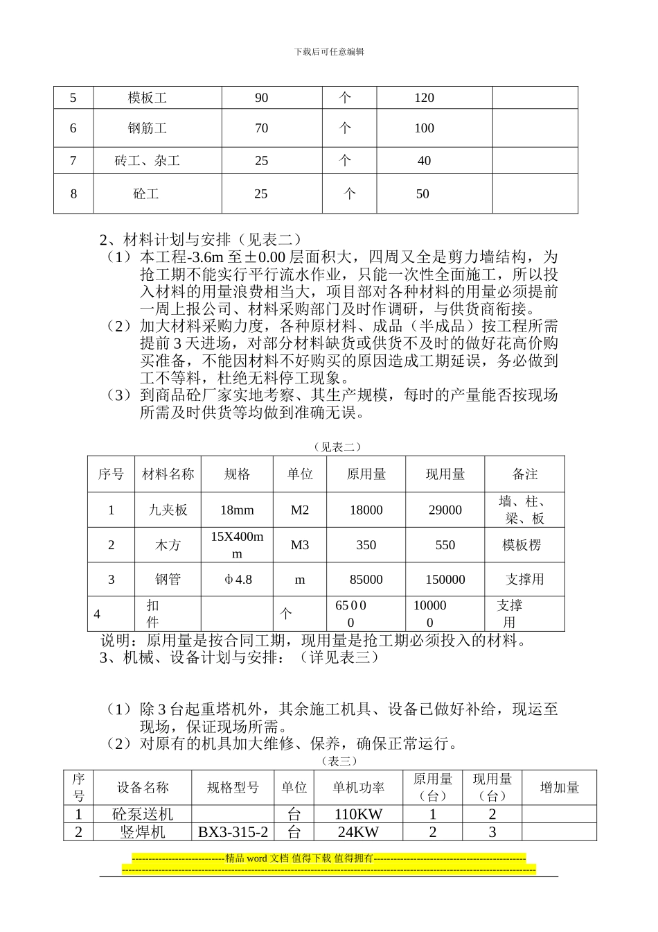
下载后可任意编辑 合能.四季映像二期 3#楼工程抢基础至±0层工期施工措施方案重庆第十建设有限公司二 0 一一年三月抢工期原因:根据合能龙泉置业有限公司 2024 年 3 月 7 日的总体规划,3#楼地下车库于 2024 年 5 月 1 日开盘销售,2024 年 3 月 8 日建设单位在我司施工现场会议室召开监理单位、施工单位紧急会议,要求我司----------------------------精品 word 文档 值得下载 值得拥有---------------------------------------------------------------------------------------------------------------------------------------------------------------------------下载后可任意编辑务必在 2024 年 4 月 29 日前完成基础分部—±0.00 层主体结构施工。我司于 2024 年 2 月 18 日与会建设单位、监理单位办理本工程12-31 轴/A-J 轴场地移交,24 日正式进场桩间土开挖,1-12 轴/A-J轴由于桩基单位和平基土石方单位的延误,2024 年 3 月 10 日方将场地移交我司。在既无场地施工又是结构复杂的地下车库同时又处雨水季节,短短的 40 天时间要求我司完成基础分部及一万多平米的主体工程,任务十分艰巨。尽管如此,我司则以大局为重,发扬艰苦奋斗之精神。坚持服务于业主、服务于民众的思想,大量投入人力、物力、机械设备,力争按时保质、保量完成建设单位这一雄伟目标,为确保这一目标特实行如下措施:一、工期保证措施众所周知,在结构复杂、施工现场环境恶劣的条件下抢工期,最关键的是人、材、机能否按时到位、管理系统的健全两者均十分重要,所以公司高层立即在施工现场召开全体项目管理人员、施工班组长会议,对制定的施工流程作重新调整。将原计划暂停施工的二标段(12-20 轴/A-J 轴)留设钢筋、模板加工房的计划废除,把二标段列入与其他两个标段同步施工,至于钢筋、模板加工房另出高价在相邻的单位租地重新搭设。对抓进度、抢工期作了周密的布置。1、主要劳动力计划与安排(详表一)(1)按项目部起草的施工进度计划,再次对各分部(子分部)分项工程,每个班组是否能在较短时间内保质保量按时完成下达的任务,劳动力的组建、用量、作了详细的评估和调整。(2)实行换班作业、多加夜班,必要时实行 24 小时施工,公司对加班人员天/人补助生活费 20 元,当天的工作必须完成,绝不允许影响下一道工序施工。(3)抢工期除操作工人较多外 ,工序穿插也很频繁,各班组的配合协调和施...

1、当您付费下载文档后,您只拥有了使用权限,并不意味着购买了版权,文档只能用于自身使用,不得用于其他商业用途(如 [转卖]进行直接盈利或[编辑后售卖]进行间接盈利)。
2、本站所有内容均由合作方或网友上传,本站不对文档的完整性、权威性及其观点立场正确性做任何保证或承诺!文档内容仅供研究参考,付费前请自行鉴别。
3、如文档内容存在违规,或者侵犯商业秘密、侵犯著作权等,请点击“违规举报”。

碎片内容

抢工期施工方案

确认删除?
VIP
微信客服
  • 扫码咨询
会员Q群
  • 会员专属群点击这里加入QQ群
客服邮箱
回到顶部