电脑桌面
添加小米粒文库到电脑桌面
安装后可以在桌面快捷访问

接地装置施工工艺VIP免费

接地装置施工工艺_第1页
1/9
接地装置施工工艺_第2页
2/9
接地装置施工工艺_第3页
3/9
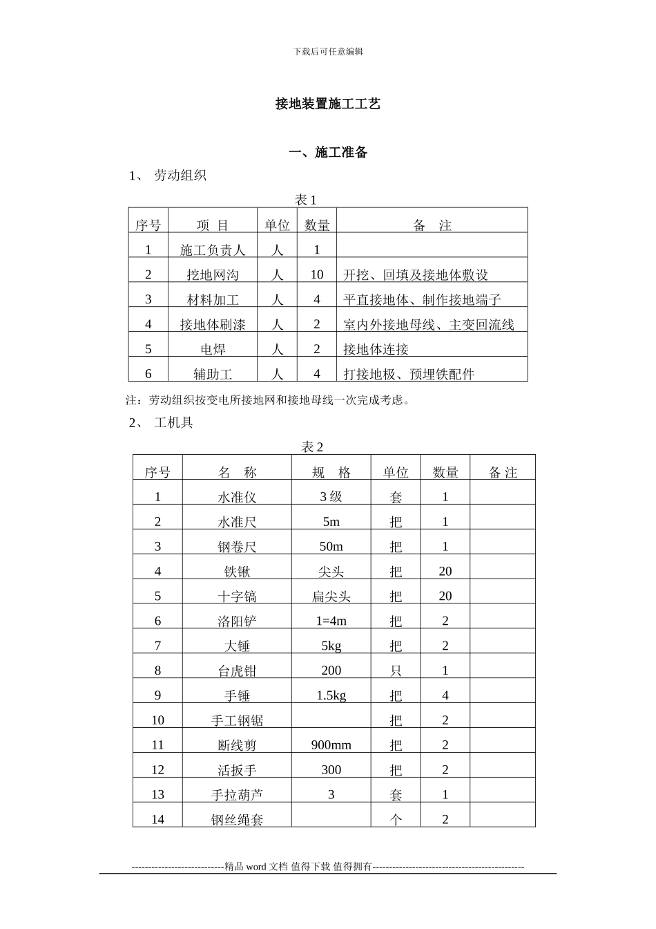
下载后可任意编辑接地装置施工工艺一、施工准备1、 劳动组织 表 1序号项 目单位数量备 注1施工负责人人12挖地网沟人10开挖、回填及接地体敷设3材料加工人4平直接地体、制作接地端子4接地体刷漆人2室内外接地母线、主变回流线5电焊人2接地体连接6辅助工人4打接地极、预埋铁配件 注:劳动组织按变电所接地网和接地母线一次完成考虑。2、 工机具 表 2序号名 称规 格单位数量备 注1水准仪3 级套12水准尺5m把13钢卷尺50m把14铁锹尖头把205十字镐扁尖头把206洛阳铲1=4m把27大锤5kg把28台虎钳200只19手锤1.5kg把410手工钢锯把211断线剪900mm把212活扳手300把213手拉葫芦3套114钢丝绳套个2----------------------------精品 word 文档 值得下载 值得拥有----------------------------------------------下载后可任意编辑15平锉中粗 400把2 续表 2序号名 称规 格单位数量备 注16喷灯300ml只117电焊机台118接地电阻测试仪台119煨弯器台13、 材料 表 3序号名 称规格单位数 量室外接地母线室内接地母线接地引下线回流轨1扁钢50×5m2.52扁钢40×5m103扁钢25×4m104圆钢φ10m1.5105接地极50×5m2.56电焊条φ4.0kg0.50.50.10.27镀锌铁线φ3.2kg18防锈漆kg0.20.10.19调合漆(黑)kg0.30.20.210白灰kg0.511焊锡kg0.0112助焊剂kg适量13汽油kg0.514电力脂kg适量15手工锯条根2----------------------------精品 word 文档 值得下载 值得拥有----------------------------------------------下载后可任意编辑1.工序流程图作业前的准备接地网沟开挖均压带焊接及敷设接地母线安装接地电阻测量填写安装技术记录图 1 接地网及接地母线安装工序流程图作业前的准备测量下料煨弯接地体敷设接地体焊接接地体补漆图 2 室内外设备接地线安装工序流程图2.接地网及接地母线施工操作要领 (1)作业前的准备: ① 测定室外接地网设置的地点,并用白灰粉按其分布情况做出标志。 ② 用水准仪核对场坪实际标高,确定土沟开挖深度。一般情况下,开挖深度以大于设计深度 50~100mm 为宜。③ 在接地线穿越墙壁的位置打穿墙孔,预埋地线管,并固定牢靠。④ 平直用于电缆沟内及室内的接地母线,按制造长度分段进行除锈刷漆;对用于电缆沟分支或拐角处的接地母线,应在煨弯之后再刷漆。(2)接地网沟开挖:① 沿变电所围墙一侧平行地向另一侧开挖,挖一部分敷设一部分,以避开沟壁坍塌造成返工。② 根据施工图纸标注的位置,在挖好的土沟内打入接地...

1、当您付费下载文档后,您只拥有了使用权限,并不意味着购买了版权,文档只能用于自身使用,不得用于其他商业用途(如 [转卖]进行直接盈利或[编辑后售卖]进行间接盈利)。
2、本站所有内容均由合作方或网友上传,本站不对文档的完整性、权威性及其观点立场正确性做任何保证或承诺!文档内容仅供研究参考,付费前请自行鉴别。
3、如文档内容存在违规,或者侵犯商业秘密、侵犯著作权等,请点击“违规举报”。

碎片内容

接地装置施工工艺

确认删除?
VIP
微信客服
  • 扫码咨询
会员Q群
  • 会员专属群点击这里加入QQ群
客服邮箱
回到顶部