电脑桌面
添加小米粒文库到电脑桌面
安装后可以在桌面快捷访问

通信建设工程预算定额(综合布线)VIP免费

通信建设工程预算定额(综合布线)_第1页
1/8
通信建设工程预算定额(综合布线)_第2页
2/8
通信建设工程预算定额(综合布线)_第3页
3/8
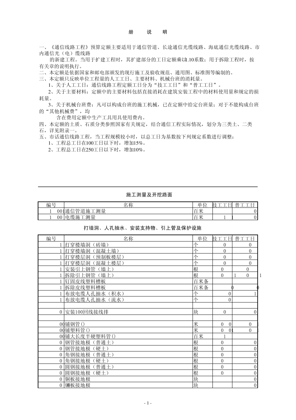
编 号名 称单 位技 工 工 日普 工 工 日TX1-001通 信 管 道 施 工 测 量百 米3.850TX1-002电 缆 施 工 测 量百 米1.10编 号名 称单 位技 工 工 日普 工 工 日TX4-135打 穿 楼 墙 洞 ( 砖 墙 )个0.20.2TX4-136打 穿 楼 墙 洞 ( 混 凝 土 墙 )个0.30.3TX4-137打 穿 楼 层 洞 ( 预 制 板 楼 层 )个0.20.2TX4-138打 穿 楼 层 洞 ( 混 凝 土 楼 层 )个0.30.3TX4-142安 装 引 上 钢 管 ( 墙 上 )根0.350.35TX4-142ZA拆 除 引 上 钢 管 ( 墙 上 )根0.210.21TX4-143钉 固 皮 线 塑 料 槽 板百 米 条3.463.46TX4-143ZA拆 除 皮 线 塑 料 槽 板百 米 条2.082.08TX4-144布 放 电 缆 人 孔 抽 水 ( 积 水 )个01TX4-145布 放 电 缆 人 孔 抽 水 ( 流 水 )个02TX6-034安 装 100回 线 接 线 排块0.40TX7-003铺 钢 管 ()米0.030.1TX7-004铺 塑 料 管 ()米0.010.1TX7-005铺 大 长 度 半 硬 塑 料 管 ()百 米1.52.5TX7-033钢 管 接 地 极 ( 普 通 土 )根0.460TX7-034钢 管 接 地 极 ( 硬 土 )根0.520TX7-035角 钢 接 地 极 ( 普 通 土 )根0.320TX7-036角 钢 接 地 极 ( 硬 土 )根0.370TX7-037圆 钢 接 地 极 ( 普 通 土 )根0.230TX7-038圆 钢 接 地 极 ( 硬 土 )根0.430TX7-039铜 板 接 地 极块2.50TX7-040钢 板 接 地 极块3.50册 说 明 施工测量及开挖路面一 、 《 通 信 线 路 工 程 》 预 算 定 额 主 要 适 用 于 通 信 管 道 、 长 途 通 信 光 缆 线 路 、 海 底 通 信 光 缆 线 路 、 市内 通 信 光 ( 电 ) 缆 线 路 的 新 建 工 程 。 当 用 于 扩 建 工 程 时 , 其 扩 建 部 分 的 工 日 定 额 乘 以 1 .1 0 系 数 ; 用 于 拆 除 工 程 时 , 按有 关 章 的 说 明 执 行 。二 、 本 定 额 是 依 据 国 家 和 邮电 部 颁发的 现行 施 工 及验收规范、 通 用 图、 标准图等编 制 的 。三、 本 定 额 只反映单 位 工 程 量 的 人 工 工 日 、 主 要 材料 、 机械台班的 消耗量 。 1 、 关 于 人 工 工 日 :通 信 线 路 工 ...

1、当您付费下载文档后,您只拥有了使用权限,并不意味着购买了版权,文档只能用于自身使用,不得用于其他商业用途(如 [转卖]进行直接盈利或[编辑后售卖]进行间接盈利)。
2、本站所有内容均由合作方或网友上传,本站不对文档的完整性、权威性及其观点立场正确性做任何保证或承诺!文档内容仅供研究参考,付费前请自行鉴别。
3、如文档内容存在违规,或者侵犯商业秘密、侵犯著作权等,请点击“违规举报”。

碎片内容

通信建设工程预算定额(综合布线)

确认删除?
VIP
微信客服
  • 扫码咨询
会员Q群
  • 会员专属群点击这里加入QQ群
客服邮箱
回到顶部