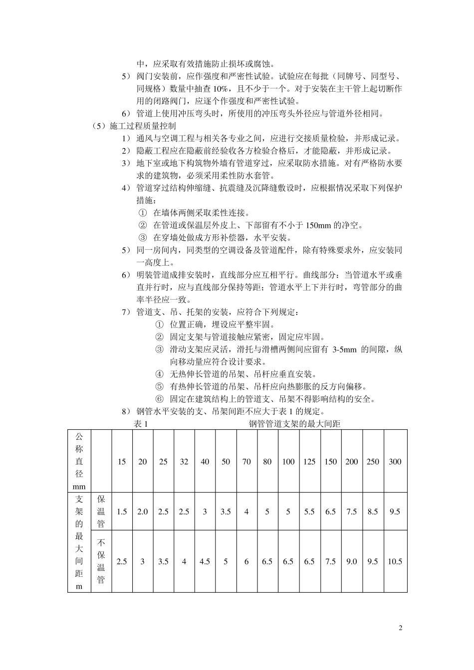
电脑桌面
添加小米粒文库到电脑桌面
安装后可以在桌面快捷访问

通风、空调工程监理工作要点VIP免费

通风、空调工程监理工作要点_第1页
1/9
通风、空调工程监理工作要点_第2页
2/9
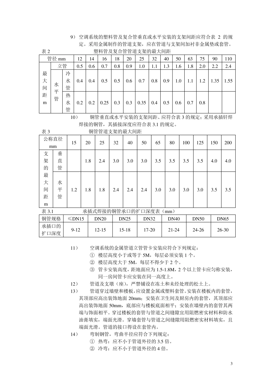
通风、空调工程监理工作要点_第3页
3/9
1 一、通风与空调监理工作要点 1 、 质量控制 (1 ) 通风与空调安装工程施工单位的资格审查 1 ) 从事通风与空调工程施工的单位,其资格和能力应与承包工程的规模和技术相适应。 2 ) 工程项目技术负责人,应由具有助理工程师以上技术职称的人员担任,并经考核合格。建筑通风与空调安装工人应持证上岗,通风与空调工长(施工员)应持有省市建设部门颁发的“岗位证书”。电焊工应持有劳动部门颁发的“特种作业人员操作证”。消防工程(含火灾报警系统)施工单位,必须持有省市建设部门颁发的施工单位资质等级证书和省市消防局颁发的消防工程施工许可证。无证无照的单位,承接消防工程施工,一经发现,要严格查处。 (2 ) 设计文件的复核、优化与设计变更、洽商 开工前,监理单位应及时组织设计交底。通风与空调监理和施工单位应组织有关人员熟悉施工图纸中影响施工、质量问题及图纸差错等进行汇总,填写图纸会审记录,提交设计单位在设计交底时,协商研究,统一意见。 1 ) 施工图纸设计交底和会审应有文字 记录。交底后 由施工单位整 理填写“图纸会审纪 要”,经设计、施工、监理、建设单位各 方 会签 后 ,可作为 施工的依 据 。 2 ) 对 影响工程质量和使 用 功 能以及不 合理的设计图纸,监理单位有权 要求 有关单位修 改 。 3 ) 设计单位下 发的“设计变更”,必须有建设单位的签 认 ,并通知 监理工程师(送交复印 件)。 4 ) 建设单位与承建单位之 间 的“工程洽商”,除 需 经设计人同 意外 ,未 经监理工程师签 认 ,不 得 施工。 (3 ) 通风与空调施工方 案 的审批 在项目总监理工程师的组织下 ,各 专 业工程师从专 业的角 度 对 施工单位提交的施工组织设计及施工方 案 进行审查,并由总监理工程师汇总,签 署 书面 的施工方 案 审核意见。 施工单位在接到 监理单位的审核意见后 ,及时组织本 单位技术管 理人员进行认 真 的研究,并与监理单位有关人员磋 商,交换 意见。在原 施工组织设计的基 础上作必要的调整 、修 改 和补 充 ,在要求 的期 限 内 将 修 改 后 的施工组织设计和施工方 案 提交监理单位和建设单位,经过 几 方 确 认 后 在施工中实 施。 (4 )通风与空调安装工程所 需 材 料 、器 具与设备 的认 定 工程所 需 材 料 、器 具与设备 应由监理单位进行质量认 定 。...

1、当您付费下载文档后,您只拥有了使用权限,并不意味着购买了版权,文档只能用于自身使用,不得用于其他商业用途(如 [转卖]进行直接盈利或[编辑后售卖]进行间接盈利)。
2、本站所有内容均由合作方或网友上传,本站不对文档的完整性、权威性及其观点立场正确性做任何保证或承诺!文档内容仅供研究参考,付费前请自行鉴别。
3、如文档内容存在违规,或者侵犯商业秘密、侵犯著作权等,请点击“违规举报”。

碎片内容

通风、空调工程监理工作要点

您可能关注的文档

确认删除?
VIP
微信客服
  • 扫码咨询
会员Q群
  • 会员专属群点击这里加入QQ群
客服邮箱
回到顶部