电脑桌面
添加小米粒文库到电脑桌面
安装后可以在桌面快捷访问

通风与空调风管系统安装技术交底VIP免费

通风与空调风管系统安装技术交底_第1页
1/15
通风与空调风管系统安装技术交底_第2页
2/15
通风与空调风管系统安装技术交底_第3页
3/15
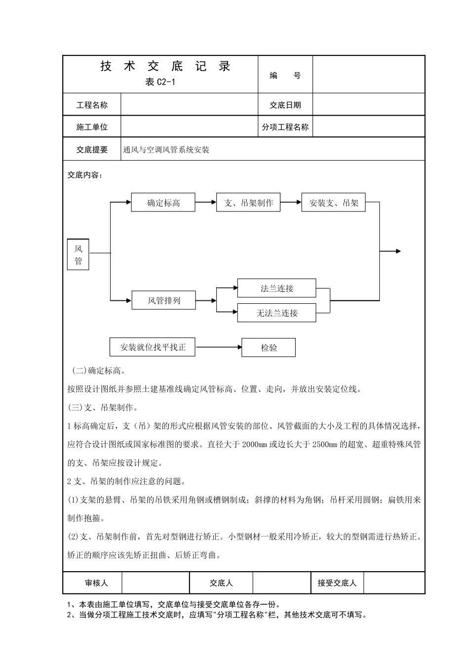
技 术 交 底 记 录 表C2-1 编 号 工程名称 交底日期 施工单位 分项工程名称 交底提要 通风与空调风管系统安装 交底内容: 审核人 交底人 接受交底人 1、本表由施工单位填写,交底单位与接受交底单位各存一份。 2、当做分项工程施工技术交底时,应填写"分项工程名称"栏,其他技术交底可不填写。 风管系统安装 本章适用于普通钢板、镀锌钢板、复合保护层的钢板、不锈钢板及铝板的风锌及部件安装。 一、材料要求 1 各种安装材料应具有出厂合格证明书或质量鉴定文件及产品清单。 2 风管成品不许有变形、扭曲、开裂、孔洞、法兰脱落、法兰开焊、漏铆、漏紧螺栓等缺陷。 3 安装的阀体、消声器、罩体、风口等部件应检查调节装置是否灵活,消声片、油漆层有无损伤。 4 安装使用材料:螺栓、螺母、垫圈、垫料、自攻螺钉、铆钉、拉铆钉、电焊条、焊丝、不锈钢焊丝、石棉布、帆布、膨胀螺栓等,都应符合产品质量要求。 二、主要施工设备机具 主要施工机具:手锤、电锤、手电钻、手锯、电动砂轮锯、角向磨光机、梯子、台钻、电气焊设备、扳手、改锥、倒链、滑轮、绳索、尖冲、錾子、刷子等。 三、作业条件 1 建筑物田 护结 构 施工完 毕 ,安装部位 的障 碍 物已 清理 ,地 面 无杂 物。 2 结 构 预 留 孔洞的位 置、尺 寸 正 确 ,无遗 漏,预 留 的孔洞应比 风管实 际 截 面 每 边 尺 寸 大 100mm。 3 作 业 地 点 要有相 应的辅 助 设施,如 梯子、架 子等,以 及电源 和 安全 防 护装置、消防 器材等。 4 风管安装应有设计 图 纸 及大 样 图 ,并 有施工员 的技 术 、质量、安全 交 底 。 四、工作流程 (一 )工艺 流 程 图 : 技 术 交 底 记 录 表C2-1 编 号 工程名称 交底日期 施工单位 分项工程名称 交底提要 通风与空调风管系统安装 交底内容: 审核人 交底人 接受交底人 1、本表由施工单位填写,交底单位与接受交底单位各存一份。 2、当做分项工程施工技术交底时,应填写"分项工程名称"栏,其他技术交底可不填写。 (二)确定标高。 按照设计图纸并参照土建基准线确定风管标高、位置、走向,并放出安装定位线。 (三)支、吊架制作。 1 标高确定后,支(吊)架的形式应根据风管安装的部位、风管截面的大小及工程的具体情况选择,应符合设计图纸或国家标准图的要求。直径大于 2000mm 或边长大于 2500mm ...

1、当您付费下载文档后,您只拥有了使用权限,并不意味着购买了版权,文档只能用于自身使用,不得用于其他商业用途(如 [转卖]进行直接盈利或[编辑后售卖]进行间接盈利)。
2、本站所有内容均由合作方或网友上传,本站不对文档的完整性、权威性及其观点立场正确性做任何保证或承诺!文档内容仅供研究参考,付费前请自行鉴别。
3、如文档内容存在违规,或者侵犯商业秘密、侵犯著作权等,请点击“违规举报”。

碎片内容

通风与空调风管系统安装技术交底

您可能关注的文档

确认删除?
VIP
微信客服
  • 扫码咨询
会员Q群
  • 会员专属群点击这里加入QQ群
客服邮箱
回到顶部