电脑桌面
添加小米粒文库到电脑桌面
安装后可以在桌面快捷访问

通风改造施工方案VIP免费

通风改造施工方案_第1页
1/8
通风改造施工方案_第2页
2/8
通风改造施工方案_第3页
3/8
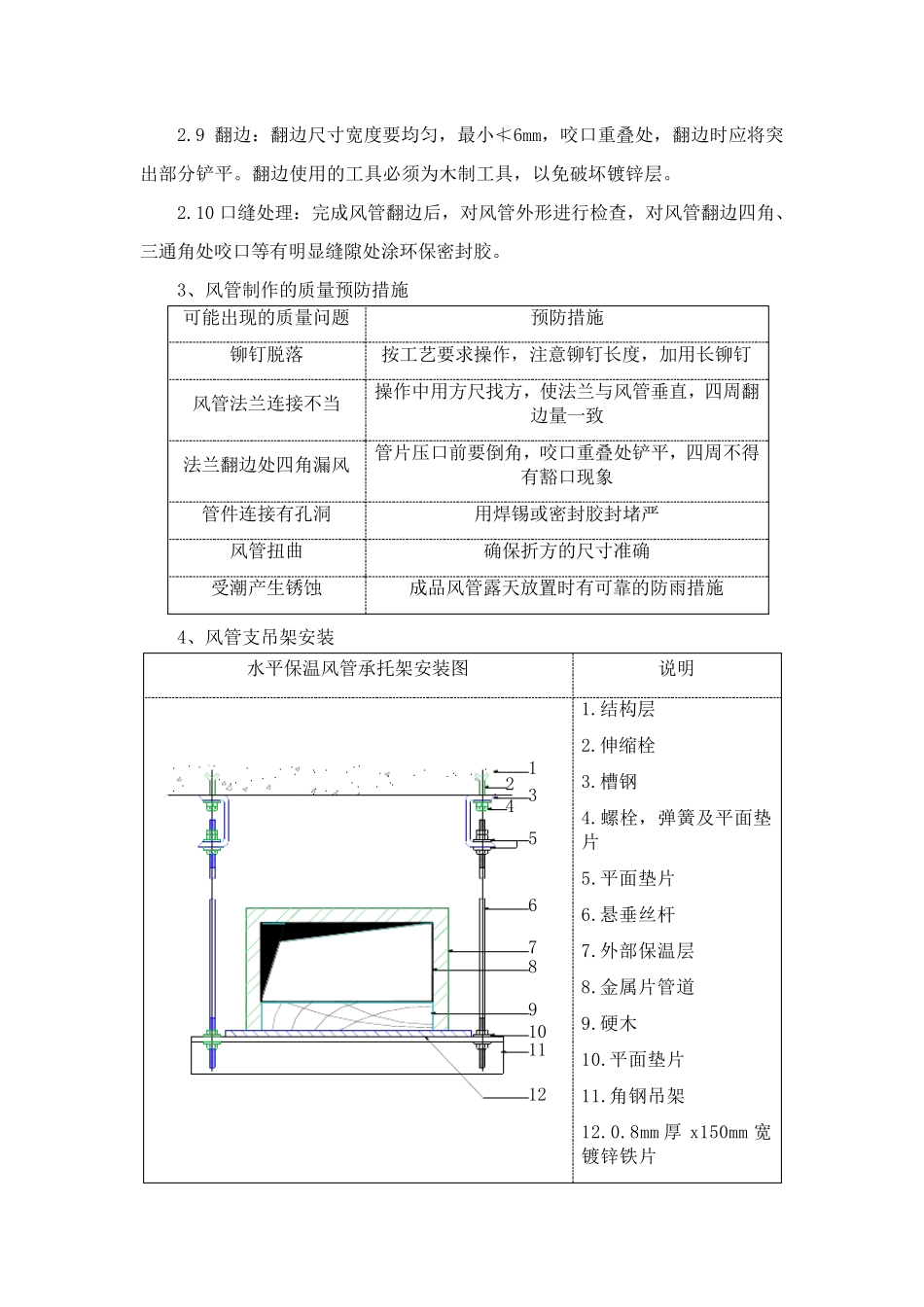
( 一 ) 通 风 排 烟 系 统 施 工 1、 风 管 材 质 要 求 : 送 回 风 管 及 排 风 管 均 采 用 镀 锌 钢 板 制 作 , 其 制 作 、 配 件 、 钢 板 厚 度 和 允 许 漏风 量 等 要 求 均 应 符 合 规 范 的 规 定 。 2、 风 管 加 工 2.1 加 工 流 程 图 2.2 选 料 : 镀 锌 钢 板 材 厚 度 应 符 合 设 计 要 求 , 制 作 前 , 检 查 所 用 材 料 必 须 有产 品 合 格 证 明 , 若 无 上 述 文 件 , 不 得 使 用 。 2.3 下 料 : 严 格 遵 守 设 计 图 纸 及 国 标 相 应 的 尺 寸 规 定 。 板 材 在 下 料 前 必 须 进行 校 验 , 做 好 材 料 的 节 约 工 作 , 利 用 角 料 加 工 小 的 零 部 件 。 2.4 剪 切 : 剪 切 前 进 行 下 料 复 核 , 以 免 有 误 。 复 核 后 , 按 下 料 形 状 采 用 机 械剪 板 机 、 等 离 子 切 割 机 进 行 剪 切 。 剪 切 后 , 在 咬 口 前 进 行 剪 口 倒 角 , 倒 角 必 须 用专 用 倒 角 工 具 , 以 免 出 现 误 差 。 2.5 咬 口 : 风 管 的 咬 口 按 相 应 规 定 进 行 , 矩 形 风 管 角 咬 口 采 用 联 合 角 咬 口 ,矩 形 风 管 弯头、 异径管 等 部 件 必 须 采 用 联 合 角 咬 口 。 咬 口 不 得 出 现 半咬 口 及 胀裂等 情况, 以 免 成型后 的 风 管 漏 风 。 2.6 折方: 咬 口 后 的 板 料 进 行 折方, 首先需核 对折方线, 确认无 误 后 进 行 折方, 折方的 关键是位置正确、 角 度 准确, 尤其 对变径弯头及 变径三通 等 零 部 件 的折方角 度 必 须 准确以 免 影响管 径。 2.7 成型: 风 管 成型前 , 应 检 查 下 料 、 咬 口 、 折方等 工 序是否无 误 , 核 对下料 的 几何尺 寸 是否正确。 风 管 合 口 用 木制 工 具 , 避免 损坏不 锈钢 表层。 风 管 合 口必 须 严 密以 避免 漏 风 , 且四边平齐。 2.8 铆接: 风 管 与角 钢 法兰连接, 管 壁厚 度 ≤1.5mm, 采 用 翻边铆接, 铆接部 位应 在 法兰外...

1、当您付费下载文档后,您只拥有了使用权限,并不意味着购买了版权,文档只能用于自身使用,不得用于其他商业用途(如 [转卖]进行直接盈利或[编辑后售卖]进行间接盈利)。
2、本站所有内容均由合作方或网友上传,本站不对文档的完整性、权威性及其观点立场正确性做任何保证或承诺!文档内容仅供研究参考,付费前请自行鉴别。
3、如文档内容存在违规,或者侵犯商业秘密、侵犯著作权等,请点击“违规举报”。

碎片内容

通风改造施工方案

您可能关注的文档

确认删除?
VIP
微信客服
  • 扫码咨询
会员Q群
  • 会员专属群点击这里加入QQ群
客服邮箱
回到顶部