电脑桌面
添加小米粒文库到电脑桌面
安装后可以在桌面快捷访问

通风空调工程定额解释VIP免费

通风空调工程定额解释_第1页
1/23
通风空调工程定额解释_第2页
2/23
通风空调工程定额解释_第3页
3/23
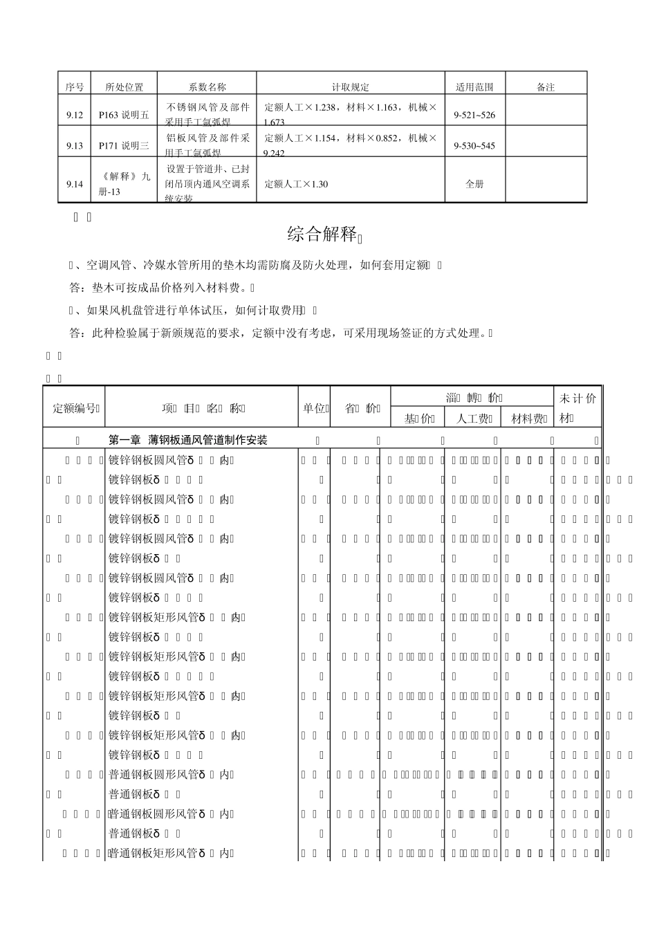
第九册 通风空调工程 定额解释 1.通风管道工程量计算时“不包括部件所占长度”,其部件及其长度如何界定? 答:通风管道部件是指风管阀门、风口、风帽、罩类、静压箱及消声器等部件,其长度应按设计图纸或其采用的标准图集标示的长度计算。 2.帆布接口与柔性软风管有何区别? 答:区别在于:(1)功能不同:前者是用于设备与风管或部件的连接;后者是用于不易于设置刚性风管位置的挠性风管,属通风管道系统。(2)固定方式不同:前者采用法兰连接形式,一般不设专门的支托吊架;后者采用镀锌皮卡子连接,采用吊托支架固定。(3)长度不同:前者按标准图集长度常为150—250mm;后者长度一般在0.5—2.5m左右。(4)材质不同:前者定额中采用帆布;后者是由金属,涂塑化纤织物,聚酯、聚乙烯、聚氯乙烯薄膜、铝箔等材料制成的。(5)定额内容不同:前者为现场制作安装;后者为成品软管安装。 在套用定额时应注意:柔性软风管如每根长度小于3m时,可直接采用定额,如每根大于3m时,可按3m一根折算,不足 3m按3m计。 3.多叶排烟口及板式排烟口是按在什么位置安装考虑的? 答:该定额是按安装在墙上或通风井道壁上进行编制的。如是安装在通风管道上的防火排烟风口,则按第二章相应防火阀定额执行。 4.遇到折板式消声器安装应执行什么定额? 答:折板式消声器是新产品,如遇有折板式消声器安装可执行同规格阻抗式复合消声器定额项目。 5.轴流风机防雨短管制作安装项目如何执行定额? 答:轴流风机防雨短管制作安装可按风管壁厚使用相应通风管道定额项目,人工乘以系数 3.0。 6.净化风管制作安装未包括膨胀螺栓及电锤台班的消耗量,请问其支架的固定方式是怎样考虑的? 答:净化风管支架的固定是按在预埋铁件上焊接考虑的。如设计要求采用膨胀螺栓固定支架,可按实际调整相关消耗量。 7.第十章说明第七条规定:铝板风管采用咬口、法兰连接形式,可参照第一章镀锌钢板咬口连接项目执行。请问,执行第一章相应项目时,可否调整不同的材料? 答:可以按图纸设计或标准的要求进行调整。比如铝质铆钉、铝质型材或螺栓、垫圈等均可调整。 8.铝板风管制安没考虑加固框,如发生时,应如何执行定额? 答:铝板风管一般设计不需要加固框。如发生时,可按9-548、549项目执行,需扣除紧固、密封材料。 9.成品风管法兰的重量是否包括焊条、焊丝的增重? 答:从理论上说,成品风管法兰重量内,已包括成型后焊缝填充材料的重量,不应另行...

1、当您付费下载文档后,您只拥有了使用权限,并不意味着购买了版权,文档只能用于自身使用,不得用于其他商业用途(如 [转卖]进行直接盈利或[编辑后售卖]进行间接盈利)。
2、本站所有内容均由合作方或网友上传,本站不对文档的完整性、权威性及其观点立场正确性做任何保证或承诺!文档内容仅供研究参考,付费前请自行鉴别。
3、如文档内容存在违规,或者侵犯商业秘密、侵犯著作权等,请点击“违规举报”。

碎片内容

通风空调工程定额解释

确认删除?
VIP
微信客服
  • 扫码咨询
会员Q群
  • 会员专属群点击这里加入QQ群
客服邮箱
回到顶部