电脑桌面
添加小米粒文库到电脑桌面
安装后可以在桌面快捷访问

通风竖井衬铁皮交底VIP免费

通风竖井衬铁皮交底_第1页
1/6
通风竖井衬铁皮交底_第2页
2/6
通风竖井衬铁皮交底_第3页
3/6
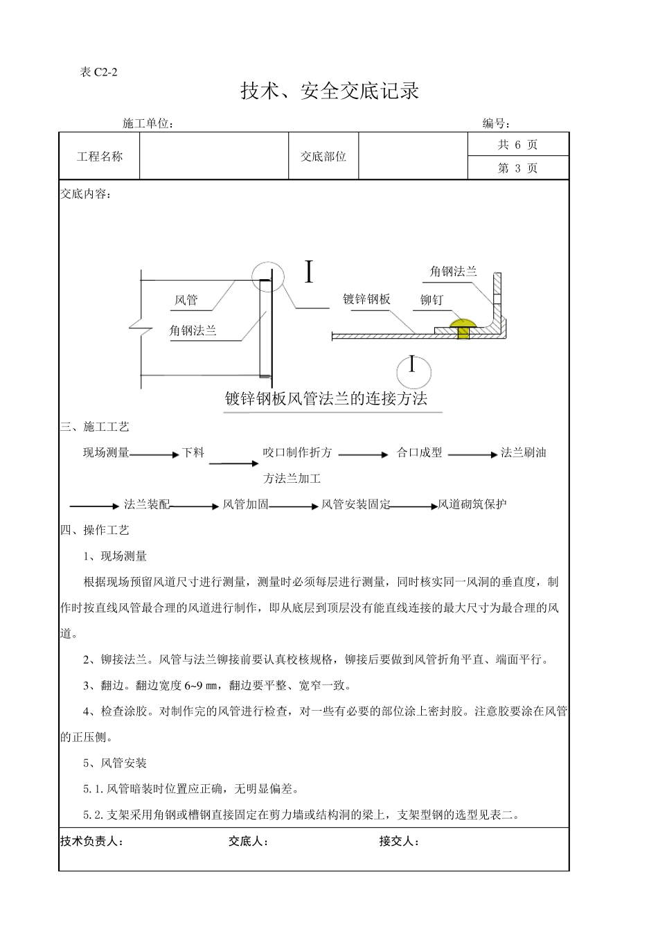
表C2-2 技术、安全交底记录 施工单位: 编号: 工程名称 交底部 位 共 6 页 第 1 页 交底内容:通风竖井内衬铁皮 一、施工准备 1、材料要求 1.1、各种安装材料应具有出厂合格证明书或质量鉴定文件及产品清单。 1.2、角钢等型均匀,无裂纹,窝穴;镀锌钢板表面无裂纹,结疤,水印。 1.3、安装使用的材料:螺栓、螺母、垫圈、垫料、拉铆钉,焊条、射钉、膨胀螺栓应符合产品质量要求。 2、施工工器具 主要工器具有:手锤、电锤、手电钻、手锯、电动双刃剪、折边机、咬口机、角向磨光机、台钻、电气焊工具、扳手、改锥、手剪、倒链、高凳、大绳、尖冲、射钉枪、刷子等。 3、作业条件 3.1、在建筑物围护结构施工完,障碍物已清理,地面无杂物的条件下进行。 3.2、 检查现场 预 留 孔 洞 位置 、尺 寸 应符合图 纸 要求,每 边比 实 际 截 面大 100mm。 3.3、作业地点 要有相 应的辅 助 设 施,如 梯 子、架 子、安全防 护、消 防 器材,并 有施工员 的技术、质量、安全交底。 二 、质量要求 本 工程风管 制 作应遵 照 以 下规 定: 1、 材料选 型: 1.1 通风竖井内所 有内衬镀锌铁皮厚 度 ( 参 见 最 后 见 附 图 )。 1.2 风管 法 兰 及支 架 型钢选 型表 矩 形 法 兰 的制 作:矩 形 法 兰 由 四 块 角钢拼 成 ,画 线 下料时 ,注 意 使焊接 后 法 兰 的内边不 能 小 于 风管 的外 边尺 寸 ,达 到 允 许 的偏 差 值 。角钢切 断 采 用切 割 机,切 割 后 磨掉 角钢两 端 毛 刺 ,在平 台上 进行法 兰 的焊接 。法 兰 焊接 时 先 进行点 焊,点 焊后 进行测 量和 变 形 调 整 ,使法 兰 的两 条对 角线 相 等。然 后 再 进行法 兰 的满 焊。矩 形 法 兰 钻孔 时 先 按 规 定的螺栓数 量画 线 分 孔 ,用样 冲定点 后 ,将 两 个 相 配 的法 技术负责人: 交底人: 接交人: 表C 2-2 技术、安全交底记录 施工单位: 编号: 工程名称 交底部位 共 6 页 第2 页 交底内容: 兰用夹子夹在一起,在台钻上或冲床上钻出螺栓孔,螺栓孔径比螺栓大两号。 2 .风管制作时,风管或配件需采用联合角咬口。 3 .金属风管制作时,其外径或外边长的允许偏差为:当边长小于或等于300mm 时为-1~0mm; 当边长大于300mm 时为-2~0mm。其法...

1、当您付费下载文档后,您只拥有了使用权限,并不意味着购买了版权,文档只能用于自身使用,不得用于其他商业用途(如 [转卖]进行直接盈利或[编辑后售卖]进行间接盈利)。
2、本站所有内容均由合作方或网友上传,本站不对文档的完整性、权威性及其观点立场正确性做任何保证或承诺!文档内容仅供研究参考,付费前请自行鉴别。
3、如文档内容存在违规,或者侵犯商业秘密、侵犯著作权等,请点击“违规举报”。

碎片内容

通风竖井衬铁皮交底

确认删除?
VIP
微信客服
  • 扫码咨询
会员Q群
  • 会员专属群点击这里加入QQ群
客服邮箱
回到顶部