电脑桌面
添加小米粒文库到电脑桌面
安装后可以在桌面快捷访问

通风防排烟系统施工方案VIP免费

通风防排烟系统施工方案_第1页
1/6
通风防排烟系统施工方案_第2页
2/6
通风防排烟系统施工方案_第3页
3/6
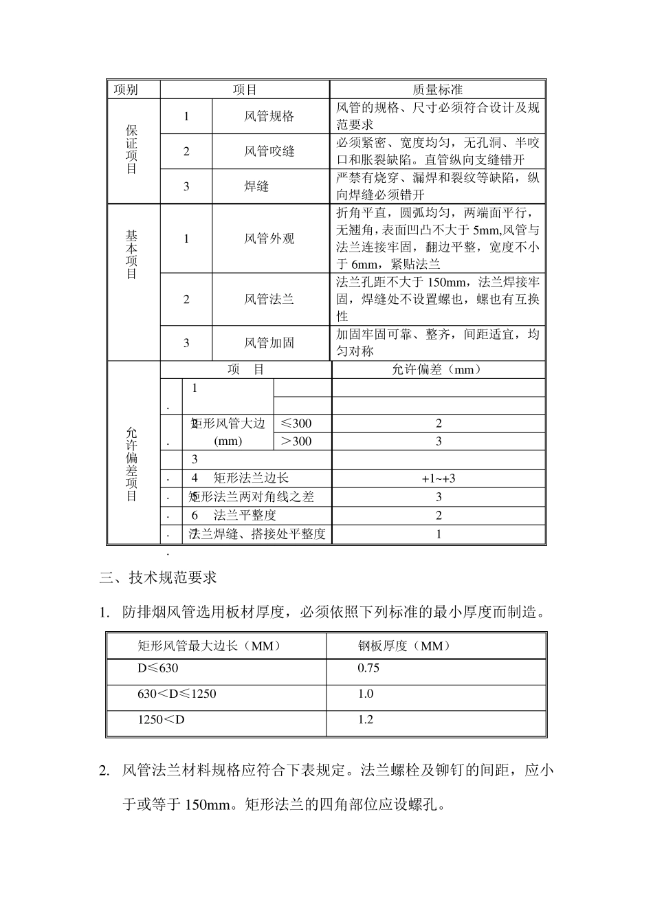
通风防排烟系统施工方案 一、工艺施工流程: 1 . 系统工艺施工流程: 防排烟风管安装 → 防排烟阀件安装 → 加压送风口安装 → 风机安装 → 阀件自控件安装 → 单机试运转 → 系统联合调试 2 . 防排烟风管制作工艺流程: 3 . 防排烟风管安装操作工艺流程: .划线定位 →.吊筋横担制作 →.支吊架制安 →.风管组装 → .风管安装 →.风管阀件风机连接 二、风管制作、安装质量标准 领料 展开下料 剪切 倒角 咬口制作 风管折方 成型 法兰下料 焊接 铆法兰 翻边 检验 安装 法兰钻孔 项别 项目 质量标准 保证项目 1 风管规格 风管的规格、尺寸必须符合设计及规范要求 2 风管咬缝 必须紧密、宽度均匀,无孔洞、半咬口和胀裂缺陷。直管纵向支缝错开 3 焊缝 严禁有烧穿、漏焊和裂纹等缺陷,纵向焊缝必须错开 基本项目 1 风管外观 折角平直,圆弧均匀,两端面平行,无翘角,表面凹凸不大于5mm,风管与法兰连接牢固,翻边平整,宽度不小于6mm,紧贴法兰 2 风管法兰 法兰孔距不大于150mm,法兰焊接牢固,焊缝处不设置螺也,螺也有互换性 3 风管加固 加固牢固可靠、整齐,间距适宜,均匀对称 允许偏差项目 项 目 允许偏差(mm) 1. 2. 矩形风管大边(mm) ≤300 2 >300 3 3. 4. 矩形法兰边长 +1~+3 5. 矩形法兰两对角线之差 3 6. 法兰平整度 2 7. 法兰焊缝、搭接处平整度 1 三、技术规范要求 1. 防排烟风管选用板材厚度,必须依照下列标准的最小厚度而制造。 矩形风管最大边长(MM) 钢板厚度(MM) D≤630 0.75 630<D≤1250 1.0 1250<D 1.2 2. 风管法兰材料规格应符合下表规定。法兰螺栓及铆钉的间距,应小于或等于150mm。矩形法兰的四角部位应设螺孔。 矩形风管法兰及螺栓规格(mm) 风管长边尺寸b 法兰用料规格(角钢) 螺栓规格 b≤630 25×3 M6 630<b≤1500 30×3 M8 1500<b≤2500 40×4 2500<b≤4000 50×5 M10 3. 风管板材连接采用咬接。风管与角钢法兰的连接,采用翻边铆边接,铆接应牢固。 4. 按图纸所示,在风管和风机之间,设置不少于 50m m 长的柔性接头,以防止震动传送到相邻的部分。柔性接头采用具有防火性能及符合消防局的规定。柔性接头的安装应松紧适度,无明显扭曲。 5. 所有风管的法兰接头必须是由橡胶垫套所制造的垫套。 6. 将接合处用密封剂、粘合物、绝带封密,采用符合市消防局防火要求的易粘...

1、当您付费下载文档后,您只拥有了使用权限,并不意味着购买了版权,文档只能用于自身使用,不得用于其他商业用途(如 [转卖]进行直接盈利或[编辑后售卖]进行间接盈利)。
2、本站所有内容均由合作方或网友上传,本站不对文档的完整性、权威性及其观点立场正确性做任何保证或承诺!文档内容仅供研究参考,付费前请自行鉴别。
3、如文档内容存在违规,或者侵犯商业秘密、侵犯著作权等,请点击“违规举报”。

碎片内容

通风防排烟系统施工方案

您可能关注的文档

确认删除?
VIP
微信客服
  • 扫码咨询
会员Q群
  • 会员专属群点击这里加入QQ群
客服邮箱
回到顶部