电脑桌面
添加小米粒文库到电脑桌面
安装后可以在桌面快捷访问

造纸公司安全操作规程汇编VIP免费

造纸公司安全操作规程汇编_第1页
1/24
造纸公司安全操作规程汇编_第2页
2/24
造纸公司安全操作规程汇编_第3页
3/24
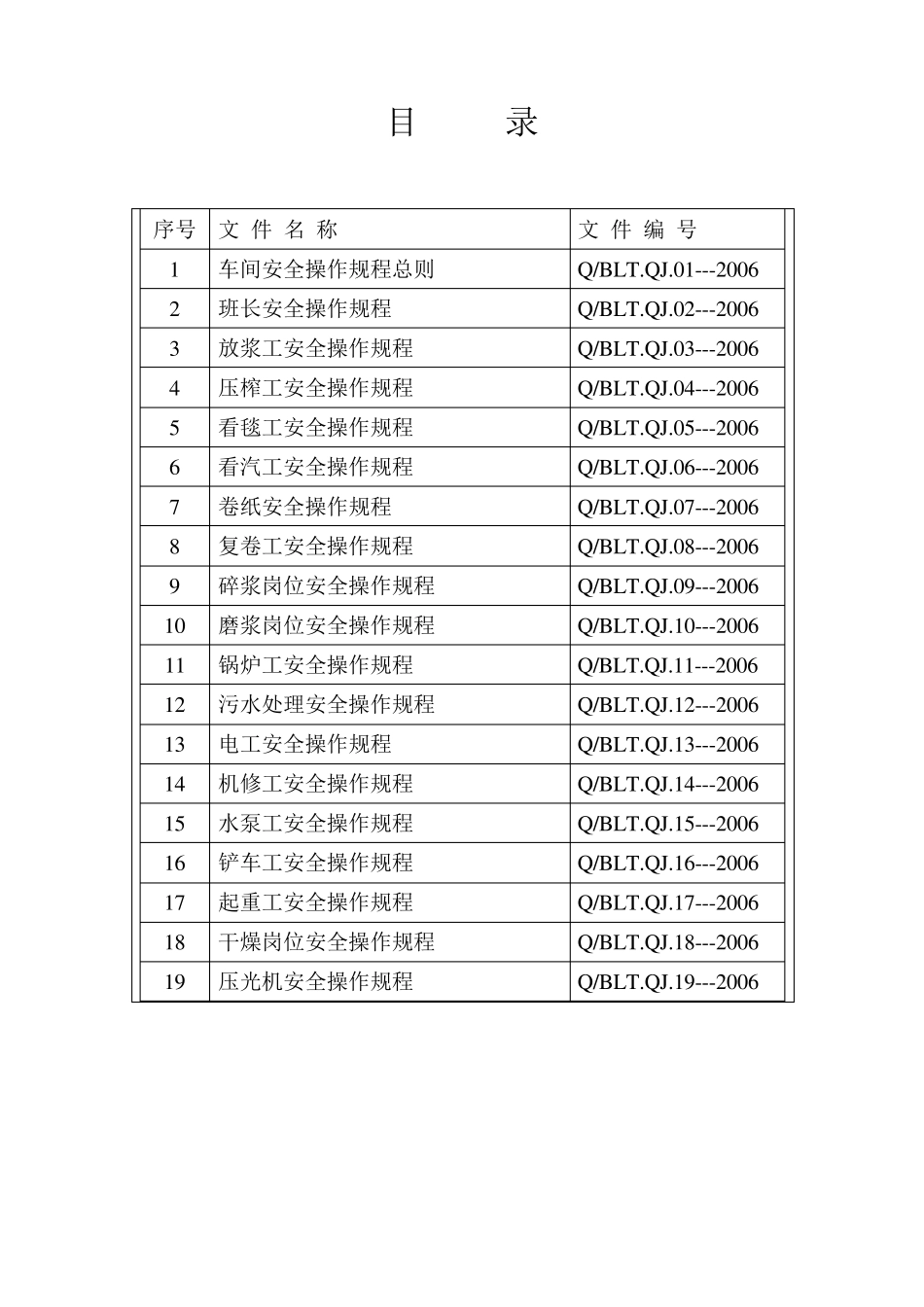
浙江金华永顺纸业有限公司 Q/BLT.QJ.OO-----2006 ---------------------------------------------------------------------------------------------------------------------- 安全操作规程汇编 第 A 版 受控状态 持有者 发放号 ---------------------------------------------------------------------------------------------------------------------- 年 月 日 实 施 目 录 序号 文 件 名 称 文 件 编 号 1 车间安全操作规程总则 Q/BLT.QJ.01---2006 2 班长安全操作规程 Q/BLT.QJ.02---2006 3 放浆工安全操作规程 Q/BLT.QJ.03---2006 4 压榨工安全操作规程 Q/BLT.QJ.04---2006 5 看毯工安全操作规程 Q/BLT.QJ.05---2006 6 看汽工安全操作规程 Q/BLT.QJ.06---2006 7 卷纸安全操作规程 Q/BLT.QJ.07---2006 8 复卷工安全操作规程 Q/BLT.QJ.08---2006 9 碎浆岗位安全操作规程 Q/BLT.QJ.09---2006 10 磨浆岗位安全操作规程 Q/BLT.QJ.10---2006 11 锅炉工安全操作规程 Q/BLT.QJ.11---2006 12 污水处理安全操作规程 Q/BLT.QJ.12---2006 13 电工安全操作规程 Q/BLT.QJ.13---2006 14 机修工安全操作规程 Q/BLT.QJ.14---2006 15 水泵工安全操作规程 Q/BLT.QJ.15---2006 16 铲车工安全操作规程 Q/BLT.QJ.16---2006 17 起重工安全操作规程 Q/BLT.QJ.17---2006 18 干燥岗位安全操作规程 Q/BLT.QJ.18---2006 19 压光机安全操作规程 Q/BLT.QJ.19---2006 车间安全操作规程总则(Q/BLT.QJ.01---2006) 1 、各制浆车间、造纸车间领导,自觉接受并努力完成公司下达的产品质量指标和各项生产任务。 2 、认真对待安全生产意识,时刻把安全生产放在首要位置,做到精心操作,严禁违章指挥,违章作业。 3 、严格执行上下班制度,不迟到不早退,严禁私自调班。 4 、上岗期间严禁擅自离开操作岗位,不准睡觉、看书报、串岗、做私活及吃零食等。 5 、上岗时不准会客,不准聚众谈笑,不准乱窜车间。 6 、上岗时做到服装整洁(厂服发放后一律穿厂服),不准穿背心、短裤,男工不留长发、女工要戴工作帽,不准穿宽松衫、高跟鞋、裙子、拖鞋及塑料底鞋,严禁戴手套作业。 7 、上岗期间严禁喝酒,严禁在禁烟区吸烟。 8 、严禁私自触摸电器,严禁跨越传动部位。 9 、行车起吊前,应提前做好安全操作准备工作,严禁行车底下站人。 1 0 、提前 1 0 分钟上岗,做好...

1、当您付费下载文档后,您只拥有了使用权限,并不意味着购买了版权,文档只能用于自身使用,不得用于其他商业用途(如 [转卖]进行直接盈利或[编辑后售卖]进行间接盈利)。
2、本站所有内容均由合作方或网友上传,本站不对文档的完整性、权威性及其观点立场正确性做任何保证或承诺!文档内容仅供研究参考,付费前请自行鉴别。
3、如文档内容存在违规,或者侵犯商业秘密、侵犯著作权等,请点击“违规举报”。

碎片内容

造纸公司安全操作规程汇编

您可能关注的文档

确认删除?
VIP
微信客服
  • 扫码咨询
会员Q群
  • 会员专属群点击这里加入QQ群
客服邮箱
回到顶部