第一章 投标综合说明首先,对杭州**纸业有限公司给予我公司这次宝贵的竞标机会表示衷心的感谢,我们十分珍惜这一难得的投标机会,以积极热...
加强造纸隐患排查综治办法为 不 断 法 律 规 范 造 纸 行 业 企 业 的 安 全 生 产 行 为 ,控 制 和 减 少 生 ...
制浆造纸废水的处理 碱回收法 碱回收处理法是目前解决黑液问题比较有效的方法,通过黑液提取、蒸发、燃烧、苛化四个主要工段,可将黑液中...
凝胶渗透色谱技术在制浆造纸中的应用凝胶渗透色谱技术在制浆造纸中的应用 凝胶渗透色谱(GPC)是液相分配色谱的一种,是 60 年代中期进...
东莞市金元立造纸有限公司6000 吨/日废水处理工程(一期)设计方案说明设计单位:东莞市康莱环保净化工程有限公司设计证书:设计日期:二...
40 万吨/年箱板纸制浆造纸综合工厂设计重点:日产 900 吨箱板纸抄造车间设计摘 要该说明书主要介绍了建设一个利用废纸造纸达到年产 40...
XXX 年造纸淘汰落后产能企业名单 doc序号省(区)企 业 名 称剔除生产线(设备)型号及数量产 能(万吨)1河北唐山市第四造纸厂生产线 2...
XXX 年造纸行业风险分析报告造纸及纸制品业包括纸浆制造本报告分析采纳的范畴是根据国家统计局分类标准定义的造纸及纸制品业,行业代码为...
Fenton 工艺法深度处理造纸废水介绍Fenton 工艺法深度处理造纸废水介绍 摘要:Fenton 氧化法是一种有效处理难降解有机废水的新型工艺,...
一、行业背景资料造纸工业是一个和国民经济进展和社会文明建设息息相关关键产业。在经济发达国家纸及纸板消费量增加速度和其中国生产总值增...
造纸装备基地工程(研发楼)基础及地下室施工监理细则一、工程概况中国造纸装备自主化集成(永清)基地工程位于河北省廊坊市永清工业园区一...
探究制浆造纸废水新时期处理技术探究制浆造纸废水新时期处理技术 摘要:目前,在化学工业及其相关产业的竞争和进展日益激烈的同时还带来了...
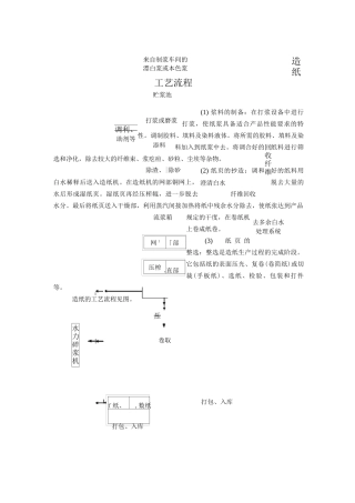
造纸工艺流程(1) 浆料的制备:在打浆设备中进行打浆,使纸浆具备适合产品性能要求的特性。调制胶料、填料及染料液体。将所需的胶料、填料...
废纸造纸项目环境管理和监测计划环境管理实施环境管理的必要性环境管理是企业管理的重要组成部分,同生产管理、劳动管理、财务管理和销售管...
年产 5 万吨造纸废水处理方案(16 页)Good is good, but better carries it.精益求精,善益求善。废水处理工程方案二1项目概述1.1...
制浆造纸机械设备复习题(7页)Good is good, but better carries it.精益求精,善益求善。制浆造纸机械与设备 下册:第一章 打浆、...
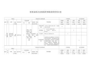
制浆造纸企业现场管理隐患排查项目表风险点排查内容与排查标准日常检查综合性检查编号类型名称风险点等级责任单位作业区域危险源(职业病危...
中国造纸行业参加碳交易的现状与建议节约能源,降低碳排放是当今时代及未来的进展趋势,而造纸行业是我国碳排放几大重点行业之一。本文讨论...
浙 江 某 纸 业 有 限 公 司60 万 吨 轻 涂 白 面 牛 卡 纸 、 10 万吨 渣 浆 瓦 楞 原 纸 生 产 线 技 改...
目 录1 总 论..................................................11.1 项目概况.......................................11.2 建设单...

