电脑桌面
添加小米粒文库到电脑桌面
安装后可以在桌面快捷访问

造纸及纸制品业

造纸及纸制品业_第1页
1/9
造纸及纸制品业_第2页
2/9
造纸及纸制品业_第3页
3/9
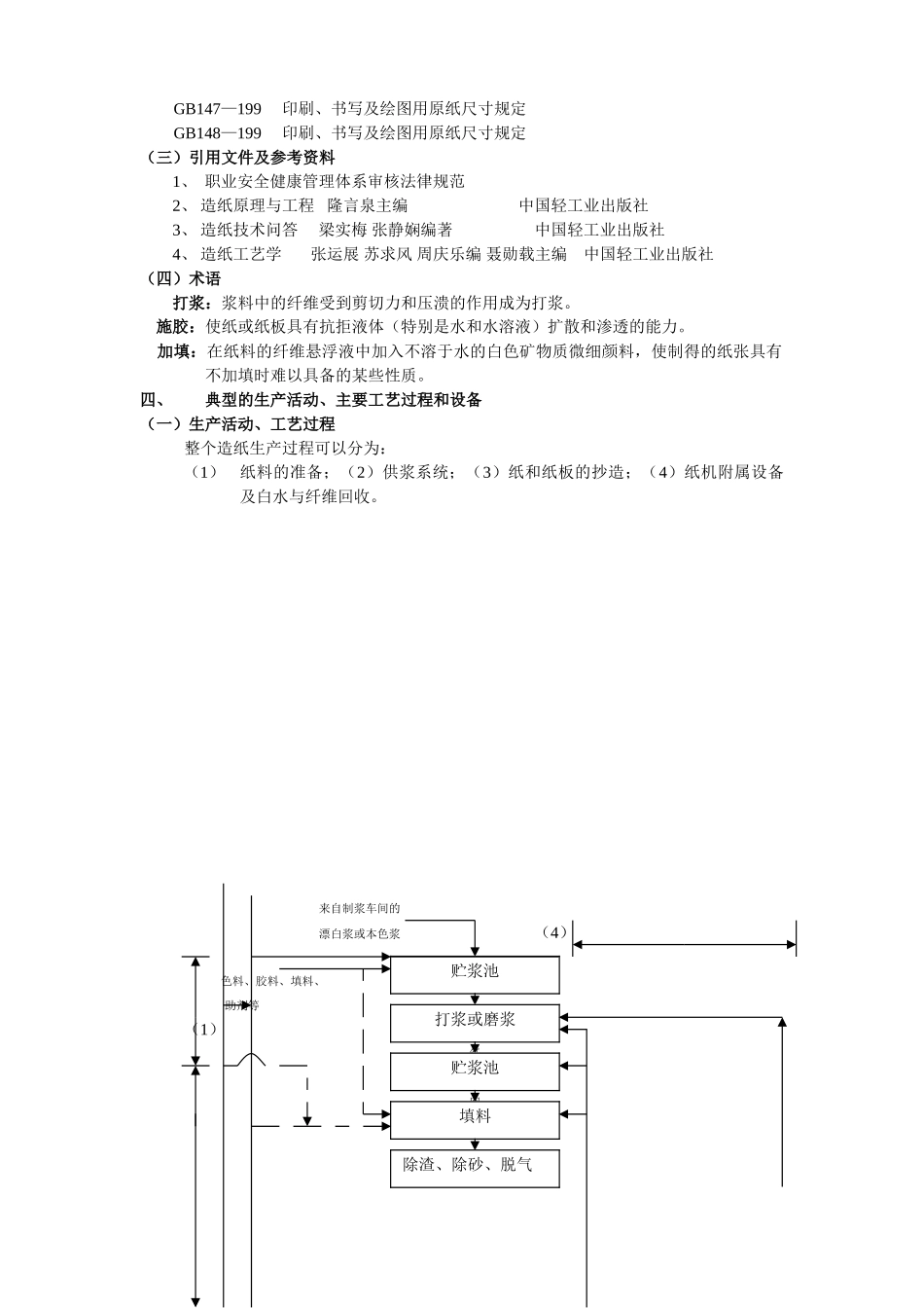
造纸及纸制品业审核指导书丙BCC/AG/S-25/00编 制:审 核:批 准: 实施日期:2025/6/13一、目的指导审核人员有效地对纸浆、纸、纸板制造业组织的体系(按职业安全健康管理体系审核法律规范)审核。 二、适用范围本审核作业指导书适用于纸浆、纸、纸板制造业根据职业安全健康管理体系审核法律规范进行审核作参考,本作业指导书以纸浆、纸、纸板的生产企业为例。 三、引用的法律、法规及其他要求(一)法律法规执行地方职业安全健康相关法律、法规及其他要求 《中华人民共和国劳动法》《中华人民共和国消防法》《女职工劳动保护规定》《爆炸危险场所安全规定》《工业企业设计卫生标准》《职业病范围和职业病者处理办法的规定》《关于生产建设项目职业安全卫生监督的暂行规定》《工厂安全卫生规程》 《工业企业噪声卫生标准》《压力容器安全监察规程》《企业职工伤亡事故报告和处理规定》《有毒作业危害分级监察规定》《劳动保护用品管理规定》《特种作业人员安全技术培训考核管理办法》《电气安全管理规程》《蒸汽锅炉安全监察规程》《热水锅炉安全技术监察规程》《化学危险品安全管理条例》《工作场所安全使用化学品规定》《中华人民共和国职业病防治法》《中华人民共和国尘肺病防治条例》《职业病报告办法》《女工保健工作规定》《易燃易爆化学物品消防安全监督管理办法》《消防监督检查条例》造纸工业安全生产管理规定 (90)轻纸字第 1 号造纸行业原料场消防安全管理规定 (90)轻生字第 65 号粉尘危害分级监察规定电气安全管理规程电气安全工作规程火灾统计管理规定劳动部办公厅关于实施《企业职工伤亡事故统计报表制度》有关事项的通知劳动部关于颁布《企业职工劳动安全卫生教育管理规定》的通知劳动部关于颁发《有毒作业危害分级监察规定》的通知劳动部关于颁发《重大事故隐患管理规定》的通知劳动部关于加强职业安全卫生工作的通知劳动部关于职工重大死亡事故的通报企业职工伤亡事故报告和处理规定起重机械安全监察规定锅炉使用登记办法职业健康监护管理办法职业病危害项目申报管理办法消防监督检查规定GB 15630-1995 消防安全标志设置要求(二)标准GB11654-89 硫酸盐造纸厂卫生防护距离标准QBJ101—88 《制浆造纸厂设计法律规范》GB147—199 印刷、书写及绘图用原纸尺寸规定GB148—199 印刷、书写及绘图用原纸尺寸规定(三)引用文件及参考资料1、 职业安全健康管理体系审核法律规范2、 造纸原理与工程 隆言泉主编 中国...

1、当您付费下载文档后,您只拥有了使用权限,并不意味着购买了版权,文档只能用于自身使用,不得用于其他商业用途(如 [转卖]进行直接盈利或[编辑后售卖]进行间接盈利)。
2、本站所有内容均由合作方或网友上传,本站不对文档的完整性、权威性及其观点立场正确性做任何保证或承诺!文档内容仅供研究参考,付费前请自行鉴别。
3、如文档内容存在违规,或者侵犯商业秘密、侵犯著作权等,请点击“违规举报”。

碎片内容

造纸及纸制品业

确认删除?
VIP
微信客服
  • 扫码咨询
会员Q群
  • 会员专属群点击这里加入QQ群
客服邮箱
回到顶部