电脑桌面
添加小米粒文库到电脑桌面
安装后可以在桌面快捷访问

木门窗安装工艺VIP免费

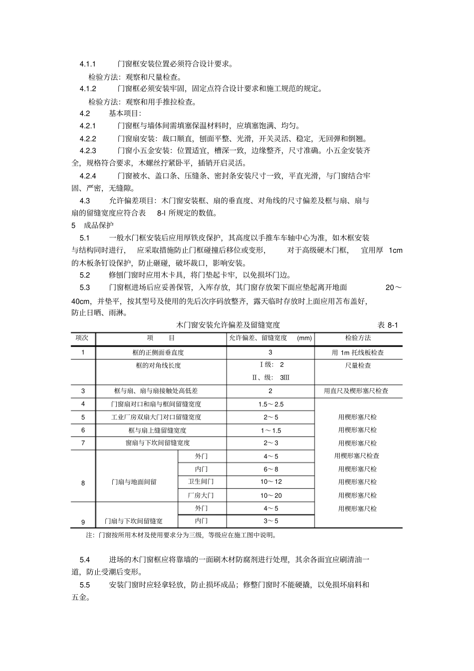
木门窗安装工艺_第1页
1/4
木门窗安装工艺_第2页
2/4
木门窗安装工艺_第3页
3/4
木门窗安装1 范围本工艺标准适用于工业与民用建筑的木门窗安装。2 施工准备 2.1 材料及主要机具: 2.1.1 木门窗:木门窗加工制做的型号、数量及加工质量必须符合设计要求,有出厂合格证,且应要求木门窗制作时的木材含水率不应大于12%。 2.1.2 木制纱门窗:应与木门窗配套加工,型号、数量、尺寸符合设计要求,有出厂合格证,压纱条应与裁口相匹配,所用的小钉应配套供应。 2.1.3 防腐剂:氟硅酸钠,其纯度不应小于95%,含水率不大于l% ,细度要求应全部通过 1600 孔 /cm2 的筛。或稀释的冷底子油,涂刷木材面与墙体接触部位。 2.1.4 墙体中用于固定门窗框的预埋件、木砖和其它连接件应符合设计要求。 2.1.5 小五金及其配件的种类、规格、 型号必须符合图纸要求,并与门窗框扇相匹配。且产品质量必须是合格产品。 2.1.6 主要机具:粗刨、细刨、裁口刨、单线刨、锯、锤子、斧子、改锥、线勒子、扁铲、塞尺、线坠、红线包、墨斗、木钻、小电锯、担子板、笤帚等。 2.2 作业条件: 2.2.1 门窗框进入施工现场必须检查验收。门窗框和扇安装前应先检查型号、尺寸是否符合要求,有无窜角、翘扭、弯曲、劈裂,如有以上情况应先进行修理。 2.2.2 木门窗框靠墙、 靠地的一面应刷防腐涂料,其它各面及扇活均应涂刷清油一道。刷油后应通风干燥。 2.2.3 刷好油的门窗应分类码放在存物架上,架子上面应垫平,且距地 20~30cm,码放时框与框、 扇与扇之间应垫木板条通风。如在露天堆放时, 需用苫布盖好, 不准日晒雨淋。 2.2.4 安装外窗前应从上往下吊好垂直,找出窗框位置,上下木对者应先进行处理,窗安装的高度,应根据室内50cm 的平线,返出窗安装的标高尺寸,弹好平线进行控制。 2.2.5 门框的安装应符合图纸要求的型号及尺寸,并注意门扇的开启方向,以确定门框安装的裁口方向,安装高度应按室内50cm 的平线控制。 2.2.6 门窗框安装应在抹灰前进行,门扇和窗扇的安装宜在抹灰后进行。如必须先安装时,应注意对成品的保护,防止碰撞和污染。3 操作工艺 3.1 工艺流程弹线找规矩→决定门窗框安装位置→决定安装标高→掩扇、门框安装样板→窗框、扇、安装→门框安装→门扇安装 3.2 结构工程经过监督站验收达到合格后,即可进行门窗安装施工。首先,应从顶层用大线坠吊垂直, 检查窗口位置的准确度,并在墙上弹出安装位置线,对不符线的结构边楞进行处理。 3.3 根据室内 50cm 的平线检查窗框安装的标高尺寸...

1、当您付费下载文档后,您只拥有了使用权限,并不意味着购买了版权,文档只能用于自身使用,不得用于其他商业用途(如 [转卖]进行直接盈利或[编辑后售卖]进行间接盈利)。
2、本站所有内容均由合作方或网友上传,本站不对文档的完整性、权威性及其观点立场正确性做任何保证或承诺!文档内容仅供研究参考,付费前请自行鉴别。
3、如文档内容存在违规,或者侵犯商业秘密、侵犯著作权等,请点击“违规举报”。

碎片内容

木门窗安装工艺

您可能关注的文档

确认删除?
VIP
微信客服
  • 扫码咨询
会员Q群
  • 会员专属群点击这里加入QQ群
客服邮箱
回到顶部