电脑桌面
添加小米粒文库到电脑桌面
安装后可以在桌面快捷访问

机动车检测站记录汇总VIP专享VIP免费

机动车检测站记录汇总_第1页
1/50
机动车检测站记录汇总_第2页
2/50
机动车检测站记录汇总_第3页
3/50
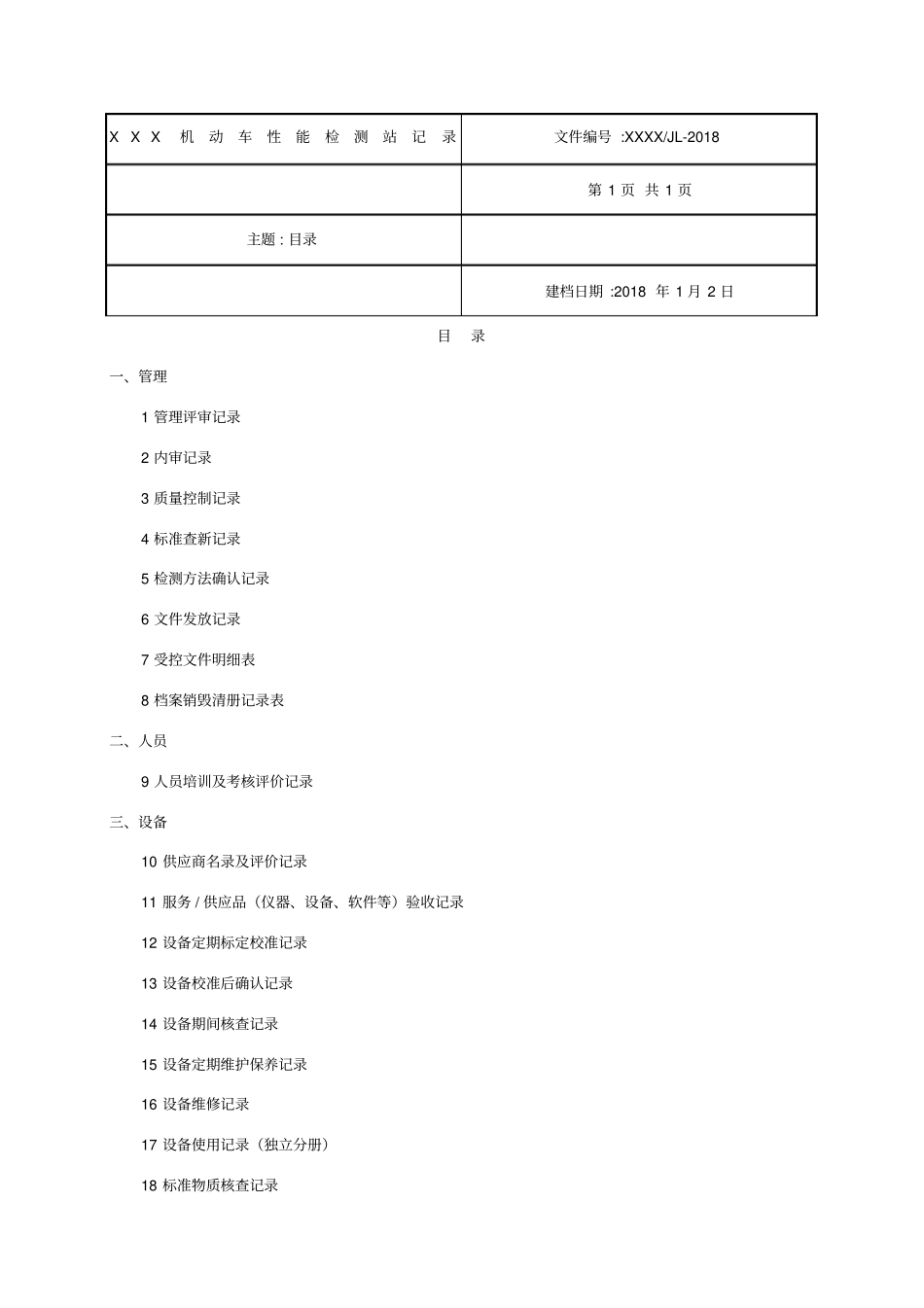
JLX XX机动车性能检测站计划记录文件XXX/JL-2018记录(2018)XXX机动车性能检测站记录编号: XXXX/JL-2018建档日期: 2018 年 1 月 2 日XXX机动车性能检测站X X X机动车性能检测站记录文件编号 :XXXX/JL-2018第 1 页 共 1 页主题 : 目录建档日期 :2018 年 1 月 2 日目录一、管理1 管理评审记录2 内审记录3 质量控制记录4 标准查新记录5 检测方法确认记录6 文件发放记录7 受控文件明细表8 档案销毁清册记录表二、人员9 人员培训及考核评价记录三、设备10 供应商名录及评价记录11 服务 / 供应品(仪器、设备、软件等)验收记录12 设备定期标定校准记录13 设备校准后确认记录14 设备期间核查记录15 设备定期维护保养记录16 设备维修记录17 设备使用记录(独立分册)18 标准物质核查记录19 检测车间环境记录(独立分册)20 计算机软件使用前验证确认记录21 计算机使用状况记录(独立分册)22 信息化网络平台使用记录(独立分册)四、其他23 上级主管部门检查记录24 日常质量监督记录(独立分册)25 顾客满意度调查及评价记录JLX XX机动车性能检测站计划记录文件XXXX/JL01-2018管理评审记录(2018)XXX机动车性能检测站管理评审记录编号: XXXX/JL01-2018建档日期: 2018 年 1 月 2 日XXX机动车性能检测站XXX机动车性能检测站管理评审项目检查表编号: XXXX/JL01-1- 2018序号项目及内容汇报对象方式1政策和程序适宜性2资源配置3监督和质量控制实施4质量方针、目标实施5内部质量审核6纠正和预防措施7实验室比对8外部机构评审9人员培训10新标准、技术应用11质量监督情况XXX机动车性能检测站管理评审会议签到表编号: XXXX/JL01-2-2018会议日期时间地点序号部门职务签到备注XXX机动车性能检测站管 理 评 审 记 录编号: XXXX/JL01-3-2018共页 第页评审主持人评审时间会议内容记 录 人时 间XXX机动车性能检测站管 理 评 审 报 告编号: XXXX/JL01-4-2018评审会议时间地点参加评审人员评审目的评审总结:XXX机动车性能检测站管理评审报告分发记录编号: XXXX/JL01-5-2018序号分发时间收取人签字收取人职务12345678910111213141516JLX XX机动车性能检测站计划记录文件XXXX/JL02-2018内审记录(2018)XXX机动车性能检测站内审记录编号: XXXX/JL02-2018建档日期: 2018 年 1 月 2 日XXX机动车性能检测站XXX机动车性能检测站内部质量体系审核计划编号: XXXX/JH02-1-...

1、当您付费下载文档后,您只拥有了使用权限,并不意味着购买了版权,文档只能用于自身使用,不得用于其他商业用途(如 [转卖]进行直接盈利或[编辑后售卖]进行间接盈利)。
2、本站所有内容均由合作方或网友上传,本站不对文档的完整性、权威性及其观点立场正确性做任何保证或承诺!文档内容仅供研究参考,付费前请自行鉴别。
3、如文档内容存在违规,或者侵犯商业秘密、侵犯著作权等,请点击“违规举报”。

碎片内容

机动车检测站记录汇总

确认删除?
VIP
微信客服
  • 扫码咨询
会员Q群
  • 会员专属群点击这里加入QQ群
客服邮箱
回到顶部