电脑桌面
添加小米粒文库到电脑桌面
安装后可以在桌面快捷访问

机械原理课程设计题目新资料VIP免费

机械原理课程设计题目新资料_第1页
1/26
机械原理课程设计题目新资料_第2页
2/26
机械原理课程设计题目新资料_第3页
3/26
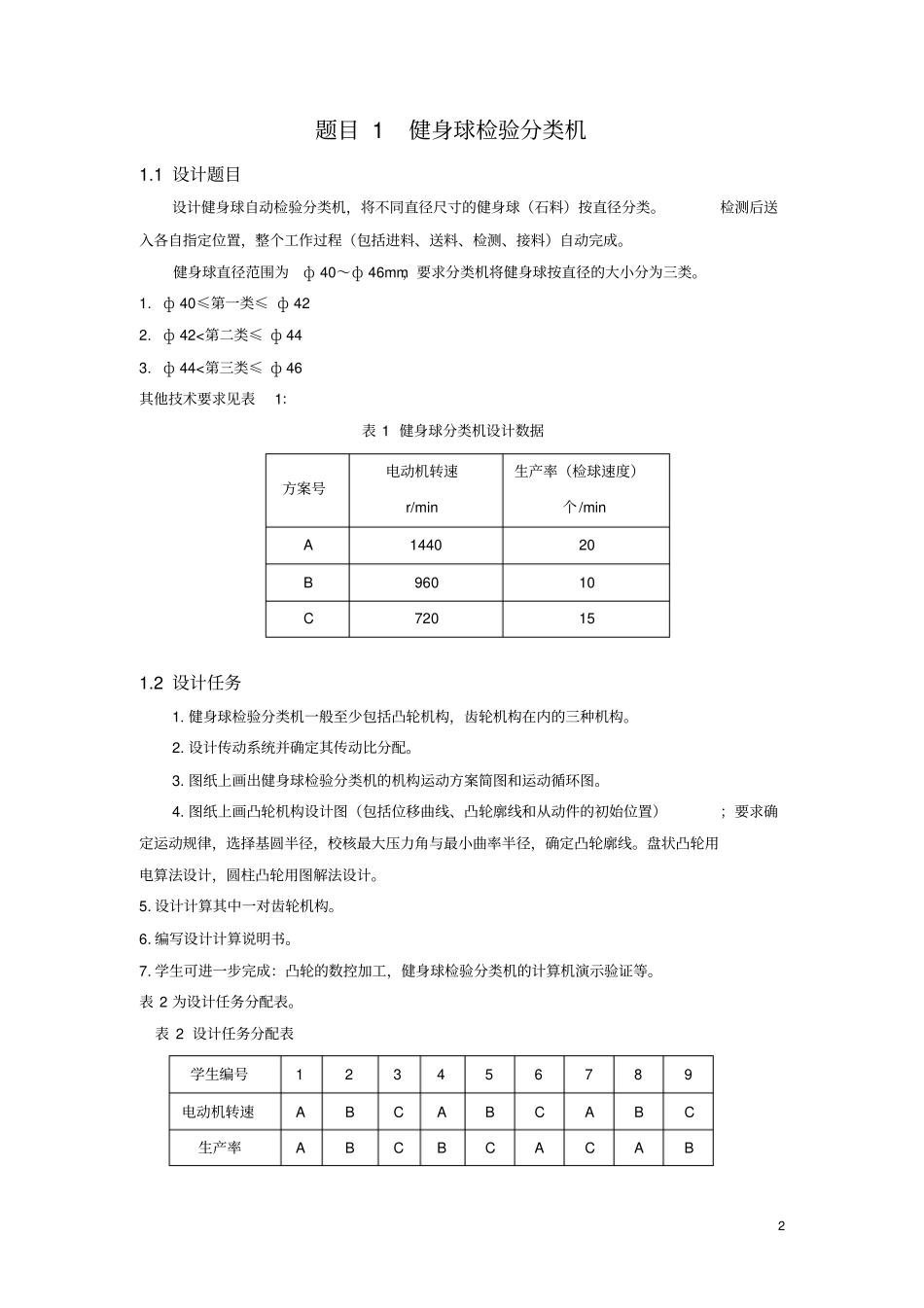
江西农业大学工学院《机械原理》课程设计课题目林金龙2008-11-30 1 课程设计题目课程设计题目 ................................................................................................................................... 1 题目 1 健身球检验分类机............................................................................................................ 2 题目 2 半自动钻床 ........................................................................................................................ 3 题目 3 压片成形机 ........................................................................................................................ 5 题目 4 旋转型灌装机 .................................................................................................................... 8 题目 5 热镦挤送料机械手............................................................................................................ 9 题目 6 巧克力糖包装机.............................................................................................................. 11 题目 7 书本打包机 ...................................................................................................................... 12 题目 8 台式电风扇摇头装置...................................................................................................... 17 题目 9 垫圈内径检测装置.......................................................................................................... 17 题目 10 洗瓶机 ............................................................................................................................ 20 题目 11:糕点切片机.................................................................................................................... 23 题目 12:蜂窝煤成型机................................................................................................................ 24 2 题目 1 健身球检验分类机1.1 设计题目设计健身球自动检验分类机,将不...

1、当您付费下载文档后,您只拥有了使用权限,并不意味着购买了版权,文档只能用于自身使用,不得用于其他商业用途(如 [转卖]进行直接盈利或[编辑后售卖]进行间接盈利)。
2、本站所有内容均由合作方或网友上传,本站不对文档的完整性、权威性及其观点立场正确性做任何保证或承诺!文档内容仅供研究参考,付费前请自行鉴别。
3、如文档内容存在违规,或者侵犯商业秘密、侵犯著作权等,请点击“违规举报”。

碎片内容

机械原理课程设计题目新资料

您可能关注的文档

爱的疯狂+ 关注
实名认证
内容提供者

该用户很懒,什么也没介绍

确认删除?
VIP
微信客服
  • 扫码咨询
会员Q群
  • 会员专属群点击这里加入QQ群
客服邮箱
回到顶部