电脑桌面
添加小米粒文库到电脑桌面
安装后可以在桌面快捷访问

施工手册第九章钢筋部分9-1-材料VIP专享VIP免费

施工手册第九章钢筋部分9-1-材料_第1页
1/14
施工手册第九章钢筋部分9-1-材料_第2页
2/14
施工手册第九章钢筋部分9-1-材料_第3页
3/14
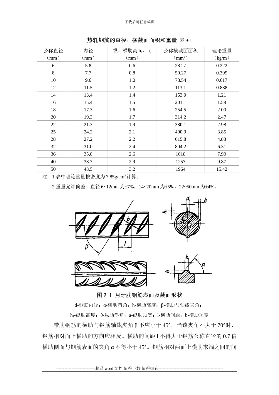
下载后可任意编辑9 钢筋工程9-1 材料9-1-1 钢筋品种与规格混凝土结构用的普通钢筋,可分为两类:热轧钢筋和冷加工钢筋(冷轧带肋钢筋、冷轧扭钢筋、冷拔螺旋钢筋)。冷拉钢筋与冷拔低碳钢丝已逐渐淘汰。余热处理钢筋属于热轧钢筋一类。热轧钢筋的强度等级由原来的 I 级、II 级、III 级和 IV 级更改为根据屈服强度(MPa)分为 235 级、335 级、400 级、500 级。《混凝土结构设计法律规范》(GB50010-2024)第 4.2.1 条规定:普通钢筋宜采纳热轧带肋钢筋 HRB400 级和 HRB335,也可采纳热轧光圆钢筋 HPB235和余热处理钢筋 RRB400 级;并在条文说明中提倡用 HRB400 级(即新 III 级)钢筋作为我国钢筋混凝土结构的主力钢筋。该设计法律规范尚未列入 HRB500级钢筋。冷轧带肋钢筋和冷轧扭钢筋因已有专门规程《冷轧带肋钢筋混凝土结构技术规程》(JGJ95-1995)和《冷轧扭钢筋混凝土构件技术规程》(JGJ115-1997)可供参考。9-1-1-1 热轧钢筋热轧钢筋是经热轧成型并自然冷却的成品钢筋,分为热轧光圆钢筋和热轧带肋钢筋两种。热轧光圆钢筋应符合国家标准《钢筋混凝土用热轧光圆钢筋》(GB13013-1991)的规定。热轧带肋钢筋应符合国家标准《钢筋混凝土用热轧带肋钢筋》(GB1499-1998)的规定。1.尺寸、外形和重量热轧钢筋的直径、横截面面积和重量,见表 9-1。热轧带肋钢筋的外形,见图 9-1。----------------------------精品 word 文档 值得下载 值得拥有----------------------------------------------下载后可任意编辑热轧钢筋的直径、横截面面积和重量 表 9-1公称直径(mm)内径(mm)纵、横肋高 h1、h2(mm)公称横截面面积(mm2)理论重量(kg/m)65.80.628.270.22287.70.850.270.395109.61.078.540.6171211.51.2113.10.8881413.41.4153.91.211615.41.5201.11.581817.31.6254.52.002019.31.7314.22.472221.31.9380.12.982524.22.1490.93.852827.22.2615.84.833231.02.4804.26.313635.02.610187.994038.72.912579.875048.53.2196415.42注:1.表中理论重量按密度为 7.85g/cm3计算;2.重量允许偏差:直径 6~12mm 为±7%,14~20mm 为±5%,22~50mm 为±4%。图 9-1 月牙肋钢筋表面及截面形状d-钢筋内径;α-横肋斜角;h-横肋高度;β-横肋与轴线夹角;h1-纵肋高度;θ-纵肋斜角;a-纵肋顶宽;l-横肋间距;b-横肋顶宽带肋钢筋的横肋与钢筋轴线夹角 β 不应小于 45°,当该夹角不大于 70°时,钢筋相对面...

1、当您付费下载文档后,您只拥有了使用权限,并不意味着购买了版权,文档只能用于自身使用,不得用于其他商业用途(如 [转卖]进行直接盈利或[编辑后售卖]进行间接盈利)。
2、本站所有内容均由合作方或网友上传,本站不对文档的完整性、权威性及其观点立场正确性做任何保证或承诺!文档内容仅供研究参考,付费前请自行鉴别。
3、如文档内容存在违规,或者侵犯商业秘密、侵犯著作权等,请点击“违规举报”。

碎片内容

施工手册第九章钢筋部分9-1-材料

确认删除?
VIP
微信客服
  • 扫码咨询
会员Q群
  • 会员专属群点击这里加入QQ群
客服邮箱
回到顶部