电脑桌面
添加小米粒文库到电脑桌面
安装后可以在桌面快捷访问

施工手册第十八章建筑地面工程18-3-基层铺设VIP免费

施工手册第十八章建筑地面工程18-3-基层铺设_第1页
1/51
施工手册第十八章建筑地面工程18-3-基层铺设_第2页
2/51
施工手册第十八章建筑地面工程18-3-基层铺设_第3页
3/51
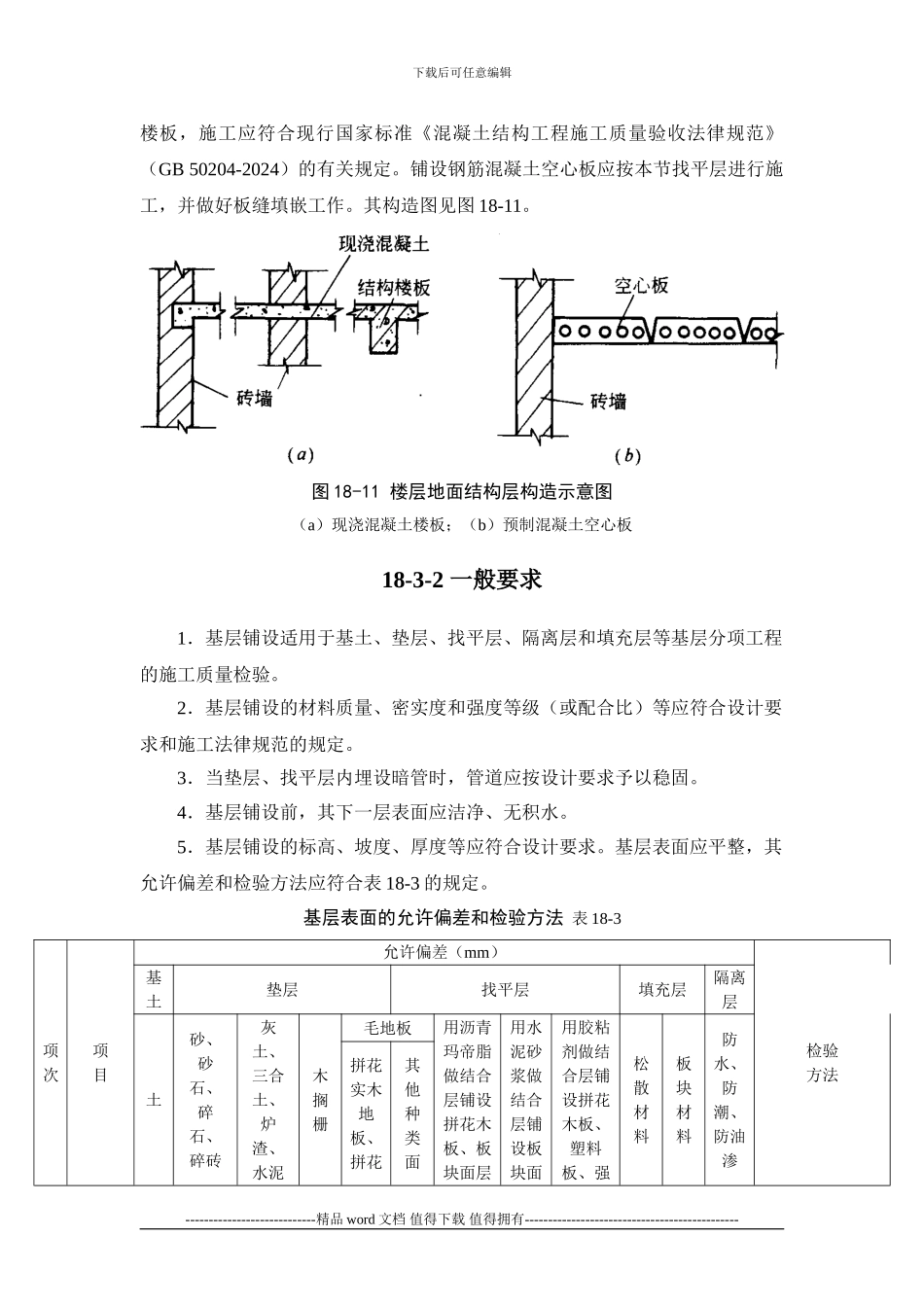
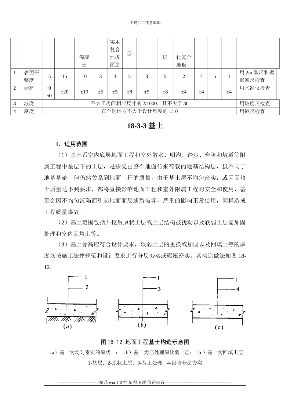
下载后可任意编辑18-3 基层铺设18-3-1 结构层18-3-1-1 底层地面结构层底层地面结构层(即地面工程)一般均直接铺设在基土上,其结构层是基土,要求均匀密实,具体按本节的基土施工要求。有时因室内外标高差较大,室内填土需大量土料,而地区又缺乏土源,因此采纳架空钢筋混凝土空心板作为底层地面结构层,其空心板的铺设应按本节找平层进行施工,并做好板缝填嵌工作。对铺设木地板的面层,其搁栅下的砖、石地垄墙(墩)作为底层地面的结构层,应以强度等级不低于 MU7.5 的普通乳土砖或其他块材砌成,所用砂浆的强度等级不应低于 M5,其砌筑施工应符合现行国家标准《砌体工程施工质量验收法律规范》(GB 50203-2024)的有关规定。凡后期强度不稳定或受潮后会降低强度的人造块材,均不得使用,其构造图见图 18-10。图 18-10 木地极面层下地垄墙或墩构造示意图(a)砖墩;(b)地垄墙18-3-1-2 楼层地面结构层楼层地面结构层(即楼面工程)基本上是现浇钢筋混凝土楼板或预制的整块钢筋混凝土板和预制钢筋混凝土空心板,其构造层是现浇和预制钢筋混凝土----------------------------精品 word 文档 值得下载 值得拥有----------------------------------------------下载后可任意编辑楼板,施工应符合现行国家标准《混凝土结构工程施工质量验收法律规范》(GB 50204-2024)的有关规定。铺设钢筋混凝土空心板应按本节找平层进行施工,并做好板缝填嵌工作。其构造图见图 18-11。图 18-11 楼层地面结构层构造示意图(a)现浇混凝土楼板;(b)预制混凝土空心板18-3-2 一般要求1.基层铺设适用于基土、垫层、找平层、隔离层和填充层等基层分项工程的施工质量检验。2.基层铺设的材料质量、密实度和强度等级(或配合比)等应符合设计要求和施工法律规范的规定。3.当垫层、找平层内埋设暗管时,管道应按设计要求予以稳固。4.基层铺设前,其下一层表面应洁净、无积水。5.基层铺设的标高、坡度、厚度等应符合设计要求。基层表面应平整,其允许偏差和检验方法应符合表 18-3 的规定。基层表面的允许偏差和检验方法 表 18-3项次项目允许偏差(mm)检验方法基土垫层找平层填充层隔离层土砂、砂石、碎石、碎砖灰土、三合土、炉渣、水泥木搁栅毛地板用沥青玛帝脂做结合层铺设拼花木板、板块面层用水泥砂浆做结合层铺设板块面用胶粘剂做结合层铺设拼花木板、塑料板、强松散材料板块材料防水、防潮、防油渗拼花实木地板、拼花其他种类面-----...

1、当您付费下载文档后,您只拥有了使用权限,并不意味着购买了版权,文档只能用于自身使用,不得用于其他商业用途(如 [转卖]进行直接盈利或[编辑后售卖]进行间接盈利)。
2、本站所有内容均由合作方或网友上传,本站不对文档的完整性、权威性及其观点立场正确性做任何保证或承诺!文档内容仅供研究参考,付费前请自行鉴别。
3、如文档内容存在违规,或者侵犯商业秘密、侵犯著作权等,请点击“违规举报”。

碎片内容

施工手册第十八章建筑地面工程18-3-基层铺设

确认删除?
VIP
微信客服
  • 扫码咨询
会员Q群
  • 会员专属群点击这里加入QQ群
客服邮箱
回到顶部