电脑桌面
添加小米粒文库到电脑桌面
安装后可以在桌面快捷访问

施工现场事故应急救援预案VIP免费

施工现场事故应急救援预案_第1页
1/5
施工现场事故应急救援预案_第2页
2/5
施工现场事故应急救援预案_第3页
3/5
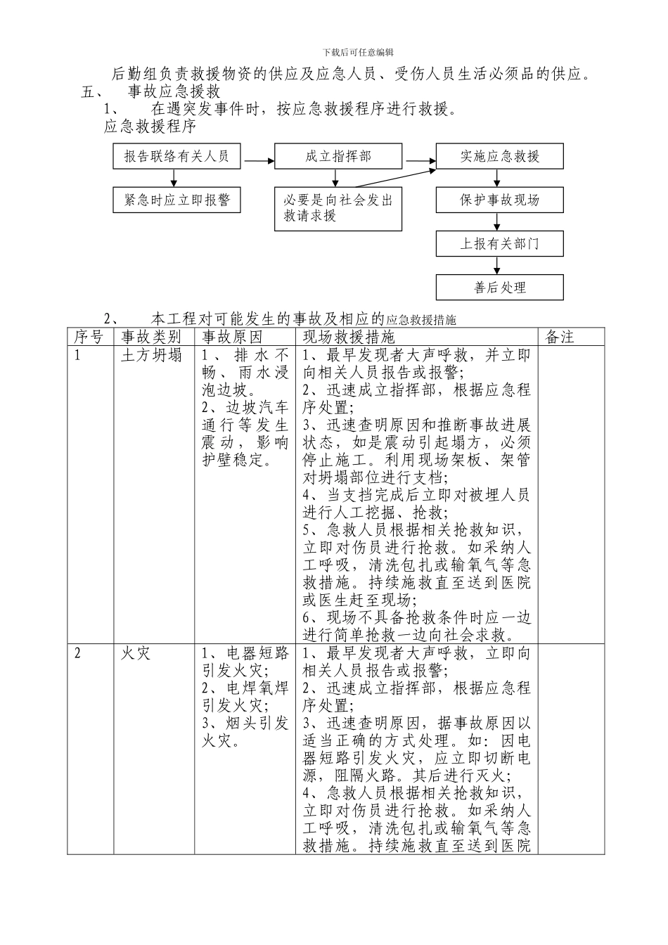
下载后可任意编辑施工现场事故应急救援预案一、基本原则与方针 本公司在施工过程中严格执行《中华人民共和国安全生产法》。仔细贯彻安全第一、预防为主的方针;本着以人为本,重点保护人员人身安全;次之保护贵重财产的原则。当施工过程中突发事故,以自救为主。各系统统一指挥、分工负责。二、本工程的基本情况1、本工程为悦和天成房地产开发有限公司开发神仙树大院第五期。建筑面积 48112m²。场地宽广,交通状况良好。2、项目部配备急救包、霍香正气水等相关急救物资。具备感冒、发烧、轻身中暑和轻微肢体损害的清创、包扎及一些重大损害的先期救助。离本工程较近的医院有:彭州市第二人民医院和成都市肿瘤医院。3、项目部成立施工场地义务消防队。项目经理担任队长,队员由各层管理人员、各班组长及青壮年 1-2 名组成。义务消防队的主要负责消防器材的检查及维护工作。当出现火情时以正确的方式疏散现场人员。在第一时间内报警,切断电源,阻隔火源。在力所能及的情况下控制火情的进展,等待消防武警的援救。 在消防工作的日常培训及训练中,要求队员熟悉施工场地的消防设施和器材,并能熟练使用。项目经理积极参加,起好带头作用。并在经费及时间、场地训练等事物上给予支持。大力提高全员消防安全意识及技能。相关人员做好培训及训练的记录。 下附义务消防员组成名单:队长副队长成员三、本工程特点工程场地宽广。场地分生活区和施工区,两块区域各成一体,明确隔离。工程施工中针对土方坍塌、架体倒塌、高空坠落、火灾、触电等事故均进行重点保护。四、应急机构的人员责任及分工应急救援组以项目经理为首,组员由管理人员及各班组长担任。(见下表)应急救援小组负责对管理人员及工人进行利用布条现场止血,人工呼吸、遇火灾基本逃生等急救方式的培训。日常工作由项目质安部门兼管。在突发事故发生时,组长负责现场总指挥,调动布置各项救援工作。各成员应总指挥命令积极投入,合理调配人员,动用一切可支配的人力、物力进行救援,把事故所造成的损失降到最低。张文宇(组长)陈刚(副组长)余志刚陈龙强张传学罗大浪赵勋下载后可任意编辑后勤组负责救援物资的供应及应急人员、受伤人员生活必须品的供应。五、事故应急援救1、在遇突发事件时,按应急救援程序进行救援。应急救援程序2、本工程对可能发生的事故及相应的应急救援措施序号事故类别事故原因现场救援措施备注1土方坍塌1 、 排 水 不畅 、 雨 水 浸泡边坡。2、边坡汽...

1、当您付费下载文档后,您只拥有了使用权限,并不意味着购买了版权,文档只能用于自身使用,不得用于其他商业用途(如 [转卖]进行直接盈利或[编辑后售卖]进行间接盈利)。
2、本站所有内容均由合作方或网友上传,本站不对文档的完整性、权威性及其观点立场正确性做任何保证或承诺!文档内容仅供研究参考,付费前请自行鉴别。
3、如文档内容存在违规,或者侵犯商业秘密、侵犯著作权等,请点击“违规举报”。

碎片内容

施工现场事故应急救援预案

您可能关注的文档

确认删除?
VIP
微信客服
  • 扫码咨询
会员Q群
  • 会员专属群点击这里加入QQ群
客服邮箱
回到顶部