电脑桌面
添加小米粒文库到电脑桌面
安装后可以在桌面快捷访问

施工现场安全标准化检查评分表格VIP免费

施工现场安全标准化检查评分表格_第1页
1/33
施工现场安全标准化检查评分表格_第2页
2/33
施工现场安全标准化检查评分表格_第3页
3/33
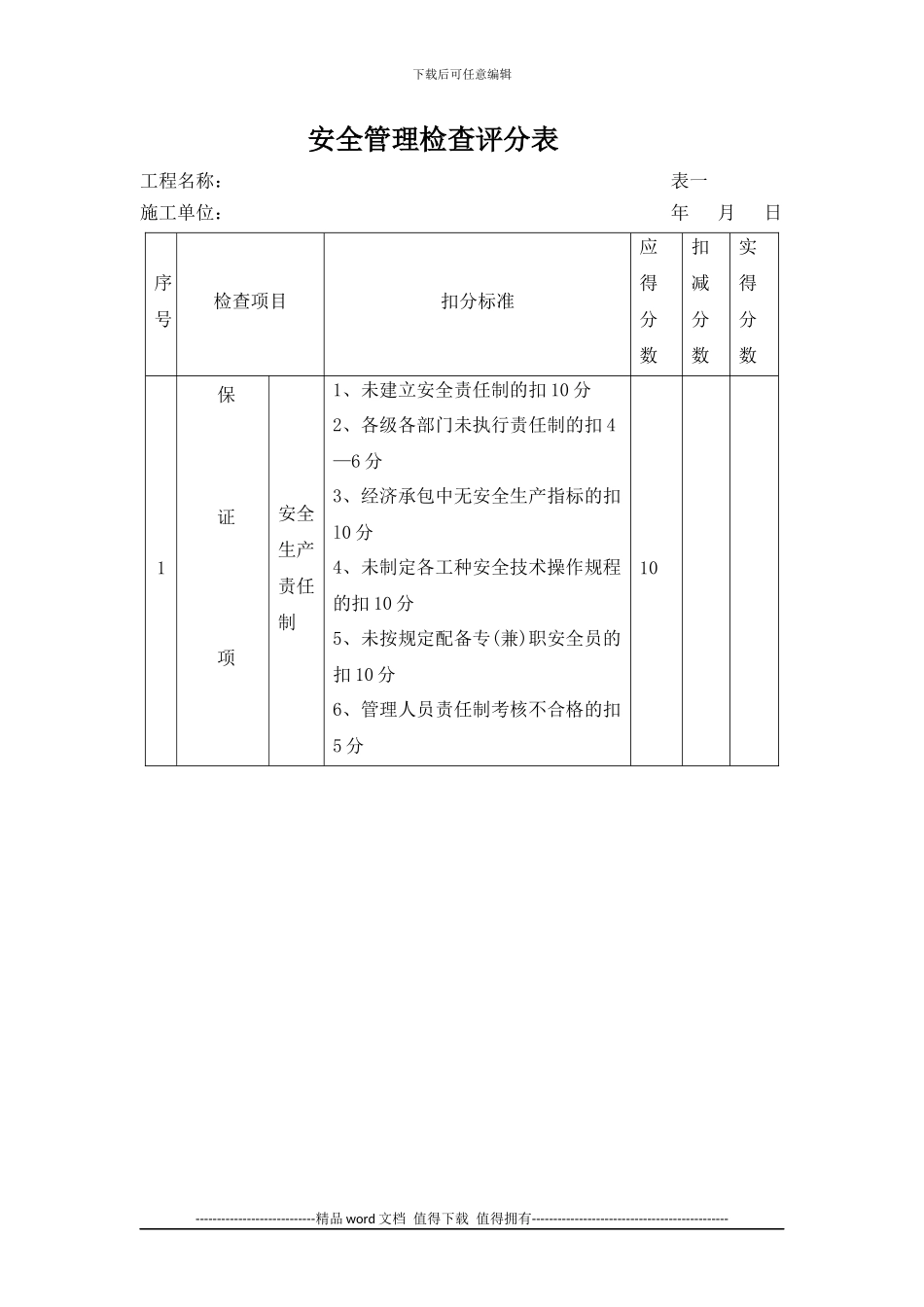
下载后可任意编辑施工安全检查考核评分汇总表企业名称: 资质等级:企业负责人: 施工场地名称:项目经理: 形象进度:建设规模: 年 月 日序号分项名称应得分分项表实得分汇总得分扣分原因1安全管理102文明施工103基坑支护104模板工程105“三宝”及“四口”防护106施工用电157脚手架158起重吊装109施工机具10总计100检查组意见检查组汇总人:检查组负责人:----------------------------精品 word 文档 值得下载 值得拥有----------------------------------------------下载后可任意编辑安全管理检查评分表工程名称: 表一施工单位: 年 月 日序号检查项目扣分标准应得分数扣减分数实得分数1保 证 项安全生产责任制1、未建立安全责任制的扣 10 分2、各级各部门未执行责任制的扣 4—6 分3、经济承包中无安全生产指标的扣l0 分4、未制定各工种安全技术操作规程的扣 10 分5、未按规定配备专(兼)职安全员的扣 10 分6、管理人员责任制考核不合格的扣5 分10----------------------------精品 word 文档 值得下载 值得拥有----------------------------------------------下载后可任意编辑2目目标管理1、无安全管理目标(伤亡控制指标和安全达标、文明施工目标)的扣10 分2、未进行危险源识别、评价,未对重大危险源进行控制策划、建档的扣 10 分3、对重大危险源未制定有针对性的应急预案的扣 10 分4、未进行安全责任目标分解的扣I0 分5、无责任目标考核规定的扣 8 分6、考核办法未落实或落实不好的扣5 分103施工组织设计1、施工组织设计中无安全措施,扣10 分2、施工组织设计未经审批,扣 10分3、专业性较强的项目,未单独编制专项安全施工组织设计,扣 8 分4、安全措施不全面,扣 2—4 分5、安全措施无针对性,扣 6—8 分6、安全措施未落实,扣 8 分104分部(分项)工程安全技术交底1、无书面安全技术交底扣 10 分2、交底针对性不强扣 4—6 分3、交底不全面扣 4 分4、交底未履行签字手续扣 2—4 分10----------------------------精品 word 文档 值得下载 值得拥有----------------------------------------------下载后可任意编辑5安全检查1、无定期安全检查制度扣 5 分2、安全检查无记录扣 5 分3、检查出事故隐患整改做不到定人、定时间、定措施扣 2—6 分4、对重大事故隐患整改通知书所列项目未如期完成扣 5 分106安全教育1、无安全教育制度扣 10 分2、新入厂工人未进行三级...

1、当您付费下载文档后,您只拥有了使用权限,并不意味着购买了版权,文档只能用于自身使用,不得用于其他商业用途(如 [转卖]进行直接盈利或[编辑后售卖]进行间接盈利)。
2、本站所有内容均由合作方或网友上传,本站不对文档的完整性、权威性及其观点立场正确性做任何保证或承诺!文档内容仅供研究参考,付费前请自行鉴别。
3、如文档内容存在违规,或者侵犯商业秘密、侵犯著作权等,请点击“违规举报”。

碎片内容

施工现场安全标准化检查评分表格

您可能关注的文档

确认删除?
VIP
微信客服
  • 扫码咨询
会员Q群
  • 会员专属群点击这里加入QQ群
客服邮箱
回到顶部